Witam. Mam takie pytanie.
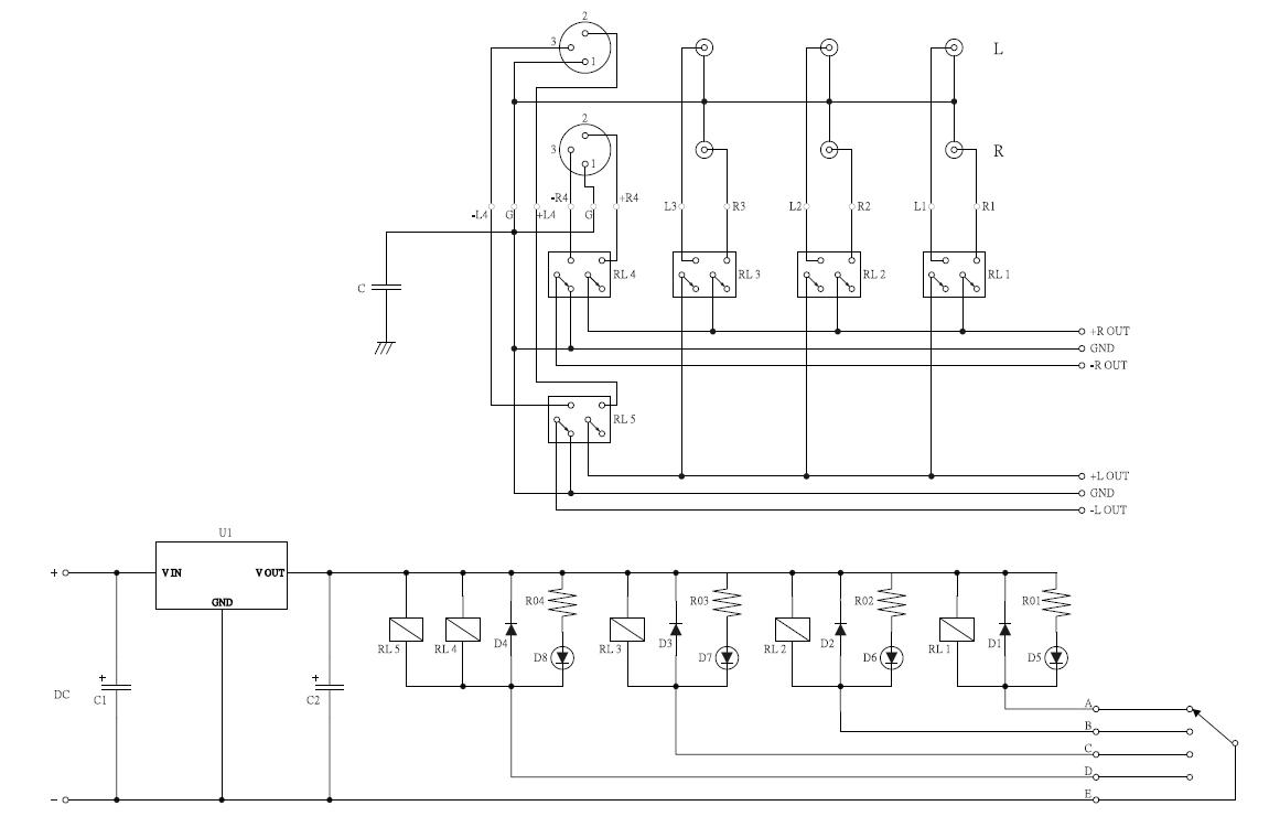
Poszukuję schematu selektora źródeł do wzmacniacza. Zależy mi na tym aby wybór źródła odbywał się poprzez guzik a nie selektor. Znalazłem w sieci schemat jak na załączonym rysunku, ale obawiam się, iż nie spełnia moich wymagań, czyli przycisk po dotknięciu i wybraniu źródła ma się od razu rozłączyć tak aby możliwe było zmienianie kanałów bez "wyłączania" przycisku.
Jestem amatorem i programowanie scalaków odpada. Lutowanie i robienie plytek jak najbardziej.
Pozdrawiam Serdecznie i dziękuję za pomoc
Dodano po 51 [sekundy]:

Poszukuję schematu selektora źródeł do wzmacniacza. Zależy mi na tym aby wybór źródła odbywał się poprzez guzik a nie selektor. Znalazłem w sieci schemat jak na załączonym rysunku, ale obawiam się, iż nie spełnia moich wymagań, czyli przycisk po dotknięciu i wybraniu źródła ma się od razu rozłączyć tak aby możliwe było zmienianie kanałów bez "wyłączania" przycisku.
Jestem amatorem i programowanie scalaków odpada. Lutowanie i robienie plytek jak najbardziej.
Pozdrawiam Serdecznie i dziękuję za pomoc
Dodano po 51 [sekundy]: