Pamiętacie projekt globusa zbudowanego z diod LED? W sieci pojawił się kolejny. Niektórzy z was zarzucali pierwszemu projektowi, że kula obraca się zbyt wolno. Popatrzcie na filmie jak ta zasuwa. Jeśli porównać oba projekty na etapie budowy to przyznacie sami, że model naszego wschodniego sąsiada na etapie budowy nie wyglądał tak efekciarsko, co poprzednio opisywany. Za to produkt końcowy jest niesamowity. Nie do porównania. Szkoda, że strona jest w języku rosyjskim. Może jest ktoś na forum, kto doskonale włada tym językiem i byłby tak uprzejmy zapoznać nas ze szczegółami tego projektu? Po schemat i zdjęcia zapraszam tutaj.
Uklad na AVR Tiny13, uC wyprowadza szeregowo informacje na 32 diody (4 rejestry przesuwne 74164), dodatkowo diody kluczowane sa przez tranzystor sterowany z uC (wygaszanie).
Zasilanie calosci zrobione jest na wirujacym transformatorze, silnik to wentylator z PC, na rotorze nawinieto jedno uzwojenie, na statorze drugie - odpowiednio wtorne i pierwotne uzwojenie transformatora, autor podaje ze do nawiniecia tranformatora uzyl przewodu z starej cewki rozmagnesowujacej.
Uwozjenie pierwotne to ok 90 zwojow drutu 0.3mm ulozone w trzech warstwach a wtorne to 130 zwojow ulozone w 4 warstwach.
Wg autora szerokosc przerwy (szczeliny powietrznej) miedzy uzwojeniami to maksymalnie 1.5cm jednak im mniej tym lepiej i w jego ukladzie ta szczelina ma ok 3mm.
wystarczy je pomniejszyc i zmniejszyc ilosc kolorow - jesli uzywamy jednego koloru to warto wczesniej skonwertowac je do postaci grayscale i zredukowac ilosc kolorow - oczywiscie w skrajnym wypadku moze byc to mapa jednokolorowa.
Do konwersji mozna uzyc np darmowego GIMP'a
Niestety, kod nie jest udokumentowany po angielsku. Wyskakują przy komentarzach krzaki, ewentualnie cyrylica jak się otworzy jakimś wielojęzycznym edytorem .
szkoda - sam algorytm zostal opisany po angielsku wiec...
kod jak mi sie wydaje nie jest zbyt zlozony, wystarczy rozpoznac poczatek "skanowania", zmierzyc czas do kolejnego poczatku, tak uzyskany czas podzielic na "ilosc pikseli w poziomie" i rozpoczac regularne wystawianie danych na kolejne LED czyli "linie obrazu", zakladajac ze w ciagu sekundy rotor wykona nie mniej niz 20 - 25 obrotow mamy sposob na wyswietlanie video - rzecz jasna dla kazdego z wentylatorow ta predkosc bedzie inna wiec moze nam plywac "ilosc ramek", zreszta regulujac ilosc obrotow w sposob programowy mozna uzyskiwac dodatkowe efekty - np zmiane rozmiaru w poziomie, efekt plyniecia - scrolling itp
Dodam od siebie ze rosyjski model ma kilka wad ktore warto byloby ominac podczas budowy wlasnego "globusa"
.
O jakie konkretnie chodzi?
Cytat:
dodatkowo diody kluczowane sa przez tranzystor sterowany z uC (wygaszanie).
Rozumiem, że to ten ENABLE na schemacie. On jest tylko jeden? Znaczy wszystkie katody są połączone razem i podłączone do kolektora tranzystora? Czy jeden tranzystor na rejestr?
Gdybym chciał zbudować takie urządzenie z diod RGB, żeby barwa globusu zmieniała płynnie kolor. To potrzebowałbym 4*3barwy = 12 rejestrów? 4 do każdej barwy? Każda linia barwy podłączona do innego wyjścia uC?
Dodam od siebie ze rosyjski model ma kilka wad ktore warto byloby ominac podczas budowy wlasnego "globusa"
O jakie konkretnie chodzi?
kilka - cala masa skupiona jest po jednej stronie, szerokosc laminatu, sposob sterowania zasilaniem, rozmiar komponentow itd.
wojlej napisał:
Cytat:
dodatkowo diody kluczowane sa przez tranzystor sterowany z uC (wygaszanie).
Rozumiem, że to ten ENABLE na schemacie. On jest tylko jeden? Znaczy wszystkie katody są połączone razem i podłączone do kolektora tranzystora? Czy jeden tranzystor na rejestr?
Tak, autor podaje ze dowolny tranzystor NPN (w orginale KT315 czyli europejskie BC237)
wojlej napisał:
Gdybym chciał zbudować takie urządzenie z diod RGB, żeby barwa globusu zmieniała płynnie kolor. To potrzebowałbym 4*3barwy = 12 rejestrów? 4 do każdej barwy? Każda linia barwy podłączona do innego wyjścia uC?
ENABLE wystarczyloby jedno, oczywiscie samo sterowanie mozna by skomplikowac np sterujac PWM (globalne na lini ENABLE do regulacji jasnosci wszystkich elementow) lub oddzielnie dla kazdej linii i wtedy bylaby mozliwosc uzyskiwania barw a nie tylko kolorow.
Oczywiscie moglbys poalczyc rejestry szeregowo wtedy musialbys wysylac w jednym cyklu "pixelowym" nie 32 a 96 bitow
moim zdaniem wystarczyłoby do kazdego koloru dac osobny tranzystor kluczujący. Tylko nie wiem jak bardzo mozna obciążac te rejestry.
Tak, bez klopotu mozna zalaczac katody diod RGB - wtedy nie musimy uzywac 12 rejestrow a jedynie 4. Molziwosci kombinowania jest dosc sporo a jesli dysponujemy wieksza ilsocia "ramek" (nasz silnik wykonuje wiecej obrotow na sekunde np 50 czy 75) to mozna pokusisc sie o wygenerowanie roznych kolorow w obrebie tego samego piksela czy tez kolorow i jasnosci - pomocen moga byc idee ktorych uzywaja koderzy na malych komputerkach z ograniczona ilsocia kolorow do uzuskania wiekszej ilosci kolorow.
Mozna pomyslec o dolozeniu po przeciwleglej stronie kolejnych 32 diod umeiszocznych w taki sposob ze beda sie przeplatac - podwoimy wtedy rozdzielczosc w pionie, oczywiscie uklad mozna komplikwoac jeszcze bardziej - krytyczne jest tu raczej zgranie wszystkiego czasowo no i najwazniejsza jest precyzja wykonania ukladu mechanicznie - wywazenie to warunek konieczny - warto zadbac o rozlozenie mas juz na etapie projektowania (uwzglednic opory powietrza, momenty bezwladnosci itd)
jesli chodzi o obciazalnosc raczej nie za bardzo - dobrze byloby uzyc specjalizowanych driverow lub kluczy tranzystorowych majac na uwadze ze srednia jasnosc swiatla rozlozy sie na znacznie wiekszej powierzchni i po porstu obraz bedzie widoczny w ciemnych pomieszczeniach.
Sposoby na to jak rozwiazac sterowanie mozna bez klopotu znalezc w tej chwili wszedzie.
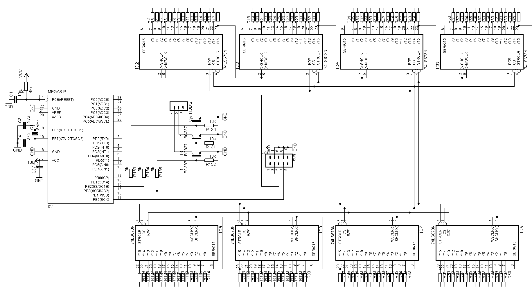
Tutaj 32 diody w pionie wyglądają trochę marnie. Ja bym chciał conajmniej 64 diody RGB w SMD. 64 diody to 4 rejestry 16 bitowe. Czy mogę użyć 74LS674? Może jakiś inny? Diody będą ze wspólną anodą, więc do katod od poszczególnych kolorów dam tranzystor sterowany sygnałem PWM, co umożliwi płynną zmianę kolorów. Maksymalne obciążenie rejestrów to 25mA. a przy 3 kolorach może być z tym kiepsko? Muszę dawać jakiś bufor?
Zastosowałem tu 16 bitowe rejestry 74LS673. Wszystkie R/W, CS, i STRCLR połączyłem ze sobą. Dodatkowo 3 tranzystory kluczujące, każdy dla osobnego koloru. Teraz moje pytanie. Czy poprawnie jest narysowany schemat? Czy obojętnie do jakich pinów uC podłącze R/W, CS, i STRCLR. Czy wejście zegarowe mam połączyć z SCK uC? Czy wprowadzanie informacji do tych rejestrów wygląda tak samo jak do 74164?