logo elektroda
logo elektroda
X
logo elektroda
REKLAMA
REKLAMA
Adblock/uBlockOrigin/AdGuard mogą powodować znikanie niektórych postów z powodu nowej reguły.

Stilo 2002r białe złącze licznika

gzresieknysa 31 Maj 2010 06:57 4989 2
REKLAMA
  • #1 8136305
    gzresieknysa
    Poziom 20  
    Witam!

    Szukam informacji dotyczącej białego złącza licznika Visteon( u mnie z jednym przewodem pin 8 - o niego mi chodzi -jaką funkcję pełni).Silnik 1.9Jtd, wymieniałem licznik bo w poprzednim liczniku padł procesor i stary licznik posiadał 2 złącza, białe i czarne a ten ,który zamontowałem jest bez białej kostki.

    pozdrawiam!
  • REKLAMA
  • Pomocny post
    #2 8136781
    Michu10
    Poziom 32  
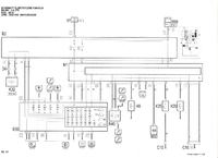
    Podaje tobie schemat, wszystko widać poszczególną pinologię , mam nadzieję że pomogłem
    Stilo 2002r białe złącze licznika
  • #3 8140561
    gzresieknysa
    Poziom 20  
    Tak pomocna informacja. Kabelek od kontrolki airbagów tył.

    Dzięki za info!

    Pozdrawiam.
REKLAMA