logo elektroda
logo elektroda
X
logo elektroda
REKLAMA
REKLAMA
Adblock/uBlockOrigin/AdGuard mogą powodować znikanie niektórych postów z powodu nowej reguły.

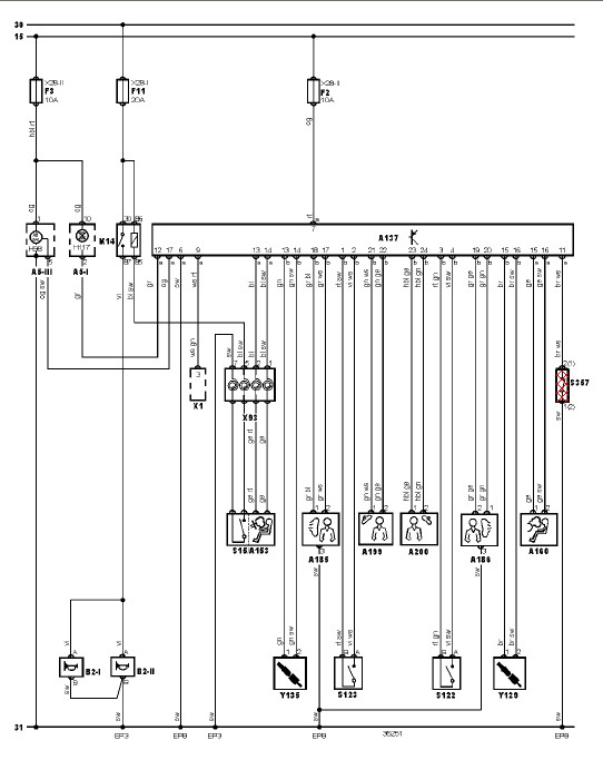
Schematy air-bag modele Alfa Romeo 147 i 156

Michu10 31 Maj 2010 10:27 3052 3
REKLAMA
  • #1 8136621
    Michu10
    Poziom 32  
    Witam. Potrzebuję schematy do w/w pojazdów. Jeśli ktoś dysponuje, to bardzo proszę.
  • REKLAMA
  • #2 8140558
    RobertLodz09
    Poziom 30  
    Do 156 mogę podesłać adres do całego manuala naprawczego razem ze schematami. Minusem jest język wydanie po francusku! Pozdrawiam!
  • REKLAMA
  • #3 8143924
    Michu10
    Poziom 32  
    Jak możesz to jednak poproszę
  • Pomocny post
    #4 8144061
    milejow
    Poziom 43  
    Może coś odczytasz-156 full:
    Schematy air-bag modele Alfa Romeo 147 i 156 Schematy air-bag modele Alfa Romeo 147 i 156
REKLAMA