logo elektroda
logo elektroda
X
logo elektroda
REKLAMA
REKLAMA
Adblock/uBlockOrigin/AdGuard mogą powodować znikanie niektórych postów z powodu nowej reguły.

Sterowanie lewo prawo stop

mentoss1992 01 Cze 2010 17:34 3612 2
REKLAMA
  • #1 8142409
    mentoss1992
    Poziom 10  
    Witam... Potrzebuje schematu do zrobienia sterowania silnika. Chodzi mi dokładnie o zmianę obrotów lewo prawo za pomocą dwóch styczników. Sterowanie ma się odbywać za pomocą trzech przycisków, dwóch zielonych i jednego czerwonego (start lewo stop start prawo). Z góry dziękuje za pomoc...
  • REKLAMA
  • #2 8142486
    jacekko63
    Poziom 31  
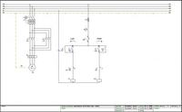
    Proszę schemat;
    Sterowanie lewo prawo stop
  • #3 8143076
    mentoss1992
    Poziom 10  
    Dziękuje za szybka odpowiedź ...
REKLAMA