logo elektroda
logo elektroda
X
logo elektroda
REKLAMA
REKLAMA
Adblock/uBlockOrigin/AdGuard mogą powodować znikanie niektórych postów z powodu nowej reguły.

Zagadki: Określ brakujący element (część II)

kamilsos 14 Cze 2010 12:53 5231 15
REKLAMA
  • Dla tych którzy chcą się wykazać lub mają trochę wolnego czasu znalazłem kilka zagadek elektronicznych. Jest to kolejny zestaw i ciekaw jestem jak sobie z nim poradzicie. Zapraszam do zabawy.

    Zagadka 1.

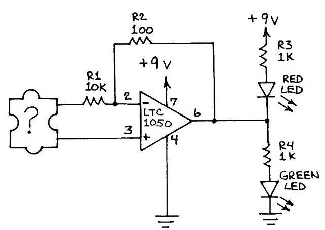
    Janusz jest twórcą gier video i potrzebuje taniego czujnika obracania w kierunku przeciwnym do wskazówek zegara. Czujnik optyczny który wypróbował szybko uległ zniszczeniu w rękach młodych nastolatków dlatego potrzebne jest rozwiązanie trwałe i odporne na ciężkie traktowanie przez graczy. Rozwiązanie pojawiło się w głowie Janusza podczas gdy jego syn bawił się samochodem na zdalne sterowanie. Obserwowanie jego potomka podczas zabawy zainspirowało go do zaprojektowania następującego układu.

    Zagadki: Określ brakujący element (część II)

    LTC1050 to wzmacniacz operacyjny który dostarcza niezbędnego prądu do diod LED. Jeżeli czujnik nie obraca się lub obraca się zgodnie z kierunkiem wskazówek zegara obie diody LED są zapalone. Czerwona dioda LED zapalona jest jedynie w przypadku gdy czujnik obraca się przeciwnie do ruchu wskazówek zegara. Czujnik posiada tylko jeden ruchomy element, który działa niezależnie od światła.

    Pytanie: Jaki element umieściłbyś na schemacie w miejscu znaku zapytania?

    Zagadka 2.

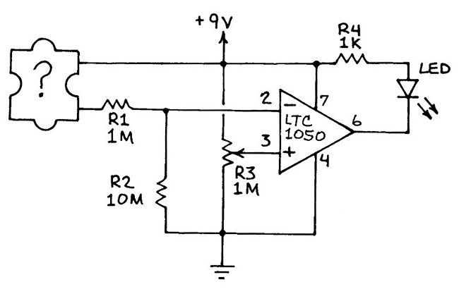
    Pani Dobrawa jest mieszkanką wsi położonej na obszarze zalewowym. Raz na jakiś czas do jej gospodarstwa wdziera się woda. Powoduje to zalewanie upraw rolnych, maszyn rolniczych oraz drobiu. Pani Dobrawa jest wielką entuzjastką hodowli kurczaków. Poprosiła więc swojego męża Drogomysła aby zrobił coś z tym problemem tak aby mogła z wyprzedzeniem wiedzieć że do gospodarstwa zbliża się woda. Drogomysł będąc elektronikiem amatorem chwycił lutownicę i zaczął tworzyć. Stworzył przedstawiony układ, który włącza diodę LED w sytuacji gdy na podłodze piwnicy zbierze się chociaż kilka milimetrów wody.

    Zagadki: Określ brakujący element (część II)

    Pytanie: Jaki element umieściłbyś na schemacie w miejscu znaku zapytania?

    Wkrótce podane zostaną odpowiedzi.

    Fajne? Ranking DIY
    O autorze
    kamilsos
    Poziom 13  
    Offline 
    kamilsos napisał 106 postów o ocenie 32. Mieszka w mieście Lublin. Jest z nami od 2008 roku.
  • REKLAMA
  • REKLAMA
  • #3 8189521
    pawelC51
    Poziom 12  
    Strzelam.
    1. Miniaturowy silniczek prądu stałego.
    2. Dwa druty wbite w ziemię na pewną głębokość.
  • #4 8189583
    stanislaw555
    Poziom 15  
    Drugie to będzie prawdopodobnie jakiś mały, płaski czujnik wilgoci położony na podłodze.
  • #6 8189939
    jamba12
    Poziom 11  
    1. potencjometr (chyba?)
    2. czujnik (pływak)
  • REKLAMA
  • #8 8191586
    lamer89
    Poziom 23  
    1. Silniczek DC (Proponowany przez niektórych potencjometr za szybko by się zużył i pozwalał by tylko na określenie aktualnej pozycji a nie kierunku obrotu (do tego ograniczał by ruch.
    2. kawałek laminatu wytrawiony w dwa "grzebienie" zachodzące na siebie
    (mam nadzieję, że w miarę sensownie opisałem ten wzór)
    Najlepiej podgrzewane od spodu jakimś rezystorem dużej mocy aby przypadkowa kropla wody znajdująca się na nim nie fałszowała wskazań.
    (coś podobnego było czujnikiem w automatycznym włączniku wycieraczek w jakimś EP z początku lat 90'
  • #9 8191668
    Konto nie istnieje
    Konto nie istnieje  
  • #10 8191771
    Dexter861
    Poziom 15  
    A dla mnie w zadaniu 1szym bedzie to 'antenka' robiąca za styk.
    Gdy obracać będzie się przeciwnie do ruchu wskazówek zegara stworzy rozwarcie a na wy pojawi się 0 i świecić będzie się tylko dioda czerwona.
    W przeciwnym wypadku antenka zewrze wejścia OPa a na wyjściu pojawi nam się stan ~5V co pozwoli na zapalenie obu diod. ;]
  • #11 8192045
    kamilsos
    Poziom 13  
    A oto opowiedzi:

    Zagadka 1. - Mały silniczek prądu stałego
    Zagadka 2. -Sondy miedziane (kawałki drutu)
  • REKLAMA
  • #12 8196308
    stanislaw555
    Poziom 15  
    To może i ja coś dam :D?

    Pan Orest jest serwisantem komputerów. Coraz częściej klienci zaczęli przynosić do niego monitory, karty dźwiękowe itp. z zepsutymi gniazdami słuchawkowymi. Nie lubił zakładać cały czas słuchawek na uszy, więc postanowił ułatwić sobie życie. A że z elektroniką był za pan brat przyszło mu to łatwo. Zbudował prosty wzmacniacz małej mocy do którego mógł podłączyć głośniki i sprawdzać sprawność sprzętu bez zakładania nielubianych słuchawek na uszy:
    Zagadki: Określ brakujący element (część II)

    Zadanie jest proste: Trzeba określić nieznany element.

    Odpowiedź pojawi się za jakiś czas.
    Pozdrawiam

    Stanisław
  • #13 8196352
    lekto
    Poziom 35  
    Jakiś scalak typu TDA, lub wzmacniacz operacyjny.
  • #15 8200342
    lehoo1
    Poziom 13  
    Mi podchodzi TBA820
  • #16 8203121
    stanislaw555
    Poziom 15  
    A oto i prawidłowa odpowiedź: LM386.
REKLAMA