logo elektroda
logo elektroda
X
logo elektroda
REKLAMA
REKLAMA
Adblock/uBlockOrigin/AdGuard mogą powodować znikanie niektórych postów z powodu nowej reguły.

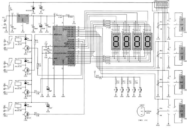
Programowalny termostat czterokanałowy

jacxek 15 Cze 2010 21:46 2616 5
REKLAMA
  • #1 8194452
    jacxek
    Poziom 11  
    Programowalny termostat czterokanałowy


    Witam wszystkich i proszę o pomoc w rozwiązaniu problemu :D

    Zakupiłem jakiś czas temu gazetkę "Nowy elektronik" skuszony "programowalnym termostatem czterokanałowym ".
    W czasopiśmie zamieszczony był szczegółowy schemat oraz KOD PROGRAMU napisany w języku Bascom.
    Termostat został zmontowany na oryginalnej płytce jaka otrzymałem w gratisie od czasopisma (za co dziękuję).

    Problem pojawił się jednak podczas przepisywania programu do Bascom-a, jest kilka linijek kodu który jest (dla mnie) nie zrozumiały.
    Niestety nie mogę zamieścić tu całego kodu, gdyż pewnie autor nie był by zadowolony...

    Może komuś z was udało się uruchomić ten układ z tej właśnie gazetki ????
    Proszę o jakieś wskazówki i kontakt.


    Kilka linków układu które udało mi się znaleźć w sieci (więc mogę umieścić)
    NE399-K
    Opis układu bez kodu:D

    Po co to jest w komentarzu ??

    Programowalny termostat czterokanałowy

    oczywiście w ramach sprostowania przepisany program niestety nie działa :D
  • REKLAMA
  • #2 8194503
    Logan
    Poziom 30  
    Może napisz te linijki, tak będzie prościej.
  • REKLAMA
  • #3 8196222
    sp3ots
    Poziom 38  
    Witam !
    Przed wgraniem tego kodu należy bardzo się zastanowić.
    Ponieważ autor programu wykorzystał wszystkie piny Atemegi8, nawet pin reset.
    Programowalny termostat czterokanałowy
    Nie przestawienie tego pinu być może powoduje nie działanie programu ?
    Tu najlepiej by było aby się wypowiedział Ktoś bardziej doświadczony ode mnie.
    Do prób dobrze by było zrezygnować z jednego toru pomiarowego, ale czy to jest proste do zrobienia ?
    Jeśli przestawisz pin RESET jako IN/OUT to stracisz możliwość programowania
    programatorem ISP, pozostanie tylko programowanie programatorem równoległym.
    Pozdrawiam. Stefan
  • REKLAMA
  • #4 8196557
    jacxek
    Poziom 11  
    Witam !

    Ryzyko istnieje oczywiście ja jednak wykorzystuje do jej odblokowania "rezurektor-a" :)

    Udało Ci się napisać działający program ??
    Może masz jakieś doświadczenia z tym kodem ??

    Program został przepisany kilkukrotnie jednak niestety działać nie chce (oczywiście się kompiluje)

    Z góry dzięki za pomoc

    Pozdrawiam Jacxek :)
  • REKLAMA
  • Pomocny post
    #5 8196611
    sp3ots
    Poziom 38  
    Ja tego kodu nie przepisywałem, nie miałem takiej potrzeby.
    Inne listingi z Ne przepisywałem, zawsze miałem problemy z przepisywaniem, ale
    zawsze po dokładnym sprawdzeniu okazywało się że to ja popełniłem błąd.
    Radzę Tobie sprawdzić kod po raz kolejny aż zacznie działać.
    Ci widać na wyświetlaczu ?
    Jakim Bascomem AVR kompilujesz, 1.11.7.4 ? To ważne !
    Pozdrawiam. Stefan GG6293398

    Witam ponownie !
    Przy pomocy odpowiedniego programu przepisałem listing z Ne 2005.04 str4,
    i po usunięciu wielu błędów pisarskich udało mi się doprowadzić do tego że Bascom nie wykrywa już błędów. Program wgrałem do ATmega8 ( fusy fabryczne ) po podłączeniu tylko wyświetlaczy 4 x LED udało mi się uzyskać ( po włączeniu ) efekt zapalających się kolejno segmentów d poszczególnych wyświetlaczy.
    Ciekaw jestem jaki efekt udało się Tobie uzyskać ?
    Pozdrawiam. Stefan GG6293398
  • #6 8203910
    jacxek
    Poziom 11  
    Witam !!

    Ja jak pisałem w bascom-1.11.9.0 wiec to może być problemem.

    Efekt był u mnie taki że segmenty zapalały się przez chwile w chaotyczny sposób
    za każdym razem inaczej. Ja mam problem ze zdobyciem wersji 1.11.7.4 bascom-a
    wiec nie mam w czym z kompilować starego kodu.


    Pozdrawiam Jacxek
REKLAMA