logo elektroda
logo elektroda
X
logo elektroda
REKLAMA
REKLAMA
Adblock/uBlockOrigin/AdGuard mogą powodować znikanie niektórych postów z powodu nowej reguły.

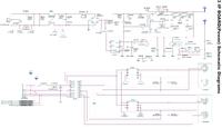
Samsung 940n(LS19HAA)-zawyżone napięcie 13V

picia22 29 Cze 2010 11:19 2711 4
REKLAMA
  • #1 8242975
    picia22
    Poziom 27  
    Witam monitorek z wymęczonym zasilaczem, kondzie wymienione, zimne i przegrzane luty usunięte, 5V prawidłowe, natomiast napięcie 13v zawyżone na 17V. Bezpiecznik F301 spalony, trafa pomierzone - oporność 1,3k na uzwojeniach roboczych. Bezpiecznik mam nowy kupiony, ale czy można to odpalać na tak zawyżonym napięciu? Czy napięcie spadnie pod obciążeniem? Albo co jeszcze posprawdzać?


    Odpaliłem na nowym bezpieczniku zasilacz smiga podświetlenie jest ale napiecie 13v wynosi 18,5v .

    Na forum obowiązują zasady poprawnej pisowni (regulamin pkt 15) - zdania rozpoczynamy z wielkiej litery, kończymy kropką. Proszę o tym pamiętać. Tym razem poprawiłem. [ogryz]
  • REKLAMA
  • #2 8245873
    gradek83
    Poziom 42  
    Jeśli działa i nic się nie grzeje to w czym problem. Nie zawsze jest tak jak książka pisze.
  • REKLAMA
  • #3 8246062
    picia22
    Poziom 27  
    Boje się że przy tym napięciu długo nie pochodzi Kondzie są na 16 V w stawie na 25v.Trochę czytałem o tych przetwornicach i kolega lisek opisywał jedną i własnie coś było że jest napięcie za wysokie i po czasie ulegało awarii.Diody Zenera posprawdzałem są sprawne.
  • REKLAMA
  • #4 8246829
    gradek83
    Poziom 42  
    Ale wsadź nowe nie z odzysku te kondensatory ogólnie lepiej wymień na te 25V.
    Samsung 940n(LS19HAA)-zawyżone napięcie 13V Samsung 940n(LS19HAA)-zawyżone napięcie 13V
  • #5 8246888
    picia22
    Poziom 27  
    Ja wlutowuje zawsze nowe kondzie, ale się tak zastanawiam bo stabilizacja napięcia jest na tl431 i ma pomiar 5v i 13v jak by był walnięty to 5 v tez by odjechało do góry.

    Usterka usunięta wymiana diody MBRF20100 na nowa stabilizacja prawidłowa 13V.Dzięki wszystkim za pomoc.
REKLAMA