logo elektroda
logo elektroda
X
logo elektroda
REKLAMA
REKLAMA
Adblock/uBlockOrigin/AdGuard mogą powodować znikanie niektórych postów z powodu nowej reguły.

Fiat Uno, po przełożeniu silnika na wtrysk, auto nie odpala.

mnieks24 01 Lip 2010 00:38 6632 14
REKLAMA
  • #1 8249446
    mnieks24
    Poziom 10  
    Witam! Znajomy w Fiacie Uno przełożył silnik z gażnikowego na monowtrysk. Niby wszystko podłączył, Pompka paliwa kręci się cały czas, nie wyłącza się, a silnik nie chce zapalić. Proszę poradźcie.
  • REKLAMA
  • #2 8249476
    maniek2591
    Poziom 19  
    a iskra jest?
  • #3 8249521
    RobertLodz09
    Poziom 30  
    Kolego proponuje abyś to Uno dał do "sprawdzenia" elektromechanikowi który sprawdzi co ten też twój znajomy zrobił za "przekładkę"! Zbiornik paliwa też przekładał? Uno na wtrysku ma inny ,dostosowany do mocowania pompy paliwa. No itd. Nie wiem czy wiesz ? Pompa paliwa po przekręceniu stacyjki działa tylko moment -około 2 sek. (wyrównuje ciśnienie w układzie) i dopiero po uruchomieniu silnika zaczyna dalej "działać" tj. tłoczyć paliwo! Pozdrawiam!
  • REKLAMA
  • #4 8249807
    mnieks24
    Poziom 10  
    Iskra jest. Zbiornik oczywiści też przełożył. Pompa paliwa kręci bez przerwy po przekręceniu stacyjki, a paliwo wraca tzw. powrotem do zbiornika. Auto nie chce odpalić.
  • Pomocny post
    #5 8250212
    RobertLodz09
    Poziom 30  
    A co już sprawdziliście prócz tego że pompa cały czas pracuje po przekręceniu stacyjki? (Co nie powinno mieć miejsca ,ale skoro wiecie lepiej). No przepraszam macie jeszcze sprawdzoną iskre ,a wtryskiwacz się otwiera? Podaje paliwo? Sprawdzaliście? A co na te objawy tj. braku możliwości uruchomienia silnika "znajomy" który to przełożył? Pozdrawiam!
  • REKLAMA
  • #6 8250253
    SP8JZ
    Poziom 33  
    To wygląda na nieprawidłowości z przekaźnikami. Jaki silnik 1.4? Znasz kod silnika? . Chyba nie zmierzyłeś sygnału sterowania wtrysku
  • #7 8250332
    mnieks24
    Poziom 10  
    Tak to silnik 1.4. Tak myślałem że to może coś ze starowaniem z przekaźnika.A GDZIE ZNAJDĘ TEN PRZEKAŹNIK??? Wiem na pewno że paliwo nie jest podawane do silnika. Dlaczego? Nie rozumiem dlaczego też nic nie rozłącza pompy? Po uzyskaniu pewnego ciśnienia pompa powinna być rozłączona, czyż nie? Nie wiem jak się za to zabrać.
  • Pomocny post
    #8 8250478
    SP8JZ
    Poziom 33  
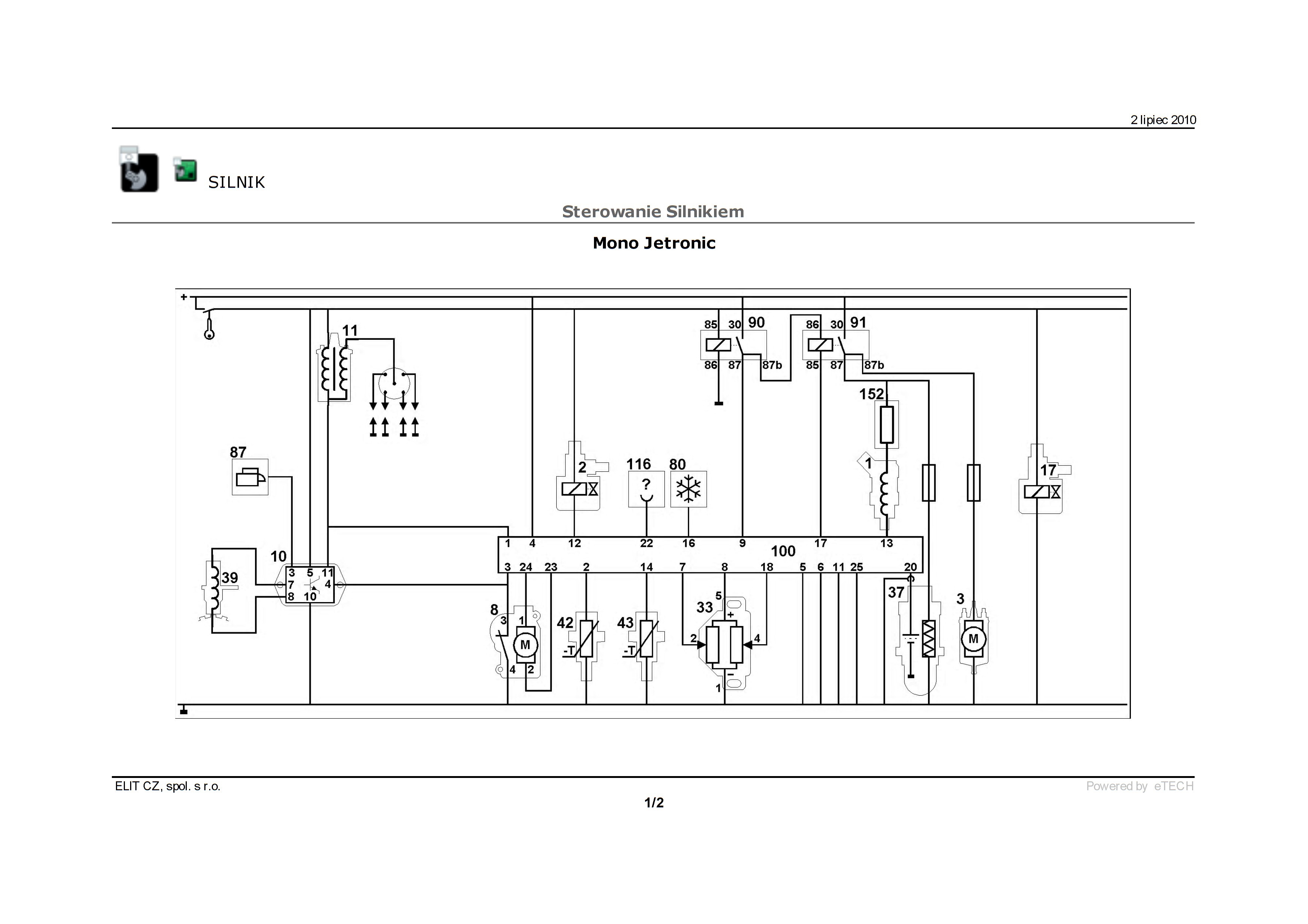
    Przyjrzyj się bezpiecznikom, gdzie masz teraz zrobione? Wtrysk, czujnik tlenu i pompka to ten sam obwód zasilania. Rezystor OK? Schemat się zgadza?
    Fiat Uno, po przełożeniu silnika na wtrysk, auto nie odpala. Fiat Uno, po przełożeniu silnika na wtrysk, auto nie odpala.
    Pompką za pośrednictwem przekaźnika 91 steruje ECU sygnałem masy. Przekaźnik 90 spełnia funkcję ochrony stacyjki przed przeciążeniem
  • #9 8250530
    mnieks24
    Poziom 10  
    Może teraz to pytanie co zadam będzie głupie, ale muszę! Czy przełożenie tych silników wymaga przełożenia puszki bezpieczników? Wydaje mi się że silnik mono potrzebuje więcej zabezpieczeń niż gaźnik. I czy sterowanie silnikiem znajduje się gdzieś poza silnikiem?
  • REKLAMA
  • #10 8250587
    SP8JZ
    Poziom 33  
    Bezpieczniki swoją drogą. Też bym wolał nie pytać. Przełożyliśta pany ECU?
  • #11 8252566
    mnieks24
    Poziom 10  
    Bardzo przepraszam za pytanie o biezpiecznikach itp. Wszystko jest przełożone tak jak trzeba i również podłączone ok. Mój wniosek taki że chyba przekaźnik nie ma zasilania. Paliwo do silnika nie dociera pompa po wyrównaniu ciśnienia nie wyłącza się. O co chodzi? Jeśli się mylę to proszę wyprowadźcie z błędu i pokierujcie co mam po kolei sprawdzać i jak?
  • #12 8252793
    SP8JZ
    Poziom 33  
    Coś mi mówi, że macie źle podłączone bezpieczniki. W tamtym samochodzie były w skrzynce pod kierownicą i nie trzeba jej przekładać i najlepiej zrobić to jak np w starym punto itp. Jest to dość prosty układ, pisałem Ci że wtrysk, pompka i czujnik tlenu to ten sam obwód nie jesteś w stanie tego sprawdzić to potrzebujesz po prostu elektryka, który zrozumie schemat daj mu go do ręki i do dzieła bo będziemy się rozpisywać w nieskończoność wiązka zapewne jest wycięta niekompletna itp. już nie mówię o zagrożeniu stworzonym brakiem bezpieczników
    Fiat Uno, po przełożeniu silnika na wtrysk, auto nie odpala.
  • #13 8252813
    RobertLodz09
    Poziom 30  
    To jest to co pisałem już wcześniej aby z taką "wiedzą" to dali to swoje "dzieło" do sprawdzenia elektromechanikowi. Pozdrawiam!
  • #14 8252934
    SP8JZ
    Poziom 33  
    I będzie miał pewność, że nie jeździ na bombie z opóźnionym zapłonem :D
  • #15 8254149
    Pawel wawa
    VIP Zasłużony dla elektroda
    Zamykam, robi się niebezpiecznie, autor nie ma żadnego pojęcia o tym co robi. Tylko elektryk pomoże.
REKLAMA