logo elektroda
logo elektroda
X
logo elektroda
REKLAMA
REKLAMA
Adblock/uBlockOrigin/AdGuard mogą powodować znikanie niektórych postów z powodu nowej reguły.

Problem z elektryką Fiat CC700

rafal_piekary 09 Lip 2010 23:08 3591 5
REKLAMA
  • #1 8278559
    rafal_piekary
    Poziom 11  
    Witam.

    Zanim opiszę problem, informuję iż przeszukałem wszystkie możliwe tematy na forum i przekopałem połowę instalacji w moim cienkim.

    Jakiś czas temu dorobiłem sobie dodatkowe gniazdo zapalniczki, korzystając z kostki oryginalnej zapalniczki. Niedawno (jakoś na początku wiosny) zaczęły się problemy z ogrzewaniem tylnej szyby - po włączeniu podziałało kilka minut i kontrolka zaczynała przygasać, aż całkowicie się wyłączała. W tym momencie przestawała na chwilę działać zapalniczka, awaryjne, radio i oświetlenie kabiny. Na dzień dzisiejszy nie działa nic z w/w i dodatkowo nie działa klakson. Bezpieczniki sprawdzone i sprawne. Po wciśnięciu klawisza awaryjnych nie działają kierunki (czyli przełącznik odcina zasilanie przerywacza), przy włączeniu klawisza ogrzewania szyby słychać przekaźnik ale kontrolka się nie świeci (napięcia na stykach ogrzewania szyby też nie ma), oświetlenie kabiny - brak, kable przy wtyku radia (zasilanie i zasilanie do awaryjnych) połączone prawidłowo lecz brak napięcia.

    Czy ktoś z forumowiczów spotkał się już z takim felerem? Może ktoś zna lepiej instalację w CC i potrafi mnie naprowadzić w którym miejscu mogę szukać problemu? Mam książkę Sam naprawiam CC, lecz gubię się w tych schematach lub - co być może bardziej prawdopodobne - ktoś zamieszał wcześniej w tej elektryce (jestem kolejnym posiadaczem auta).

    Bardzo proszę o pomoc, za tydzień mam przegląd techniczny i nie chcę niespodzianek.

    Pozdrawiam
    Rafał
  • REKLAMA
  • #2 8278676
    jawiczka
    Poziom 28  
    Od klemy plusowej odchodzą, jeśli dobrze pamiętam dwa ciensze przewody schodzą poniżej akumulatora i jest złącze takie większe na dwa piny, zobacz czy tam Ci nie skorodowało, a to są główne zasilania całej instalacji.
  • REKLAMA
  • #3 8278741
    rafal_piekary
    Poziom 11  
    Już to też sprawdziłem. Poza wymienionymi wszystko działa jak należy - jest podświetlanie, światła działają, kierunki też, dmuchawa, przeciwmgielne, tył wycieraczka i spryskiwacz. Jutro jeszcze raz demontuje kokpit i sprawdzę dokładnie każdy z kabelków. Może coś przeoczyłem.
    Jednakże, gdyby ktoś orientował się co to może być i gdzie szukać to poproszę o radę.

    PS: Jeśli chodzi o podłączenie radia, było przerabiane tak, by działało po wyłączeniu stacyjki, ale kto i jak to robił - nie mam pojęcia - taką info otrzymałem od poprzedniego właściciela.
  • REKLAMA
  • Pomocny post
    #4 8278860
    JCK
    Poziom 25  
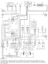
    Ze schematu jaki pobrałem z sieci wynika, że czerwony przewód, który trafia na bezpiecznik nr 1 po nim zasila klakson.
    Od tego czerwonego odchodzi drugi czerwony i przez przekaźnik, przewód czerwono-żółty i bezpiecznik nr 2 zasila szybę ogrzewaną i jej lampkę kontrolną.
    Sprawdź czy masz napięcie na bezpieczniku nr 1, ma być tam zawsze.Sprawdź np. żarówką 21W z dołączonymi przewodami dotykając bezpiecznika i masy pojazdu.
    Podejrzanym jest przewód czerwony (może być grubszy) lub gniazda konektorowe w pobiżu bezpiecznika nr 1 łączące dwa czerwone przewody. (99,99 % pewności)
    Uważaj to jest bezpośrednie połączenie z aukumulatorem abyś nie zwarł do masy bo jeszcze auto sobie zfajczysz.
    Choć pisałeś, że sprawdzałeś przewody przy akumulatorze, sprawdź także przy alternatorze, bo schemat pokazuje, że tam jest dołaczony podejrzany czerwony( połączenie do auku).
    Bywa że pod wpływem temperatury izolacja się topi i połaczenie przewodu z konektorem "puszcza".
    Problem z elektryką Fiat CC700
    Problem z elektryką Fiat CC700
  • REKLAMA
  • #5 8279098
    domellus
    Poziom 29  
    Wg. mnie to będzie pewnie do wymiany kokpit z bezpiecznikami. Przegrzany lub przepalony. Oczywiście mogę sie mylić :)
  • #6 8281022
    rafal_piekary
    Poziom 11  
    Dziękuję za podpowiedzi...
    Kol. JCK, chyba trafiłeś w sedno, nie mam napięcia na bezpieczniku. Nie zdążyłem już dzisiaj sprawdzić dlaczego, ale w poniedziałek się tym zajmę...
REKLAMA