logo elektroda
logo elektroda
X
logo elektroda
REKLAMA
REKLAMA
Adblock/uBlockOrigin/AdGuard mogą powodować znikanie niektórych postów z powodu nowej reguły.

Przerabianie filtra subsonicznego

kremien 10 Lip 2010 09:23 1233 7
REKLAMA
  • #1 8279121
    kremien
    Poziom 11  
    Witam
    Potrzebny mi jest aktywny filtr subsoniczny do auta, jednak nie mogę znaleźć nic na alledrogo, więc zacząłem szukać schematów i chciałem zrobić taki filtr sam. Sęk w tym, że na elektronice się za bardzo nie znam, choć potrafię zbudować taki układ ze schematu. Jednak na necie znalazłem wyłącznie filtry zasilane napięciem symetrycznym. Ponieważ wzmak jest na gwarancji to nie chcę go rozkręcać i w efekcie nie mam skąd wziąć symetrycznego zasilanka. Stąd moja prośba o odpłatne wykonanie takiego filtra, bądź przerobienie schematu jakiegoś filtra tak, żeby był on zasilany 12V.
    Interesuje mnie wyłącznie odcinanie pasma od dołu ze spadkiem 24dB, lub jeszcze lepiej filtr 6 rzędu (36dB) czyli HPF najlepiej z regulacją potencjometrem, zasilane z 12V. Ma to być podpięte pod głośnik intertechnik MDS08, obudowa strojona na 39hz, a częstotliwość rezonansowa głośnika to 25hz.
    Absolutnie żadnych LPF, podbić, bajerów, ponieważ we wzmacniaczu mam bardzo fajną zwrotnicę.
    Najpopularniejszy filtr jaki znalazłem: Link
    Bardzo proszę o pomoc. Zależy mi na tym
    Pozdrawiam
  • REKLAMA
  • REKLAMA
  • #3 8281116
    kremien
    Poziom 11  
    MAREK MRK napisał:
    Polecam użyć przycisku "Szukaj". Jest tego dużo opisane na elektrodzie.


    Szukałem szukałem. Owszem jest trochę projektów, ale nie na 12V
  • REKLAMA
  • #5 8281442
    kremien
    Poziom 11  
    MAREK MRK napisał:
    Na kiedy Ci to potrzebne kolego?? Gdzieś na dysku mam schemat, tylko musiał bym przegrzebać.


    No wiesz to nie jest paląca sprawa, ale fajnie by było w tygodniu jakoś, bo mam jeszcze tydzień urlopu. W każdym razie jak się przyznałeś, że masz to już Ci nie odpuszczę :P
  • REKLAMA
  • #6 8281798
    MAREK MRK
    Poziom 18  
    Ok, to zacznę przegrzebywać HDD.

    Dodano po 4 [godziny] 47 [minuty]:

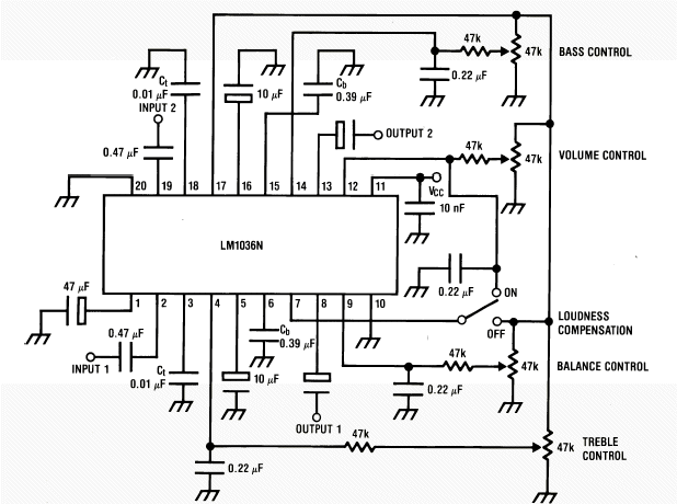
    Przerabianie filtra subsonicznego
    Na razie znalazłem to. Zasilanie jest od 9v do 16v
  • #7 8283049
    kremien
    Poziom 11  
    Bardzo dziękować. I to tak z pocałowaniem ręki. Przy okazji wystarczy wpisać w google symbol tego scalaka i ze 100 projektów pokazuje :) Ten konkretnie o ile się dobrze orientuję nie obcina pasma od dołu. A mi właśnie konkretnie tylko na tym zależy, żeby obcinał do 30hz. Ale mam już punkt zaczepny, gdzie dalej szukać. Jeszcze raz podziękował. Jak znajdę coś, co bardziej spełni moje oczekiwania to umieszczę tutaj
  • Pomocny post
    #8 8283070
    MAREK MRK
    Poziom 18  
    Proszę bardzo. Wszystko można wyregulować za pomocą potencjometrów.
    Powodzenia życzę.
REKLAMA