logo elektroda
logo elektroda
X
logo elektroda
REKLAMA
REKLAMA
Adblock/uBlockOrigin/AdGuard mogą powodować znikanie niektórych postów z powodu nowej reguły.

Monitor LCD E-Yama 17LP2 nie działa inwerter

Piasecki Bogusław 14 Lip 2010 15:01 9744 4
REKLAMA
  • #1 8291319
    Piasecki Bogusław
    Poziom 24  
    Witam.
    Na module inwertera i zasilacza, rozerwany U101 / 4606 i mocno przegrzane okolice trafka T102. Dodatkowo spuchnięte C101 i C105 / 150mF25V.

    Dane modułu:
    860-ALZ-M713-F
    BF2345695G
    LC-02V0
    AI-0088

    Gdzie można dostać taki sterownik (U101) a najlepiej cały zasilacz w rozsądne cenie?
    Dziękuję i pozdrawiam.
  • REKLAMA
  • Pomocny post
    #2 8293800
    lisek
    Serwisant RTV
    W LCD E-Yama (chińska produkcja dla japońskiej firmy Yama, czyli "dolna" półka) 17NE1-S bywał inwerter Sumida IV90110/T.
    http://www.lcdpart.com/doc/inverter.html

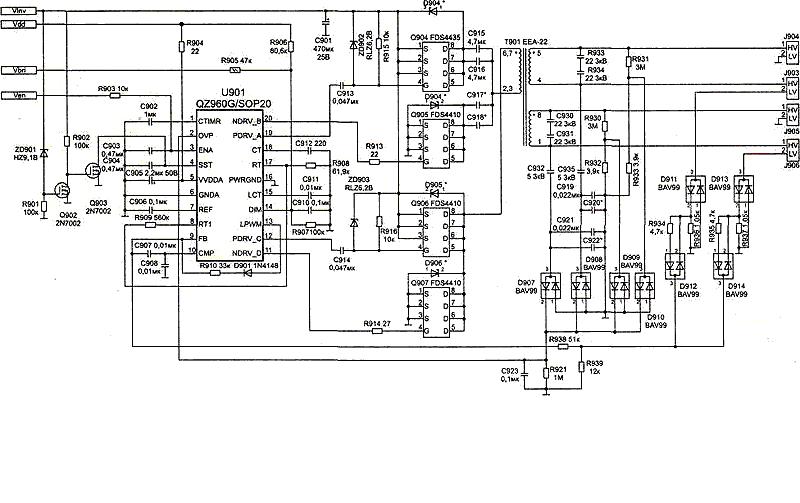
    Podobny był w Acer 1714 i ProView UK713. Stosowano polowe kmplementarne (po dwa na trafko) IRF7413 i IRF7416 lub w oryginale FDS4410 i FDS4435 (czasem FSS134 i FSS234) + układ scalony OZ960, czasem FDS4435 (dwa polowe z р-channel) i FDS4410 (dwa polowe z n-ch).
    Matryca od AUO PV170LCM C02 (M170E5-P03) M170EG01.

    Monitor LCD E-Yama 17LP2 nie działa inwerter

    p.s.

    Inwerter AI-0088 jest na BIT3119G + MOSFET 4606.
  • REKLAMA
  • #3 8298393
    Piasecki Bogusław
    Poziom 24  
    W moim przypadku U103 to BIT3193G.
  • REKLAMA
  • #5 8318317
    Piasecki Bogusław
    Poziom 24  
    Naprawa zakończona, monitor sprawny. Wymienione U101 / AO4606 oraz C101 i C105, oba 150mF25V wymienione na 100mF25V. Dziękuję za pomoc i pozdrawiam.
REKLAMA