fuelinyourblood napisał: Opisz co się dokładnie dzieje?
Walczyłem kiedyś z takim i albo zrobisz go manualnie, albo jest boschowskie urządzenie diagnostyczne do tych modułów.

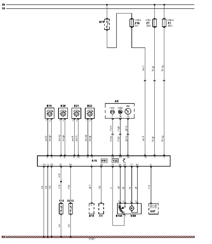
Dokładnie to wyłącza się zasilanie ABSu , i grzeje się jeden z przekaźników umieszczony w bagażniku (z lewej strony przy sterowaniu ABSem)
Zależałoby mi na całym schemacie od czujników do sterowania ABSem ,zasilania sterownika (łącznie z pompą ABSu)