logo elektroda
logo elektroda
X
logo elektroda
REKLAMA
REKLAMA
Adblock/uBlockOrigin/AdGuard mogą powodować znikanie niektórych postów z powodu nowej reguły.

Problem z klimatyzacją Ford Mondeo MK3 TDDI 2001 r.

kordello 17 Lip 2010 22:28 17384 16
REKLAMA
  • #1 8303128
    kordello
    Poziom 10  
    Mam problem z klimatyzacją w Fordzie Mondeo MK3 TDDI 2001 rok. Po odpaleniu silnika gdy jest zimny klimatyzacja chodzi bez zarzutu do momentu kiedy wskazówka temperatury wody dojdzie do połowy to potem klimatyzacja przestaje działać. Może ktoś wie co jest tego przyczyną?

    P.S. klima jest nabita, sprężarka normalnie chodzi.
  • REKLAMA
  • #2 8303667
    radekklimat
    Poziom 21  
    Uszkodzony czujnik temperatury wody(ten od klimy) przy termostacie na silniku.
  • #3 8304768
    kordello
    Poziom 10  
    czy to jest jeden czujnik od klimy i od wody ?
  • REKLAMA
  • #4 8305644
    radekklimat
    Poziom 21  
    dwa oddzielne
  • #5 8306151
    kordello
    Poziom 10  
    a w którym konkretnie miejscu znajduje się ten czujnik od klimatyzacji?
  • #6 8306372
    carsmot
    Poziom 19  
    czujnik temp. wody od klimy ? A ja myślałem że problem jest opisywany w
    Fordzie Mondeo ,a nie w Volkswagenie . Sprawdź sprężarkę a dokładniej sprzęgło . Raczej standardowy problem w Fordzie.
  • REKLAMA
  • #7 8306404
    Scalak5
    Poziom 23  
    radekklimat napisał:
    Uszkodzony czujnik temperatury wody(ten od klimy) przy termostacie na silniku.

    Wszyscy chętnie się dowiemy gdzie jest ten czujnik.
    Osobiście nie słyszałem o czujniku wody do klimatyzacji w Fordzie
    W tym silniku jest tylko czujnik temperatury głowicy.
    Sprawdź pracę wentylatorów po odpaleniu klimy powinny cały czas pracować na wolnych obrotach/jak się włączają co jakiś czas to jest uszkodzony rezystor/.
  • #8 8306411
    carsmot
    Poziom 19  
    Właśnie.......To nie VW
  • #9 8307060
    radekklimat
    Poziom 21  
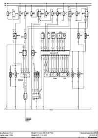
    Problem z klimatyzacją Ford Mondeo MK3 TDDI 2001 r.

    Problem z klimatyzacją Ford Mondeo MK3 TDDI 2001 r.

    Zaznaczony na schemacie czujnik
  • REKLAMA
  • #10 8308141
    carsmot
    Poziom 19  
    radekklimat znasz angielski ?
  • #12 8308882
    kordello
    Poziom 10  
    Po odpaleniu klimy na zimnym silniku wentylatory włączają się co jakiś czas. Więc jeżeli to jest uszkodzony rezystor to w którym miejscu się on znajduje?
  • #13 8308906
    Scalak5
    Poziom 23  
    Jak stoisz to po stronie akumulatora w dolnym prawym rogu wentylatorów/wypalone styki wtyczki i rezystora/
  • #14 8309741
    carsmot
    Poziom 19  
    Przecież zaznaczyłeś na schemacie temperatury silnika samochodu a nie klimatyzacji . W Fordzie nie ma osobnego czujnika temp. silnika do klimatyzacji
  • #15 8312383
    radekklimat
    Poziom 21  
    Tak czy inaczej to moduł od tego czujnika steruje cewka przekaznika sprzegła klimy.
  • #16 8340949
    kordello
    Poziom 10  
    Czy można rezystor do wentylatorów do Mondeo MK3 włożyć z Mondeo MK2 z 1998 r. ?
  • #17 8353354
    carsmot
    Poziom 19  
    Ale moduł do którego jest podłączony ten czujnik to sterownik silnika .....
REKLAMA