logo elektroda
logo elektroda
X
logo elektroda
Adblock/uBlockOrigin/AdGuard mogą powodować znikanie niektórych postów z powodu nowej reguły.

[Atmega32] SD, Jak podłączyć LCD, czy mam dobry schemat ?

vooltano 18 Lip 2010 20:13 4149 12
  • #1 8305770
    vooltano
    Poziom 14  
    Witam !
    Ostatnio postanowiłem zaprojektować schemat gniazda SD, LCD od Nokii 6610 podłączonego pod Atmege32, ale ponieważ nigdy nie miałem nic wspólnego z Atmegą nie wiem jak podłączyć lcd i czy szchemat jest dobry.Bardzo prosiłbym o pomoc.
    Pozdrawiam vooltano.
    [Atmega32] SD, Jak podłączyć LCD, czy mam dobry schemat ?
  • Pomocny post
    #2 8305972
    landy13
    Poziom 31  
    W temacie LCD od Nokii Ci nie pomogę, ale masz niekompletne zasilanie i brak kondensatorów.
    Cytat:
    ...ponieważ nigdy nie miałem nic wspólnego z Atmegą ...
    Czyżby? A to?
  • #3 8306004
    vooltano
    Poziom 14  
    Tak ale chodziło mi o część praktyczną, dziękuję.
    Jakich dokładnie elementów i gdzie ich brakuje ?
  • Pomocny post
    #4 8306044
    landy13
    Poziom 31  
    vooltano napisał:
    Jakich dokładnie elementów
    100nF


    vooltano napisał:
    gdzie ich brakuje
    Na zasilaniach.
    Zalecane jest także podciągnięcie resetu.
  • #5 8306066
    vooltano
    Poziom 14  
    Czyli na zasilaniach Atmegi,LCD i karty pamięci, czy tak ?
    Czy w takim razie nie potrzebny jest kondensator 1uF ?
  • Pomocny post
    #6 8306102
    landy13
    Poziom 31  
    vooltano napisał:
    Czyli na zasilaniach Atmegi,LCD i karty pamięci, czy tak ?
    Tak.


    Cytat:
    Czy w takim razie nie potrzebny jest kondensator 1uF ?
    Kondensatorów nigdy za dużo. Elektrolit mógłby być nawet większy, np. 10-47µF


    Jak będziesz pytał o takie rzeczy, to zaraz temat będzie w koszu jako zaniżający poziom.
  • #7 8306209
    vooltano
    Poziom 14  
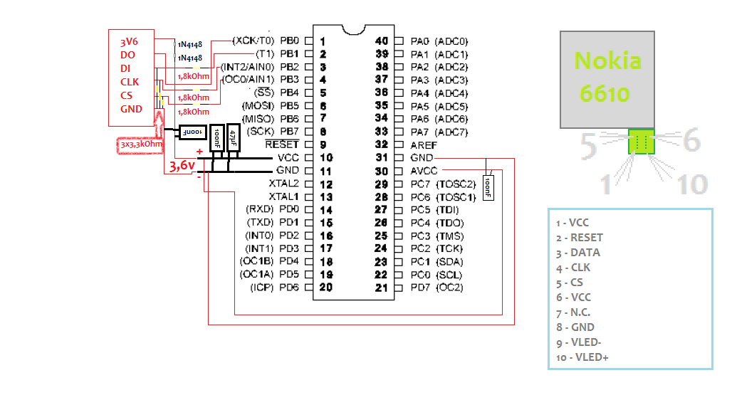
    Dziękuję za cenne wskazówki tutaj naniosłem poprawki :
    [Atmega32] SD, Jak podłączyć LCD, czy mam dobry schemat ?
    Tutaj poprawiony schemat :
    [Atmega32] SD, Jak podłączyć LCD, czy mam dobry schemat ?
  • #8 8306248
    landy13
    Poziom 31  
    Jakoś nie czytasz ze zrozumieniem. A gdzie zasilanie AVCC?
  • #9 8309190
    szaro
    Poziom 19  
    Zapytam tak z czystej ciekawości, dlaczego nie podpinasz karty przez sprzętowe SPI ?
  • #10 8309328
    rpal
    Poziom 27  
    ten wyświetlacz zdaje się pracuje w logice 3,3V więc konieczne jest dopasowanie poziomów napięć albo zasilanie procka z niskiego napięcia 3,3V.
  • #11 8311416
    vooltano
    Poziom 14  
    Widziałem na jakiejś stronie że zasilanie było dla lcd 3,6v.
  • #12 8313426
    rpal
    Poziom 27  
    Jeśli procek i lcd będzie zasilany tym samym napięciem to w ogóle nie ma potrzeby dopasowania, co się tyczy zasilania LCD to przyznam że nie pamiętam czy jest tam 3,3 czy 3,6. Wyberz tylko procka który będzie chodził przy tym zasilaniu.
  • #13 8313475
    gaskoin
    Poziom 38  
    i zainstaluj sobie Eagla
REKLAMA