logo elektroda
logo elektroda
X
logo elektroda
REKLAMA
REKLAMA
Adblock/uBlockOrigin/AdGuard mogą powodować znikanie niektórych postów z powodu nowej reguły.

Zmywarka Bosch SRI4672EU nie pobiera wody +uszk. elektronika

robbyrob 21 Lip 2010 13:47 16387 5
REKLAMA
  • #1 8315013
    robbyrob
    Poziom 11  
    Zmywarka Bosch SRI4672EU obecnie nie pobiera wody. Na początku nie wylewała wody - wyczyściłem przytkane rury odpływowe, obie pompy, płaszcz, hydrostat. Po ponownym złożeniu zmywarka nie pobiera wody. Woda dochodzi do elektrozaworu, elektrozawór sprawny (podanie napięcia z zewnątrz powoduje napełnienie płaszcza). Po włączeniu zmywarka odpompowuje wodę, ale ani nie ciągnie wody do płaszcza, ani z płaszcza nie wypuszcza dalej, po chwili włącza się pompa główna + grzałka i program przechodzi do końca bez pobrania wody. Postanowiłem sprawdzić programator i mam problem. :cry: Podczas sprawdzania przekaźnika "zaświecił" się element na zdjęciu - chyba dioda (dochodzi do cewki przekaźnika). Niestety nie ma na niej żadnych opisów. Czy ktoś mógłby podać jaka to dioda żebym mógł wymienić?, Co jeszcze można sprawdzić w zmywarce po wymianie diody??

    Zmywarka Bosch SRI4672EU nie pobiera wody +uszk. elektronika

    Po sprawdzeniu okazało się że jeden z dwóch przekaźników (JQ1a-5V) ma chyba wypalone styki bo po załączeniu pokazuje 500Ω do 2000Ω. Zamówiłem - nowy będzie za kilka dni. Pozostaje tylko pytanie co to za dioda zaznaczona w czerwonym kółku. Jest podłączona równolele do cewki przekaźnika. Czy może to być 1N4148?
  • REKLAMA
  • #2 8330748
    TONI_2003
    Moderator
    robbyrob napisał:
    Czy może to być 1N4148?

    Witam.
    Tak tego możesz być pewnym jest to dioda w wersji SMD 1N4148...
    Pozdrawiam Brać lutującą. :D
    PS.
    Te zdjęcia są za słabej jakości.
  • REKLAMA
  • #3 8333950
    robbyrob
    Poziom 11  
    Dzięki za odzew. Dorzucam trochu lepsze zdjęcia. Przekaźnik będzie niestety za ok. 3 tygodnie :-( , jak wszystko poskładam dam znać czy ruszyło.

    Zmywarka Bosch SRI4672EU nie pobiera wody +uszk. elektronika Zmywarka Bosch SRI4672EU nie pobiera wody +uszk. elektronika
  • REKLAMA
  • Pomocny post
    #4 8349871
    Trull
    Poziom 28  
    Przekaźnik odpowiedzialny jest za załączenie grzałki a nie za pobór wody. Na płaszczu masz dwa przełączniki ten na układzie wycieku (czerwona dźwignia leżąca na pływaku) odpowiedzialny jest za zasilanie elektrozaworu sprawdź go.
  • REKLAMA
  • #5 8470118
    robbyrob
    Poziom 11  
    W końcu wymieniłem przekaźnik na sprawny (szedł prawie miesiąc) - niestety dalej jest problem ze zmywarką. Po uruchomieniu dowolnego programu czas jest odliczany a zmywarka nie działa (nie wypuszcza wody, nie wylewa z płaszcza do zmywarki, pompa głowna nie działa). Czas się zatrzymuje na 1min i trwa tak dłuższy czas (sprawdzałem przez godzinę). Sprawdziłem jeszcze raz pompę wyrzutową i jest z nią jakiś problem- zawiesza się. Podanie napięcia czasami ją uruchamia, czasami nie. Gdy się nie uruchomi wystarczy lekko poruszyć łopatkami i zaczyna działać. Niestety gdy pompka jest zamontowana nie ma dostępu do łopatek wirnika. Czy taką pompę można jakoś naprawiać, czy trzeba kupić nową?

    Do Trull - moja zmywarka w instrukcji ma wpisane że ma aquastop ale jest on niepodpięty
    Zmywarka Bosch SRI4672EU nie pobiera wody +uszk. elektronika
    Gdy podepnę wtyczkę to woda jest cały czas pobierana do płaszcza.

    --------
    Podłączyłem pompę spustową i teraz działa wyrzut wody, ale dalej woda nie jest pobierana z płaszcza do zmywarki. Czy ktoś wie jakie są funkcje tych elektrozaworów?
    Zmywarka Bosch SRI4672EU nie pobiera wody +uszk. elektronika
  • #6 8494138
    robbyrob
    Poziom 11  
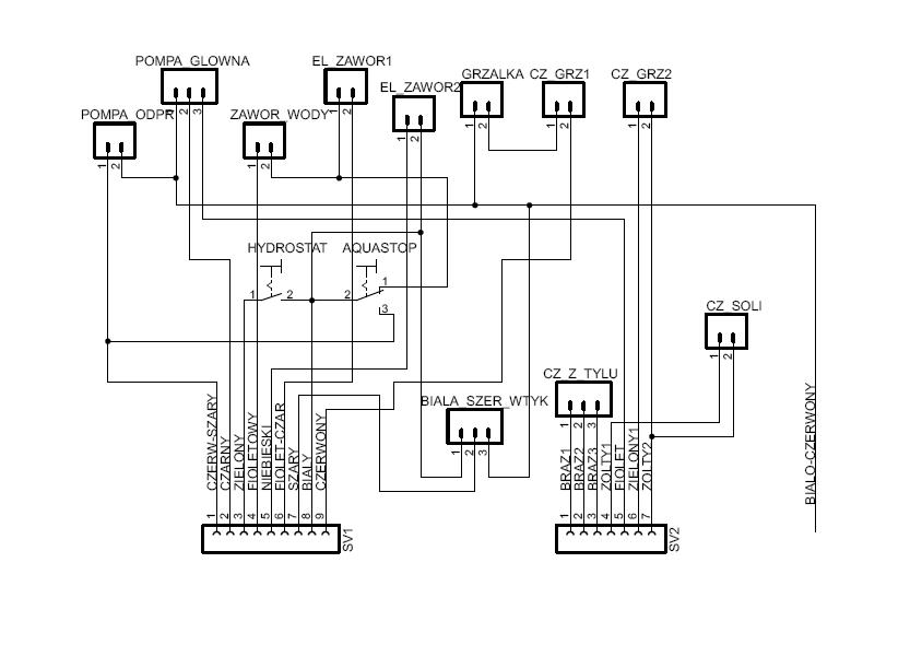
    Witam po przerwie. W końcu udało się zmywarkę uruchomić. Okazało się że była przerwa na kablu podającym sygnał z hydrostatu (zielony przewód - zaśniedziałe styki). Natomiast aquastop był rozłączony bo "pomocna dłoń" (syn chciał naprawiać zmywarkę jak tata) rozpięła przewody przed zrobieniem przeze mnie zdjęć i nie wiedział później jak wpiąć :D. Dopiero po rozrysowaniu wszystkich połączeń sprawa się wyjaśniła. Trull - dzięki za wskazówki - gdy wtyczka od aquastop była niepodpięta elektrozawór nie miał prawa działać.

    Może komuś się przyda: Zmywarka Bosch SRI4672EU nie pobiera wody +uszk. elektronika
REKLAMA