Witam,
z gory zaznaczam ze jestem poczatkujacy w tej dziedzinie. Postanowilem wykonac regulator obrotow wentylatora oparty na ukladzie scalonym LM317T na podstawie https://obrazki.elektroda.pl/45_1237317120.jpg. Przestudiowalem tematy odnosnie ukladu na elektrodzie oraz innych stronach internetowych. Wykonalem bez problemu uklad dla jednego wentylatora, ktory dzialal.
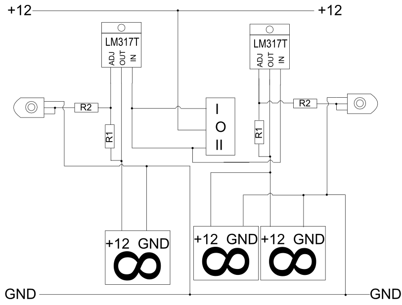
Chce sterowac 3 wentylatorami za pomoca dwoch potencjometrow i wlacznika trojstanowego. Odnosnie tej modyfikacji chcialbym aby ktos sprawdzil schemat elektryczny ktory zrobilem i powiedzial czy to bedzie dzialac zgodnie z zalozeniami. Wlacznik taki jak na obrazku
-w pozycji srodkowej wylacza obie sekcje wentylatorow
-w pozycji I wlacza jedna sekcje (1 wentylator)
-w pozycji II wlacza dwie sekcje (3 wentylatory)
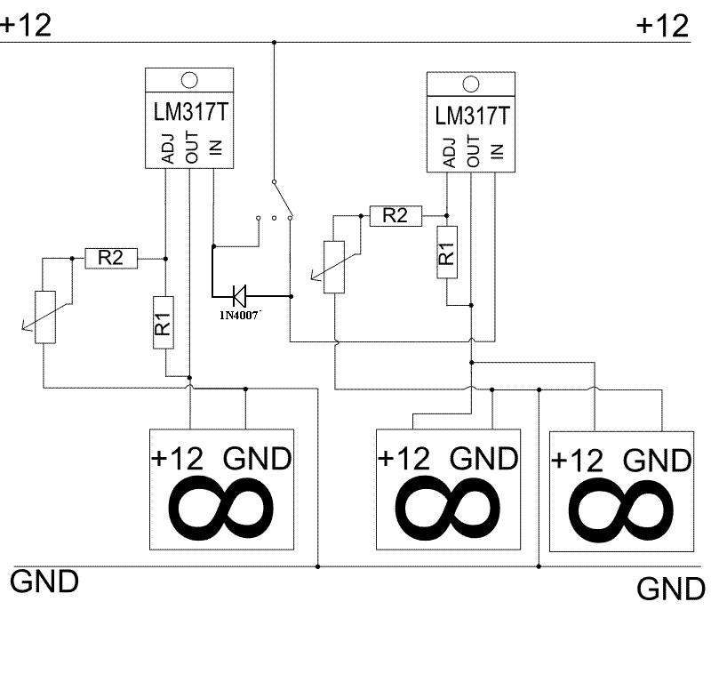
Najpierw wykonalem pseudoschemat na podstawie ponizszego rysunku
Pseudoschemat jest na rys3
Na jego podstawie schemat elektryczny wg ktorego chcialbym budowac regulator
Czy macie jakies zastrzezenia, co do tego ukladu? Czy moge go bezpiecznie realizowac? Mam obawy co do tego wylacznika, czy takie polaczenie moze byc w trybie wlaczenia wszystkich 3 wentylatorow?
z gory zaznaczam ze jestem poczatkujacy w tej dziedzinie. Postanowilem wykonac regulator obrotow wentylatora oparty na ukladzie scalonym LM317T na podstawie https://obrazki.elektroda.pl/45_1237317120.jpg. Przestudiowalem tematy odnosnie ukladu na elektrodzie oraz innych stronach internetowych. Wykonalem bez problemu uklad dla jednego wentylatora, ktory dzialal.
Chce sterowac 3 wentylatorami za pomoca dwoch potencjometrow i wlacznika trojstanowego. Odnosnie tej modyfikacji chcialbym aby ktos sprawdzil schemat elektryczny ktory zrobilem i powiedzial czy to bedzie dzialac zgodnie z zalozeniami. Wlacznik taki jak na obrazku
-w pozycji srodkowej wylacza obie sekcje wentylatorow
-w pozycji I wlacza jedna sekcje (1 wentylator)
-w pozycji II wlacza dwie sekcje (3 wentylatory)
Najpierw wykonalem pseudoschemat na podstawie ponizszego rysunku
Pseudoschemat jest na rys3
Na jego podstawie schemat elektryczny wg ktorego chcialbym budowac regulator
Czy macie jakies zastrzezenia, co do tego ukladu? Czy moge go bezpiecznie realizowac? Mam obawy co do tego wylacznika, czy takie polaczenie moze byc w trybie wlaczenia wszystkich 3 wentylatorow?
