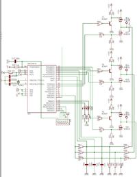
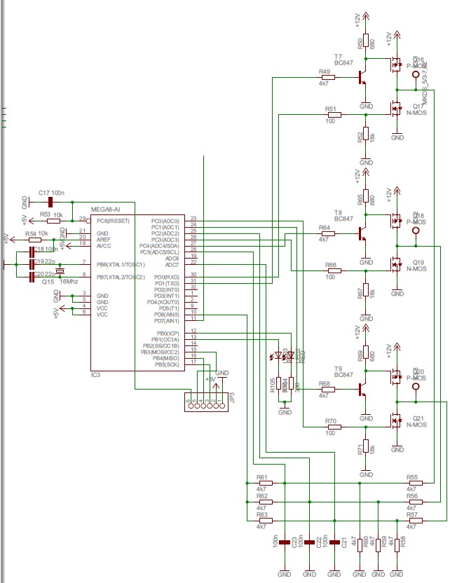
Witam, próbuje napisać program sterujący silnikiem bezczujnikowym BLDC. Zaczerpnąłem schemat ze strony Link i lekko go zmodyfikowałem. Wiem, wiem, na stronce jest również wsad do mikro-kontrolera ale próbuję napisać własny program, tak dla praktyki. Sterownik ma tylko kręcić silnikiem na max'a wiec zmieniłem wyjścia pwm na inne(w sumie mogły zostać stare) Napisałem kilka linii kodu i tu się pojawia problem. Korzystam z różnych not katalogowych z internetu ale wciąż nie udaje mi się uruchomić silnika. Steruje silnikiem wykrywając przejście przez zero napięcia na wolnej fazie. Poniżej zamieszczam kod, jak ktoś ma czas może żuci okiem i zobaczy, dlaczego to nie chce działać. Z góry dziękuję.
Schemat:

//wyjscia tranzystorów mocy, stan wysoki
#define CONNECT_A_H_P PORTD|=0x02 //D1
#define CONNECT_A_H_N PORTD|=0x01 //D0
#define CONNECT_B_H_P PORTC|=0x10 //C4
#define CONNECT_B_H_N PORTC|=0x08 //C3
#define CONNECT_C_H_P PORTC|=0x02 //C1
#define CONNECT_C_H_N PORTC|=0x01 //C0
//wyjscia tranzystorów mocy, stan niski
#define CONNECT_A_L_P PORTD&=~0x02 //D1
#define CONNECT_A_L_N PORTD&=~0x01 //D0
#define CONNECT_B_L_P PORTC&=~0x10 //C4
#define CONNECT_B_L_N PORTC&=~0x08 //C3
#define CONNECT_C_L_P PORTC&=~0x02 //C1
#define CONNECT_C_L_N PORTC&=~0x01 //C0
//definicje właczania fazy od 1-6
#define PHASE_1 {PORTD|=0x02; PORTC|=0x08; }
#define PHASE_2 {PORTD|=0x02; PORTC|=0x01; }
#define PHASE_3 {PORTC|=0x10; PORTC|=0x01; }
#define PHASE_4 {PORTC|=0x10; PORTD|=0x01; }
#define PHASE_5 {PORTC|=0x02; PORTD|=0x01; }
#define PHASE_6 {PORTC|=0x02; PORTC|=0x1B; }
#define PHASE_ALL_H {PORTD|=0x03; PORTC|=0x1B; }
#define PHASE_ALL_L {PORTD&=~0x03; PORTC&=~0x1B;}
//definicje wejść przetworników ADC
#define ADC_A ADMUX=5
#define ADC_B ADMUX=2
#define ADC_C ADMUX=7
//ustawienia diodu zielonej
#define LED_GREEN_ON PORTB|=0x01;
#define LED_GREEN_OFF PORTB&=~0x01;
#define LED_GREEN_ROT PORTB^=0x01;
//definicja zbocza komparatora
#define DETECTION_FALLING_INT ACSR |= 0x02;
#define DETECTION_RISING_INT ACSR |= 0x03;
#define DETECTION_BOTH_INT ACSR &= ~0x03;
//#define DETECTION_FALLING_INT {ACSR &= ~0x03; ACSR |= 0x02; PORTD&=~0x40;}
//#define DETECTION_RISING_INT {ACSR &= ~0x03; ACSR |= 0x03; PORTD|= 0x40;}
//#define DETECTION_BOTH_INT {ACSR &= ~0x03;}
//
#define CENTER_H PORTD|=0x40;
#define CENTER_L PORTD&=~0x40;
#include <avr/io.h>
#include <util/delay.h>
#include <avr/interrupt.h>
#include <avr/signal.h>
int phase=1;
int main(){
int i=4;
DDRD|=0x03; //D0, D1 -wyjscia faz
DDRC|=0x1B; //C0, C1, C3, C4 -wyjscia faz
DDRB|=0x03; //B0, B1 -wyjscia LED
PHASE_ALL_L; //wszystkie fazy na 0
SFIOR|=0x08; //włączenie multipexera komparatora
ADCSRA=0x00; //wyłaczenie przetwornika adc
ADMUX=1; //wejscie komparatora - podłaczone do ADC1
ADCSRA&=~0x80; //wyłaczenie przetwornika ADC
sei(); //włącz obsługe przerwań
ACSR|=0x08; //właczenie przerwań od komparatora
while(1){
/*
PHASE_ALL_L;
PHASE_1;
_delay_ms(i);
PHASE_ALL_L;
PHASE_2;
_delay_ms(i);
PHASE_ALL_L;
PHASE_3;
_delay_ms(i);
PHASE_ALL_L;
PHASE_4;
_delay_ms(i);
PHASE_ALL_L;
PHASE_5;
_delay_ms(i);
PHASE_ALL_L;
PHASE_6;
_delay_ms(i); */
}
}
//przerwanie od komparatora porównującego BMF ze sztucznej masy i jednej fazy
SIGNAL(SIG_COMPARATOR){
LED_GREEN_ROT;
switch (phase){
case 1:{
ACSR&=~0x08; //wyłączenie przerwań od komparatora
PHASE_ALL_L;
PHASE_1;
ADC_C;
DETECTION_FALLING_INT;
phase++;
ACSR|=0x08; //właczenie przerwań od komparatora
break;
}
case 2:{
ACSR&=~0x08; //wyłączenie przerwań od komparatora
PHASE_ALL_L;
PHASE_2;
ADC_B;
DETECTION_RISING_INT;
phase++;
ACSR|=0x08; //właczenie przerwań od komparatora
break;
}
case 3:{
ACSR&=~0x08; //wyłączenie przerwań od komparatora
PHASE_ALL_L;
PHASE_3;
ADC_A;
DETECTION_FALLING_INT;
phase++;
ACSR|=0x08; //właczenie przerwań od komparatora
break;
}
case 4:{
ACSR&=~0x08; //wyłączenie przerwań od komparatora
PHASE_ALL_L;
PHASE_4;
ADC_C;
DETECTION_RISING_INT;
phase++;
ACSR|=0x08; //właczenie przerwań od komparatora
break;
}
case 5:{
ACSR&=~0x08; //wyłączenie przerwań od komparatora
PHASE_ALL_L;
PHASE_5;
ADC_B;
DETECTION_FALLING_INT;
phase++;
ACSR|=0x08; //właczenie przerwań od komparatora
break;
}
case 6:{
ACSR&=~0x08; //wyłączenie przerwań od komparatora
PHASE_ALL_L;
PHASE_6;
ADC_A;
DETECTION_RISING_INT;
phase=1;
ACSR|=0x08; //właczenie przerwań od komparatora
break;
}
}
}
Schemat: