logo elektroda
logo elektroda
X
logo elektroda
REKLAMA
REKLAMA
Adblock/uBlockOrigin/AdGuard mogą powodować znikanie niektórych postów z powodu nowej reguły.

ALAN 109 milczy cisza w głśniku

mamfajnynick 12 Sie 2010 13:11 4924 10
REKLAMA
  • #1 8390735
    mamfajnynick
    Poziom 10  
    Mam problem z radiem Alan 109 .Radio nie odbiera ani nie nadaje,wszystko inne działa jednym słowem milczy cisza w głośniku.Proszę o pomoc
  • REKLAMA
  • REKLAMA
  • #3 8390886
    mamfajnynick
    Poziom 10  
    mamfajnynick napisał:
    Mam problem z radiem Alan 109 .Radio nie odbiera ani nie nadaje,wszystko inne działa jednym słowem milczy cisza w głośniku.Proszę o pomoc
    .Niestety wszystko sprawdzone i dalej nie działa przy wciśnięciu gruszki zapala się tylko czerwona dioda a u sąsiada w radiu słychać tyko trzaski i nic poza tym u mnie dalej w głośniku cisza
  • #5 8391145
    mamfajnynick
    Poziom 10  
    Olek II napisał:
    Opisz dokładnie te trzaski. Czy w czasie trzasków u sąsiada ucieka nośna i dlatego trzeszczy, czy nośna jest stabilna a na niej słychać trzaski.
    U sąsiada słychać dokładnie to szum gdy przycisnę gruszkę a nie trzaski jak pisałem wcześniej i wyłącza rozmowy prowadzone przez radio
  • REKLAMA
  • REKLAMA
  • #7 8393998
    mamfajnynick
    Poziom 10  
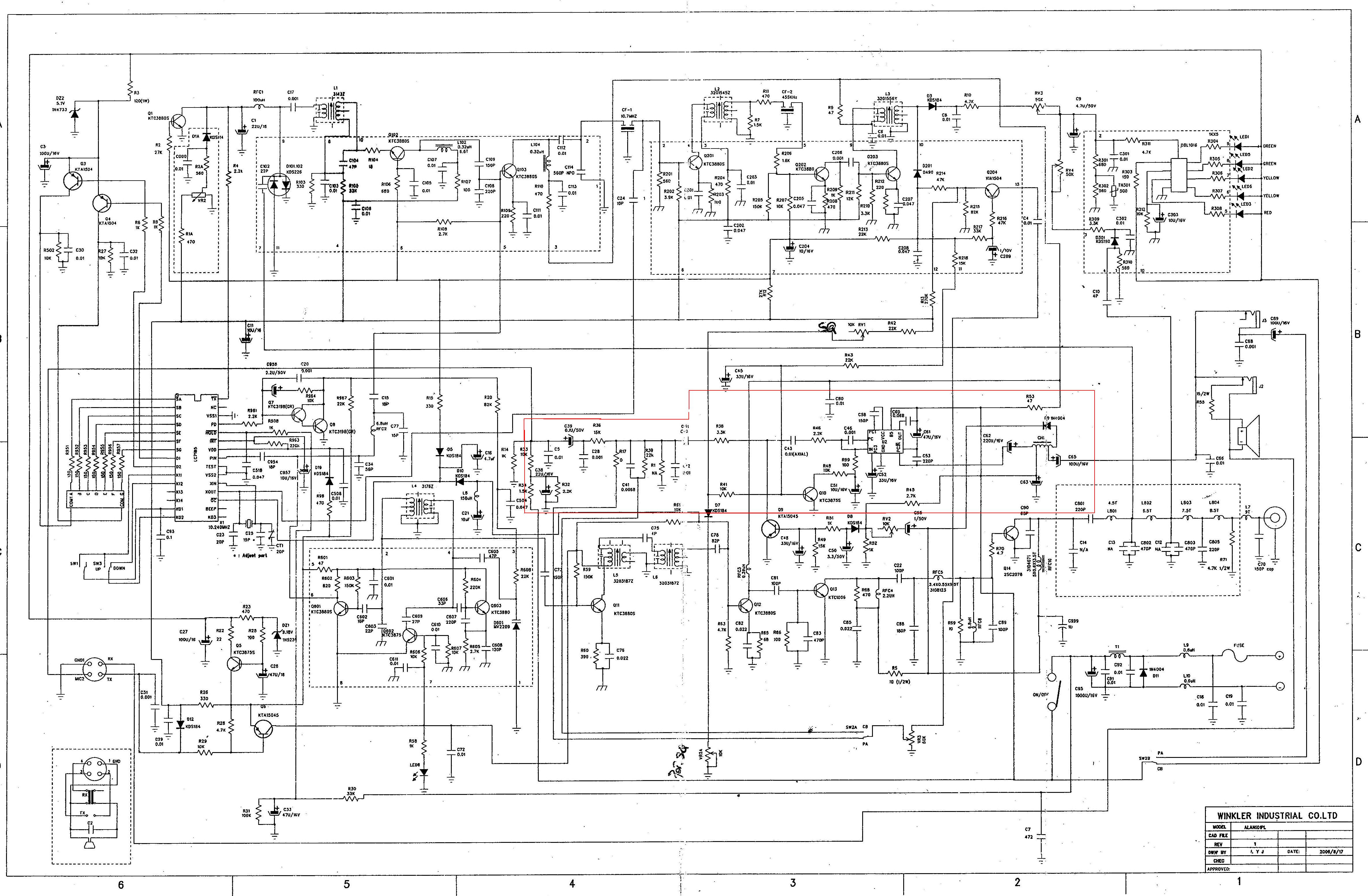
    WITAM.Czy mógłbym prosić o aplikacje z wartościami napięć itp.na zaznaczonych obwodach ,a w szczególności jakie powinny być napięcia na końcówce mocy i tranzystorze mocy .Pozerawiam
  • #8 8395506
    palesiak
    Poziom 11  
    hej,
    objawy ewidentnie wskazują na uszkodzenie końcówki mocy m.cz.
    proponuje:
    1. sprawdzić zasilanie scalaka- widoczny na schemacie,
    2. jak jest mozliwośc to podmienić ww element
    3. gniazdo głosnika zwenętrznego/ewentualnie sam głosnik.
    powodzenia :)
  • #9 8395769
    Scooter_scoo
    Poziom 2  
    palesiak napisał:
    hej,
    objawy ewidentnie wskazują na uszkodzenie końcówki mocy m.cz.
    proponuje:
    1. sprawdzić zasilanie scalaka- widoczny na schemacie,
    2. jak jest mozliwośc to podmienić ww element
    3. gniazdo głosnika zwenętrznego/ewentualnie sam głosnik.
    powodzenia :)

    Końcówka mocy została wymieniona ,głośnik sprawdzony i nadal cisza nie wiem jak tam scalak bo jestem w domu a radio w pracy to nie mam ja sprawdzić
  • #11 8396015
    Scooter_scoo
    Poziom 2  
    Olek II napisał:
    To pomierz napięcia. Coś jest nie tak, wprowadź w życie wcześniejsze podpowiedzi.

    Napięcia na końcówce pomierzyłem ale nie wiem jakie powinny być faktyczne ,dlatego prosiłem o aplikacje z tymi parametrami jak ktoś ma to proszę o pomoc.Pozdrawiam i dziękuje za podpowiedzi
REKLAMA