Witam!
Przy małych porządkach znalazłem 2 sztuki ręcznego CB jak w temacie. Czy ktoś mógłby mi udzielić podstawowych informacji o tym sprzęcie? Opłaca się przestrajać? Jaki ma zasięg? Pomijając kwestie praktyczne, da się używać jako CB do auta?
Jeszcze jedno - zasilanie 10 "paluszkami" nie jest zbyt interesujące, widzę wejście na zasilacz, jednak nie mam pojęcia jaki to może być.
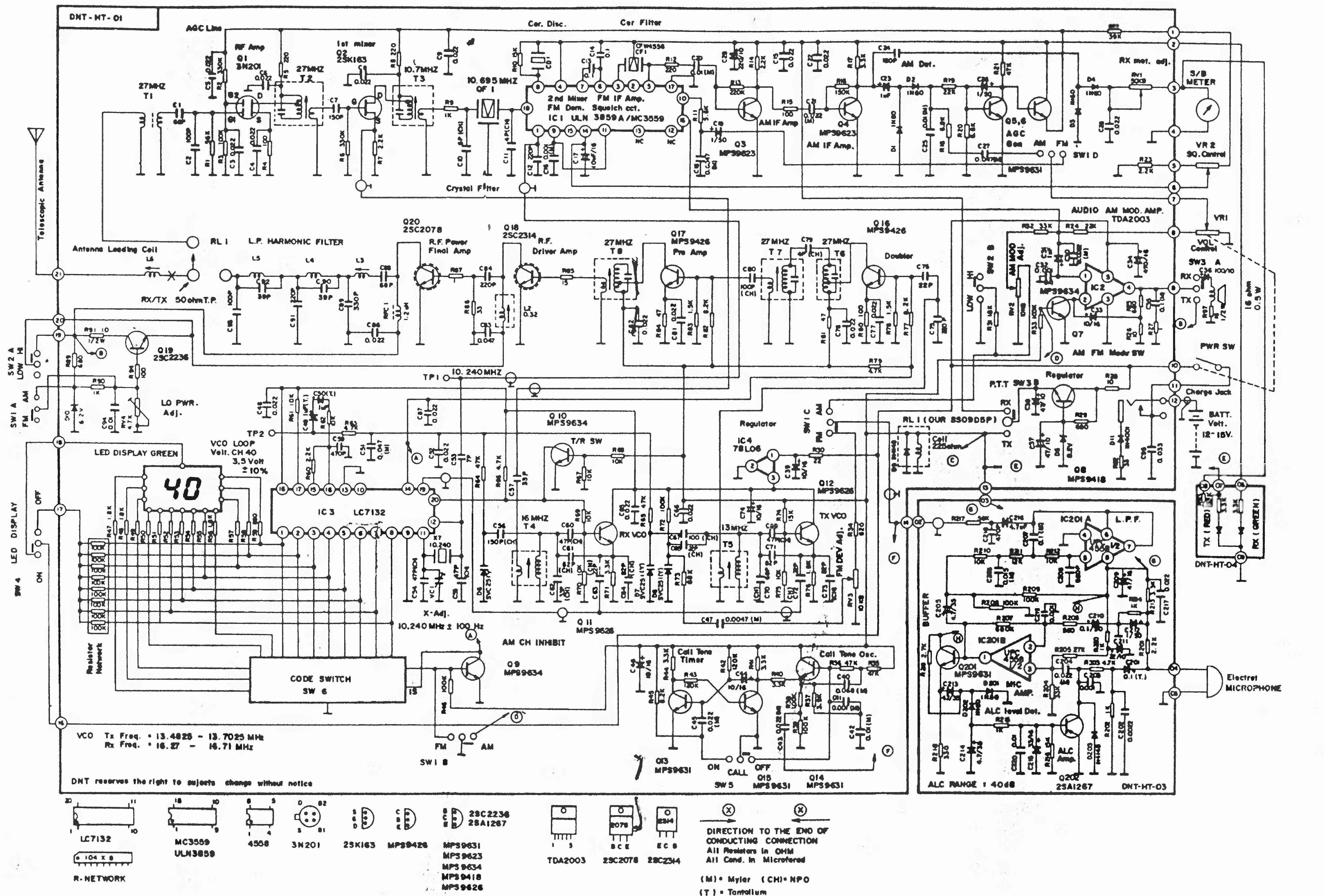
Przesyłam znaleziony w sieci schemat.
Pomoże ktoś laikowi? Dziękuję za wszystkie informacje.

Przy małych porządkach znalazłem 2 sztuki ręcznego CB jak w temacie. Czy ktoś mógłby mi udzielić podstawowych informacji o tym sprzęcie? Opłaca się przestrajać? Jaki ma zasięg? Pomijając kwestie praktyczne, da się używać jako CB do auta?
Jeszcze jedno - zasilanie 10 "paluszkami" nie jest zbyt interesujące, widzę wejście na zasilacz, jednak nie mam pojęcia jaki to może być.
Przesyłam znaleziony w sieci schemat.
Pomoże ktoś laikowi? Dziękuję za wszystkie informacje.