logo elektroda
logo elektroda
X
logo elektroda
REKLAMA
REKLAMA
Adblock/uBlockOrigin/AdGuard mogą powodować znikanie niektórych postów z powodu nowej reguły.

Schemat iterfejsu do bingo m z kabla com

kamilek007 23 Sie 2010 11:56 5268 2
REKLAMA
  • #1 8428361
    kamilek007
    Poziom 15  
    Witam, szukałem ale znajdowałem tylko interfejsy na usb. Mam kabel com, zdjęcie poniżej i chciał bym zrobić z niego interfejs do sterownika LPG bingo M.
    Bardzo liczę na waszą pomoc, gdyż nie uśmiecha mi się jeździć po tych wszystkich fachowcach i każdemu płacić. Jeśli by ten kabel się nie nadawał to podpowiedzcie mi od czego był by odpowiedni. No i oczywiście czekam na wskazówki co i jak. Czy trzeba robic płytkę czy też nie. Gdzieś w necie czytałem że nie ale nie mogę teraz tego znaleźć.
    https://obrazki.elektroda.pl/99_1282557265.jpg
  • REKLAMA
  • #2 8433298
    pudzianowski
    Poziom 28  
    Na tym zdjęciu widzę jedynie wtyczkę COM.
    Co to dokładnie za kabel (od jakiego urządzenia, może schemat?) ?
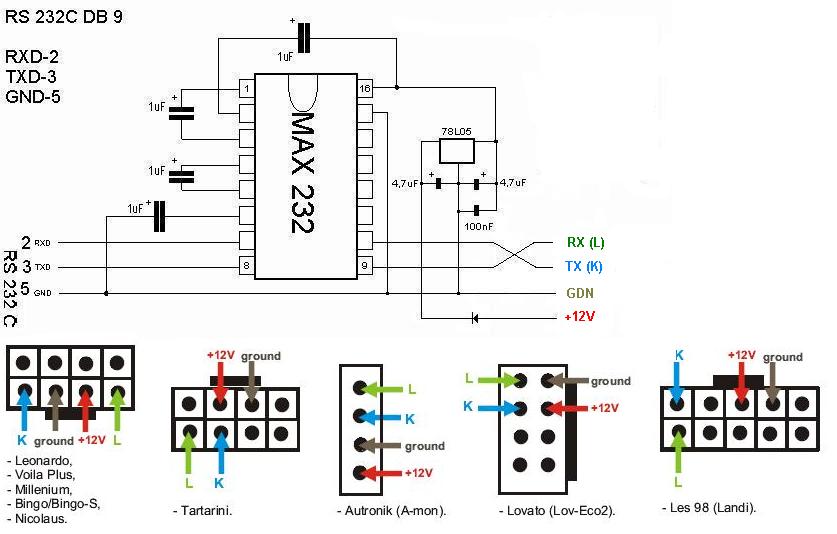
    Odpowiedni mógłby być samodzielnie zbudowany na układzie MAX232 lub przy wykorzystaniu kabla/interface'u od telefonu komórkowego.
    Schemat z wykorzystaniem MAX232:
    https://obrazki.elektroda.pl/23_1278766943.jpg
REKLAMA