logo elektroda
logo elektroda
X
logo elektroda
REKLAMA
REKLAMA
Adblock/uBlockOrigin/AdGuard mogą powodować znikanie niektórych postów z powodu nowej reguły.

Brak iskry w opel astra 1,6i 8v rok 93

artek 123 23 Sie 2010 20:17 4316 17
REKLAMA
  • #1 8430150
    artek 123
    Poziom 10  
    Witam autko staneło mi na drodze,niema iskry na świecach,sprawdzony aparat zapłonowy jest ok,co może być przyczyną,cewka jak ją sprawdzić???Auto jest na benzyna-gaz
  • REKLAMA
  • #2 8430182
    Wiesław90
    Poziom 10  
    Witaj, proponuje sprawdzić lub nawet wymienić przewody zapłonowe jeżeli nigdy tego nie robiłeś . One mogą być przyczyną problemów. Cewkę z tego co wiem to możesz spróbować zamienić miejscami lub jeżeli to nie pomoże to do elektryka musisz pojechać żeby podpiął go do komputera
  • REKLAMA
  • #3 8430189
    artek 123
    Poziom 10  
    Kable były wymienione całkiem niedawno,ale niewiem jak sprawdzić cewke???
  • #4 8430197
    Wiesław90
    Poziom 10  
    cewkę to możesz sprawdzić zamieniając je miejscami bo chyba masz 2 lub niech jakiś elektryk go podepnie pod kompa
  • #5 8430200
    artek 123
    Poziom 10  
    Auto strzeliło w rure poczym całkiem zgasło
  • #6 8430210
    Wiesław90
    Poziom 10  
    możesz jeszcze spróbować zrobić taki zabieg jak odłączyć aku na 15 min potem go podlączyć możliwe że wtedy jakieś błędy sie pokasują
    Moderowany przez robokop:

    A od kiedy kasowanie błędów cokolwiek naprawia? Ostrzeżenie za pisanie bzdur.

  • #7 8430218
    artek 123
    Poziom 10  
    Problem w tym ze kontrolka błędu silnika się nie zapaliła
  • #8 8430234
    Wiesław90
    Poziom 10  
    Widzę że moderator średnio zna sie na komputerach samochodowych, otóż bywa tak że powstają błędy w kompie od odpalania z zewnętrznego/innego zasilania. Wówczas należy podładować aku jazdą i odłączyć go. Są to swego rodaju śmieci w pamięci komputera.
    Moderowany przez robokop:

    Tak oczywiście i zawsze skutkują brakiem iskry. Ostrzeżenie nr. 2.

  • #9 8430242
    robokop
    VIP Zasłużony dla elektroda
    Mistrzuniu, jaki silnik ? C16NZ z aparatem zapłonowym? Jak ten aparat sprawdziłeś, oprócz tego że zobaczyłeś że jest na swoim miejscu? Moduł w aparacie dostaje zasilanie?
  • #10 8430260
    artek 123
    Poziom 10  
    tak C16NZ z aparatem,sprawdzany był u kolegi jego sprawnym aparatem
  • REKLAMA
  • #11 8430271
    robokop
    VIP Zasłużony dla elektroda
    A wałek rozrządu to się w ogóle kręci?

    Dodano po 46 [sekundy]:

    artek 123 napisał:
    tak C16NZ z aparatem,sprawdzany był u kolegi jego sprawnym aparatem
    Tzn. jak? Podstawiałeś swój aparat do innego auta?
  • REKLAMA
  • #12 8430283
    artek 123
    Poziom 10  
    Powiedział mechanik ze rozrząd w porządku, a aparat włożyłem sprawny kolegi do swojego auta i dalej iskry nie było,niewiem co to możebyć bo nieznam sie a chciałbym sie czegoś dowiedzieć zeby nie wydawać na niepotrzebne naprawy pieniędzy
  • #14 8430326
    artek 123
    Poziom 10  
    Kolega włożył swój sprawny aparat zapłonowy do mojego auta i w dalszym ciągu niema iskry-i powiedzieli mi ze być może problem tkwi w cewce ze nie daje napięcia cewka,ale ja nieznam sie na tym
  • #15 8430347
    robokop
    VIP Zasłużony dla elektroda
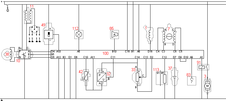
    Skoro się nie znasz, to po co zakładasz wątek? Nie odpowiadasz na zadane zasadnicze pytanie w kwestii zasilania, bo prawdopodobnie nie umiesz go sprawdzić nawet z dołączonym schematem, więc jak Ci pomóc? Wymienisz cały osprzęt elektryczny silnika z modułem ECU włącznie i nadal będzie źle.
  • #16 8430362
    artek 123
    Poziom 10  
    Jakbym sie znał to bym nie pytał i nie prosił o pomoc,ale dziękuje za"miłe odpowiedzi"
  • #17 8430378
    barubar
    Poziom 26  
    To po co kłamiesz, jak ci powiedział mechanik? Po co ludziom głowę zawracasz? Zmień mechanika, babie daj samochód. Jak ładna to więcej zdziała niż ty.
  • #18 8430402
    robokop
    VIP Zasłużony dla elektroda
    artek 123 napisał:
    ,ale dziękuje za"miłe odpowiedzi"

    A to może podjechać i za darmo naprawić Ci samochód?
    Odpowiedzi dostałeś wyczerpujące, że nic Ci one nie rozświetlają, nie moja to wina. Wątek bez perspektyw, zamykam.
REKLAMA