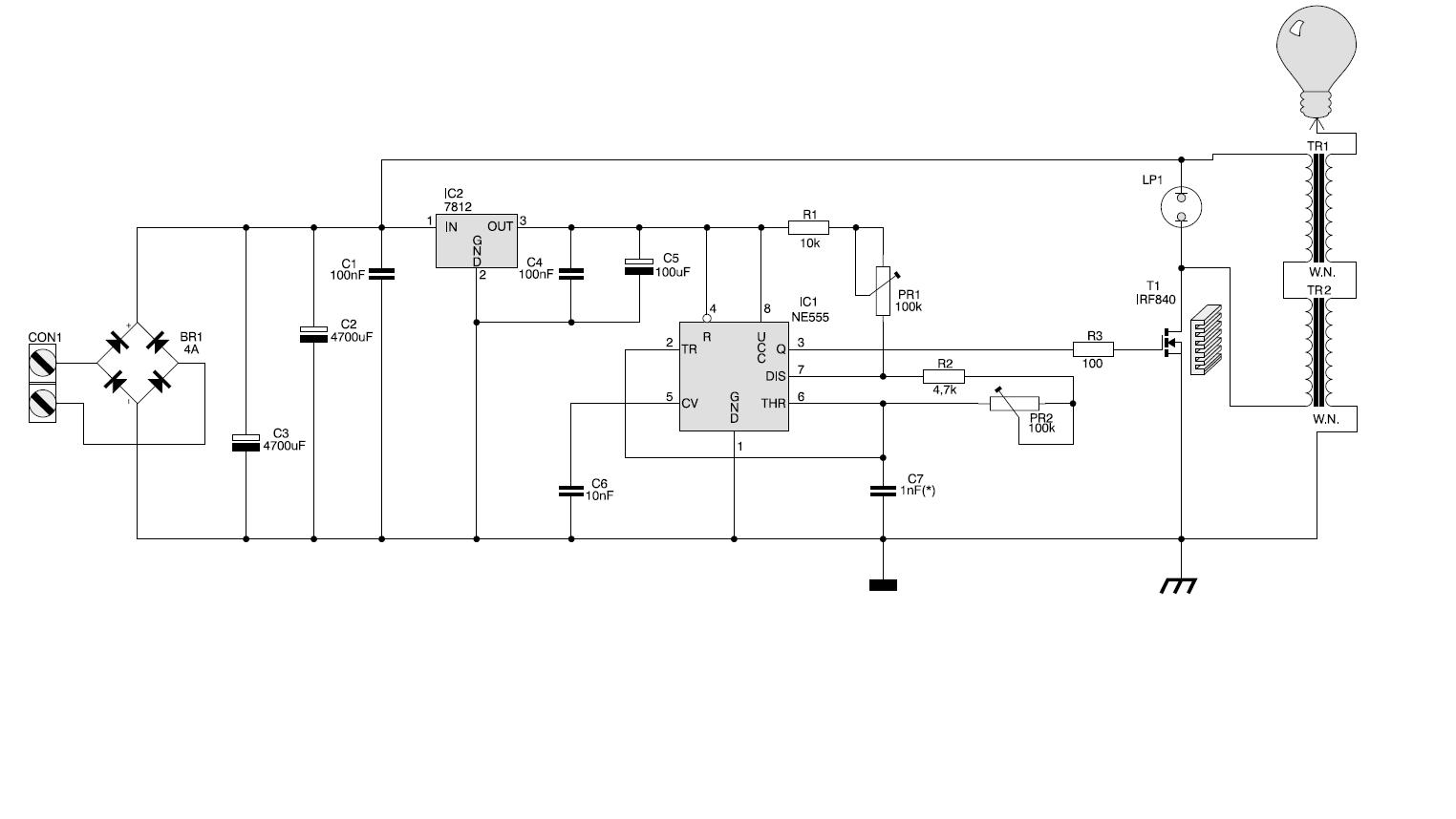
Witam, mam pytanie, ponieważ chcę ulepszyć moją lampę plazmową. Zastosowany jest w niej jeden trafo WN, z dziesięcioma zwojami pierwotnymi. Moje pytanie brzmi czy efekt był by lepszy po zastosowaniu dwóch takich trafo?? Czy obydwa mają mieć po 10 zwojów pierwotnych??, czy podłączyć je szeregowo tak jak na schemacie?? Moim zdaniem wg mojej wiedzy takie rozwiązanie powinno być dobre
Proszę o pomoc i ew. jakieś porady. A i dodam że ta lama jest zrobiona z projektu AVT.

Proszę o pomoc i ew. jakieś porady. A i dodam że ta lama jest zrobiona z projektu AVT.