logo elektroda
logo elektroda
X
logo elektroda
REKLAMA
REKLAMA
Adblock/uBlockOrigin/AdGuard mogą powodować znikanie niektórych postów z powodu nowej reguły.

Felicia 1,3MPI problem z kontrolką airbag

and61 28 Sie 2010 20:40 7029 24
REKLAMA
  • #1 8449884
    and61
    Poziom 27  
    Przy wymianie przekładni kierowniczej ,została odłączona taśma air bagu i zdjęta cala kolumna kierownicza, podczas składania ,kolumna trochę latała i obrywała (kierownica była zablokowana) i zaczęła sie palić kontrolka airbag, po podłączeniu laptopa i okazało się ze komputer nie widzi sterownika airbagu! Posiadam czeskie schematy do Felicii , ale na żadnym nie zaznaczona jest instalacja ( bezpiecznik, centralka) poduszki. Czy może ktoś zdradzić mi , gdzie ich szukać ??
    i co może być przyczyną opisywanego problemu ??
  • REKLAMA
  • #2 8450064
    WITEK1952
    Poziom 28  
    Witam serdecznie. Komputer może nie widzieć air bag z powodu błędów w sprzęcie diagnostycznym. Spróbuj na innym sprawdzonym sprzęcie lub sprawdź sprzęt na innym aucie. Najpewniej sterownik odnotował przerwę w instalacji poduszki kierowcy. Ciekawe czy nie pękła taśma. Sygnał dźwiękowy jest? Na drugi raz przed demontażem poduszki odłącz na 15 minut wcześniej akumulator. Pozdrawiam.
  • #3 8450120
    and61
    Poziom 27  
    Ok, jak zalatwie inny laptop to sprawdzę,
    Pytasz o klakson, rozumiem że bezpieczniku 17 razem z klaksonem , sygnałem świetlnym i wentylatorem chłodnicy podpięta jest centralka poduszki powietrznej ??
  • #4 8450984
    Konto nie istnieje
    Konto nie istnieje  
  • #5 8453922
    and61
    Poziom 27  
    Kolego po co te nerwy , zapłon, był wyłączony ,później dopiero poducha została odłączona i rozebrana kolumna itp itd

    klakson działa

    Problem jest tego typu ze po załączeniu zapłonu kontrolka airbagu świeci mocno i po ok 1-2 sekundach lekko przygasa ale świeci wyraźnie
    kabel vag był sprawdzany na VW passacie B5 99r i wszystkie sterowniki wykrywało
    i bylo to sprawdzane na 3 różnych laptopach i 3 różnych systemach operacyjnych windows xp wista i 7

    Ze sterownikiem silnika łączy sie bez problemu a z air bagiem nie

    VAG nie widzi sterownika AIR po prostu próbuje 6 razy nawiązać połączenie i wywala błąd "brak komunikacji"

    Taśma wygląda na nie uszkodzoną.
  • #6 8454734
    Konto nie istnieje
    Konto nie istnieje  
  • REKLAMA
  • #7 8455638
    warma-87
    Poziom 14  
    jorge83 napisał:
    To do sprawdzenia jeszcze zasilania na ster i linia diagnostyczna..
    a gdzie sie znajduje zasilanie na sterownik ? linia diagnostyczna powinna być w porządku skoro łączy się ze sterownikiem silnika.
  • #8 8456878
    WITEK1952
    Poziom 28  
    Witam.Pytałem o klakson dlatego,że na taśmie masz 2 ścieżki od poduchy i 2 od sygnału. Jak urwiesz taśmę nie będzie sygnału. Pozdrawiam.
  • #9 8457040
    Konto nie istnieje
    Konto nie istnieje  
  • #10 8457062
    warma-87
    Poziom 14  
    więc proszę o jakieś info czego mam się "uczepić" taśmę sprawdzałem kilkukrotnie, wtyczke czyscilem, próbowałem czy są luźne styki, ale wyglada że wszystko jest ok. czy gdzieś za kolumną mógł się przerwać przewód air bag`u kierowcy ? tylko zastanawia mnie dlaczego komp nie widzi sterownika poduszki, bo zakładając iż taśma była by zerwana to w tym momencie vag łaczy się ze sterownikiem i wywala błąd zapalinka poduszki a tu "brak komunikacji"
  • #11 8457122
    Konto nie istnieje
    Konto nie istnieje  
  • REKLAMA
  • #12 8457179
    warma-87
    Poziom 14  
    problem w tym, że zawsze air bag (sterownik) dzialal na tym fejsie, ale kolega zamowił kabel wiec sprawdzimy jeszcze na jego fejsie..
  • #13 8457900
    and61
    Poziom 27  
    W kwestii wyjaśnienia , problem który opisałem jako autor tematu dotyczy Felicii mojego znajomego noszącego tu nick : Warma -87 , wiec wszelkie informacje on udzieli , odnośnie tej awarii

    Warma , poprosze o info ktora rada była pomocna bym mógl w podzięce kliknąć na :
    "pomógł"
    A może moderator ma taką możliwość by autorstwo tematu przypisać Warma -87 , czyli wszystkie moje posty w tym temacie przydzielić koledze jeśli tak to poproszę o to , z góry dziękuje
  • Pomocny post
    #14 8458843
    Konto nie istnieje
    Konto nie istnieje  
  • #15 8458912
    warma-87
    Poziom 14  
    And61Dziekuję Ci za zaangażowanie się w mój problem,

    jorge83 rozumiem że mam spawdzić napięcie na pinach 15/30. wolę się upewnić niż słyszeć dzwięk odpalonej poduszki...
  • REKLAMA
  • #16 8458920
    Pawel wawa
    VIP Zasłużony dla elektroda
    Wiesz co...oddaj Ty auto do warsztatu, grzebiesz przy systemie bezpieczeństwa nie mając za grosz wiedzy. Temat zamykam. I jeszcze jedno, masz pisać w działach dla początkujących.
  • #17 8464757
    warma-87
    Poziom 14  
    jorge83 napisał:
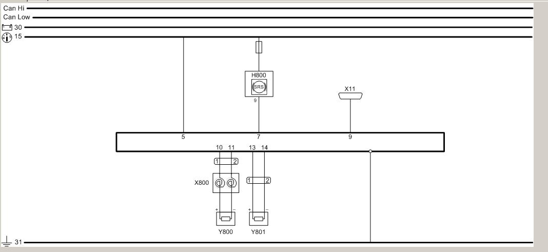
    No dobra zapodam schemat ,może teraz se poradzi.Czy widzicie jakąś filozofie tutaj.
    Felicia 1,3MPI problem z kontrolką airbag Felicia 1,3MPI problem z kontrolką airbag



    czy to aby na pewno jest do felicji?? Fela ma 16 pin wtyk OBD2, po za tym przy sterowniku tez mi nie pasuje wtyk do schematu...
  • #18 8464815
    Konto nie istnieje
    Konto nie istnieje  
  • #19 8465565
    and61
    Poziom 27  
    Felka Warmy ma 1 poduchę , , niestety w zwiazku z tym że to nie moje autko , więcej info nie jestem w stanie podać .

    Kol. jorge83 ,wielkie dzięki za schemat i jego opis , myślę że się przyda tak i w tym przypadku jak i innych
  • #20 8491178
    warma-87
    Poziom 14  
    Niestety Panowie nie ma gdzieś masy ... a nie bardzo miałem czas zlokalizować sterownik AIR w feli, może ktoś mógłby mi podpowiedzieć gdzie go szukać ? szukałem w okolicach kolumny kierowniczej ale bez rezultatu...
  • #21 8494409
    Zico63
    Poziom 37  
    Pod deską rozdzielczą na środku pojazdu.
    Może nie podpięli masy temu sterownikowi, albo poruszyli wtyk - gdy grzebali łokciami wykręcając krzyżaki wałka kierownicy?
  • #22 8495069
    warma-87
    Poziom 14  
    Zico63 napisał:
    Pod deską rozdzielczą na środku pojazdu.



    Dziękuję Ci bardzo za podpowiedź, szczerze to szukałem za kanałem dmuchawy "na nogi" i nie zlokalizowałem go, ale wiem gdzie już szukać, dziękuję.

    Zico63 napisał:

    Może nie podpięli masy temu sterownikowi, albo poruszyli wtyk - gdy grzebali łokciami wykręcając krzyżaki wałka kierownicy?


    z pewnością tak.
  • #23 8505188
    warma-87
    Poziom 14  
    jorge83 napisał:
    No dobra zapodam schemat ,może teraz se poradzi.Czy widzicie jakąś filozofie tutaj.
    Felicia 1,3MPI problem z kontrolką airbag Felicia 1,3MPI problem z kontrolką airbag



    Rozmawiałem z jednym serwisantem skody i ten schemat nie jest do feli, ponieważ felicja nie ma lini CAN, felicia ma tylko linie KKL, byc moze ten schemat jest z Octavi I.
  • #24 8509925
    Konto nie istnieje
    Konto nie istnieje  
  • #25 8510527
    warma-87
    Poziom 14  
    skoro tak uważasz... słuchaj ja też rozmawialem z "łebkami" od skody i im tez za Chiny nie pasuje ten schemat.. sam twierdzisz ze jestes zwyklym mechanikiem, a "jedziesz"po mnie jakbyś był elektromechanikiem z serwisu ASO z ogromnym doświadczeniem i wiedzą, sorki za moja taka uwagę, ale po to pytam na forum żeby czegoś nie uszkodzić, widzisz nie każego stać na kosztowne serwisy bo moze mimo mlodego wieku ja mam ważniejsze sprawy niż zarabiac"na serwisy" też mam rodzine mieszkanie samochód i nie stac mnie by utrzymywać "serwisanta" ktory pewnie za 2 min roboty skasuje 100zl, jestem elektronikem z zamilowania i zarazem absolwentem szkoly technicznej w tym kierunku, więc jeśli moje pytania wydają się dla Ciebie "idiotyczne" proszę nie odpowiadaj na nie... Nie każdy jest "wszechwiedzacy" i proszę wyluzuj z obelgami w moją stronę
REKLAMA