logo elektroda
logo elektroda
X
logo elektroda
REKLAMA
REKLAMA
Adblock/uBlockOrigin/AdGuard mogą powodować znikanie niektórych postów z powodu nowej reguły.

Benq FP737s zasilacz nie rusza

mkubol 31 Sie 2010 14:33 3761 9
REKLAMA
  • #1 8460105
    mkubol
    Poziom 24  
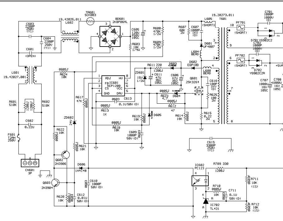
    Witam. Nie startuje przetwornica, po zbadaniu napięć okazało się, że na układzie 1200ap40 na 6 pinie gdzie powinno być napięcie rzędu 12V-16V, jest pływające 6V-9V. Wymiana kondensatorów na tej linii nie pomogła, rezystory sprawdzone, diody również. Czy to jest oznaka uszkodzenia tego układu?
  • REKLAMA
  • #2 8463505
    lisek
    Serwisant RTV
    Opcja Szukaj
    - czyli benq FP 737s. model Q7T3.

    temat znany jak rzeka i opisany wielokrotnie na forum.
    - napewno tranzystoryq759/760 5707, q751, *także II-a połówka
    znany 0.22u (lub dwa po 0,1u równolegle )i porównaj opory wyj. trafek w il.4szt.
    sprawdz PF751 MS 3A
    jak po wymianie to samo trafka w tył
  • #3 8465204
    mkubol
    Poziom 24  
    Kolego Lisek ale Ty mówiż już o samym inwenterze a tu nie rusza zasilacz. To co opisuje jest po stronie pierwotnej zasilacza czy te trazystory w inwenterze moga spowodować wyłaczenie zasilacza? tam jest połaczenie tylko przez trasoptor i to tylko do stabilizacji napięcia.
  • REKLAMA
  • #4 8465247
    lisek
    Serwisant RTV
    Przecież można sprawdzić sam zasilacz (na żarówkę) po odpięciu invertora.

    W tym modelu Benq nic nie padało poza elementami invertora
    Sprawdz i przekonaj się sam
  • #5 8465268
    0__0
    Poziom 30  
    mkubol napisał:
    Witam. Nie startuje przetwornica, po zbadaniu napięć okazało się, że na układzie 1200ap40 na 6 pinie gdzie powinno być napięcie rzędu 12V-16V, jest pływające 6V-9V. Wymiana kondensatorów na tej linii nie pomogła, rezystory sprawdzone, diody również. Czy to jest oznaka uszkodzenia tego układu?


    Uklad kosztuje w okolicach 5 zlotych duzo nie ryzykujesz ..
  • Pomocny post
    #6 8465621
    lisek
    Serwisant RTV
    tańsze sa rezystory startowe podłczone pod pin.6 Vcc
    Tylko należy mierzyć po uprzednim wylutowaniu jednego z końców R (może zafałszować wynik pomiaru)
    Także elementy podłaczone pin.5 i wokoło polowego

    Benq FP737s zasilacz nie rusza
  • REKLAMA
  • #7 8465667
    mkubol
    Poziom 24  
    No właśnie a po zatym umnie dostać ten układ znaczy czekac tydzień, rezystory sprawdzałem ale bez wylutowania, zaraz to rozlutuje i sprawdze. Lisek nie wiem gdzie znalazłeś ten schemat wielkie dzięki!!!
  • #8 8465851
    curylop
    Poziom 16  
    Sprawdź kondensatory a najlepiej wymień C610 C612
  • REKLAMA
  • #9 8465888
    mkubol
    Poziom 24  
    Wszystkie rezystorki sprawdziłem po wylutowaniu, zostaje chyba tylko ten układzik, zaczekam ten tydzień powinien dość.
    Dodam jescze że zasilacz po stronie wturnej jest odpięty od jakiego kolwiek odbiornika zostało tylko podłaczony układ z transoptorem.

    Dodano po 19 [minuty]:

    C610 1nf - sprawny, C612 10nF sprawny ale podmieniłem, nadal to samo.
  • #10 8487401
    mkubol
    Poziom 24  
    Uszkodzony tranzystor, podpięty w układ jak w datashet nie pracował, żadnych zwarć miernik nie wykazywał. Dla zasady wymieniłem kondka 100uF 400V. Monitorek popracował 2 godzinki i wszystko ok.
    Temat zamykam.
REKLAMA