logo elektroda
logo elektroda
X
logo elektroda
REKLAMA
REKLAMA
Adblock/uBlockOrigin/AdGuard mogą powodować znikanie niektórych postów z powodu nowej reguły.

elektryczny regulator temperatury prosze o pomoc !!!

kunik91 06 Wrz 2010 22:17 2865 3
REKLAMA
  • #1 8483710
    kunik91
    Poziom 2  
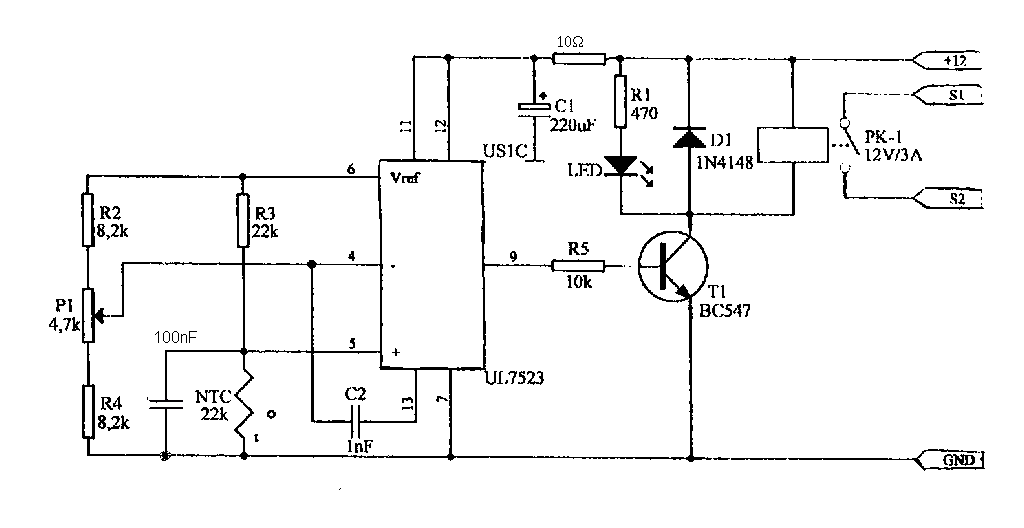
    znajomej popsuł sie taki termoregulator. na pierwszy rzut oka widać ze kondensator sie rozlał i zalał rezystor. wylutowałem elementy i kondensator jest opisany ale nie wiem jaki kupić rezystor. Bardzo prosz o pomoc. ktoś by elektryczny regulator temperatury prosze o pomoc !!! elektryczny regulator temperatury prosze o pomoc !!! elektryczny regulator temperatury prosze o pomoc !!! elektryczny regulator temperatury prosze o pomoc !!! mi dotradził?
  • REKLAMA
  • #2 8484066
    Kamil82
    Poziom 14  
    Witam może to pomoże elektryczny regulator temperatury prosze o pomoc !!!
  • REKLAMA
  • #4 19771947
    Zbyszek_64
    Poziom 24  
    Uszkodzone elementy pochodzą z części zasilacza bez transformatorowego. Dioda prostownicza, dioda zenera , kondensator elektrolityczny i dioda LED to pozostałe elementy na płytce. Też do sprawdzenia. Oraz sam wzm.operacyjny.
    Nie zauważyłem że to wykopalisko. Przepraszam po
REKLAMA