logo elektroda
logo elektroda
X
logo elektroda
REKLAMA
REKLAMA
Adblock/uBlockOrigin/AdGuard mogą powodować znikanie niektórych postów z powodu nowej reguły.

Zabezpieczenie, ukryty przycisk - problem z podłączeniem

tomason2 06 Wrz 2010 22:18 5291 8
REKLAMA
  • #1 8483717
    tomason2
    Poziom 16  
    Witam.
    Znalazłem prosty schemat jak zrobić ukryty MIKRO przycisk, który będzie odcinał prąd do stacyjki.

    Zabezpieczenie, ukryty przycisk - problem z podłączeniem

    Podłączyłem sobie na "sucho: wg. tego schematu. No i pojawił się. Rolą tego zabezpieczenia miało być to, że przekręcenie kluczyka w stacyjce do czasu gdy się nie przyciśnie tego mikro przycisku będzie nie możliwe. Przyciśniecie tego przycisku powiedzmy, że "aktywuje" nam stacyjkę, aż do momentu wyłączenia zapłonu.

    Niestety nie działa to, tzn działa, ale tylko wtedy gdy trzymam wciśnięty ten mikro przycisk. Przycisk tego typu.
    Zabezpieczenie, ukryty przycisk - problem z podłączeniem

    Mam teraz pytanie czy w ogóle może to działać ? Wg. autora tego schematu ma to działać tak jak napisałem wyżej.
    Dodam że zastosowałem przekaźnik PRE0004. Może to wina przekaźnika, lub złego połączenia pod przekaźnik że nie działa to tak jak powinno ?

    Prosiłbym wszystkich zainteresowanych tym tematem o pomoc w tej sprawie.


    P.S. Do moderatorów proszę o nie usuwanie tego tematu.
  • REKLAMA
  • #3 8484169
    tomason2
    Poziom 16  
    Próbowałem na 2 sposoby ją podłączać. Dioda o oznaczeniach UF5404 MIC (taką tylko dorwałem) Czyżby byłby to problem tylko diody ?
  • REKLAMA
  • #5 8484472
    Andiv
    Poziom 32  
    No bez jaj, takie układy to dzieciaki w gimnazjum składają.
  • REKLAMA
  • #6 8484549
    tomason2
    Poziom 16  
    bhtom napisał:
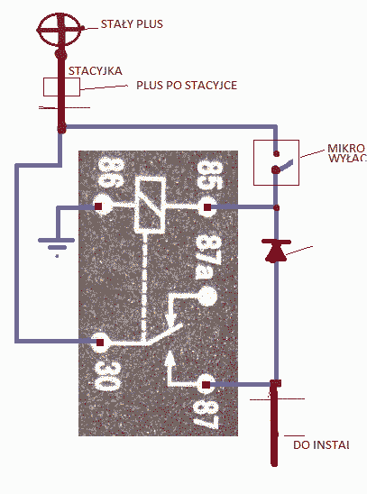
    Ten przekaźnik ma styk przełączny NO/NC. Musisz zwrócić uwagę, czy dobrze go podłączyłeś (obwód stacyjki pod styk NO).

    Czy mogę liczyć na pomoc w podłączeniu tego przekaźnika ?

    Zabezpieczenie, ukryty przycisk - problem z podłączeniem

    Andiv napisał:
    No bez jaj, takie układy to dzieciaki w gimnazjum składają.

    Nie robię sobie jaj. Jakbym wiedział jak to podłączyć to nie zakładałbym tematu na forum.
  • Pomocny post
    #7 8484628
    markomp
    Poziom 20  
    Masa na 85.
    Stały + na 30.
    Przycisk między 30 a 86.
    Dioda między 86 a 87.
    W stronę instalacji na 87.
  • REKLAMA
  • Pomocny post
    #8 8484706
    rupcio
    Poziom 17  
    Zabezpieczenie, ukryty przycisk - problem z podłączeniem
    Konektory 85 i 86 można zamienić bez wpływu na działanie (post poprzednika jest słuszny).

    Ten układ wymaga aby mikrowłącznik był zwarty w momencie włączania stacyjki.
  • #9 8486115
    tomason2
    Poziom 16  
    Panowie dzięki za pomoc. Wszystko działa jak należy.
REKLAMA