..jest to projekt monitorowania ogniwa foto-galwanicznego z zasilaniem rezerwowym (przetwornica ~230/17V). Ładowanie akumulatora w trybie automatycznym a gdy za mało słońca [ustawione napięcia progowe akumulatora] załączającym rezerwowy prostownik[przetwornica 230V/17V]. Całość zasila obwody niskonapięciowe oświetlenia LED oraz żarówek energooszczędnych na 12V[FOCOS]. Manualne sterowanie 10 obwodami sieciowymi [220V][tablica z niezależnymi obwodami gniazd 230V] poprzez optotriaki.
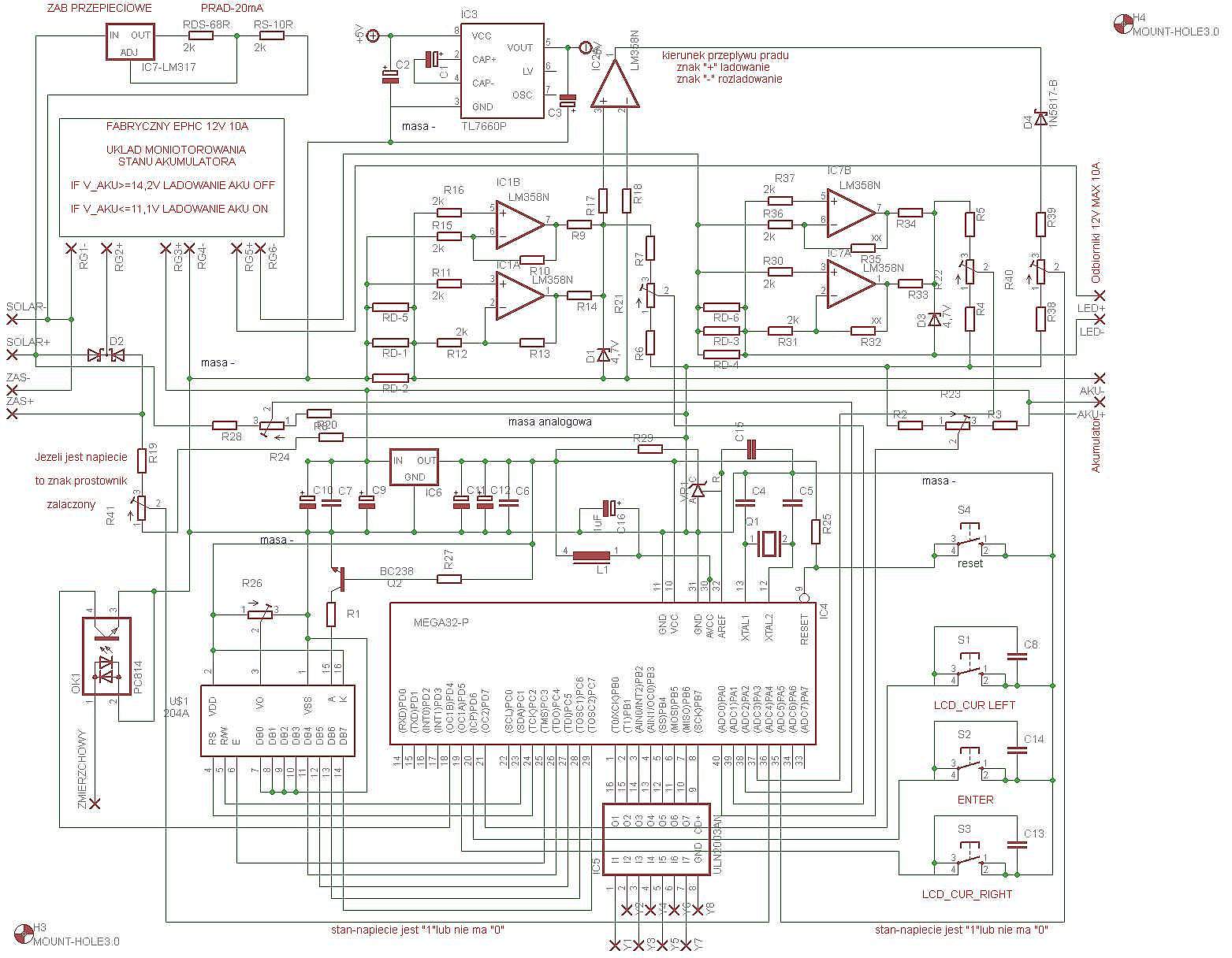
Założenia programowe;
1 - pomiar dwu napięć akumulator i solar
2 - pomiar prądu ładowania i rozładowania
3 - pomiar napięcia wyjściowego
4 - napięcie akumulatora 11V załącz prostownik jeżeli solar daje mniej niż 13V
5 - napięcie akumulatora 14V wyłącz prostownik - napięcie solara nieistotne
6 - klawisz w lewo przesuwany w lewo kursor na LCD wiersz 4
7 - klawisz w prawo przesuwany wprawo kursor na LCD wiersz 4
8 - klawisz return załącz kanał jeżeli wyłączony lub odwrotnie.
Schemat;
[img]
[/img]
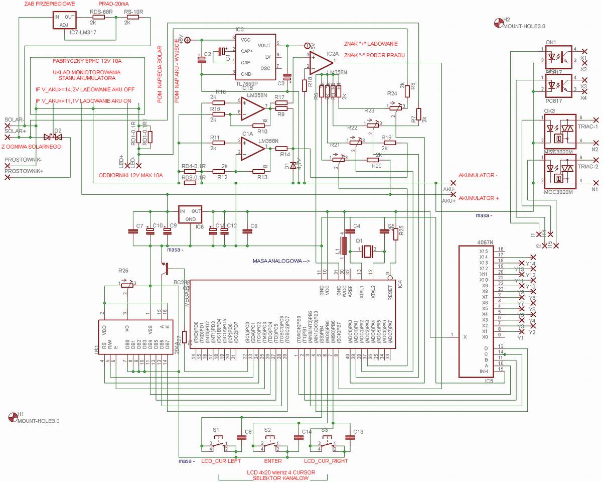
Założenia programowe;
1 - pomiar dwu napięć akumulator i solar
2 - pomiar prądu ładowania i rozładowania
3 - pomiar napięcia wyjściowego
4 - napięcie akumulatora 11V załącz prostownik jeżeli solar daje mniej niż 13V
5 - napięcie akumulatora 14V wyłącz prostownik - napięcie solara nieistotne
6 - klawisz w lewo przesuwany w lewo kursor na LCD wiersz 4
7 - klawisz w prawo przesuwany wprawo kursor na LCD wiersz 4
8 - klawisz return załącz kanał jeżeli wyłączony lub odwrotnie.
Schemat;
[img]
