logo elektroda
logo elektroda
X
logo elektroda
REKLAMA
REKLAMA
Adblock/uBlockOrigin/AdGuard mogą powodować znikanie niektórych postów z powodu nowej reguły.

Atmega wskaźnik wysterowania led.

henryxxl 10 Wrz 2010 20:39 3476 5
REKLAMA
  • REKLAMA
  • #2 8497952
    KmiecikSe
    Poziom 15  
    Może być ;) a pomiar z nóżki nie należącej do portu D.
    Robiłem kiedyś własny tego projekt, działało ale trzeba było to jeszcze udoskonalić...

    Dodano po 18 [minuty]:

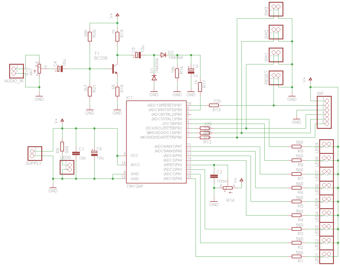
    Schemat taki:
    Atmega wskaźnik wysterowania led.

    A jego defekt to taki, że prawdopodobnie źle dobrałem rezystory przy bazie tranzystora.
    Na prośbę mogę udostępnić kod źródłowy ;)
  • REKLAMA
  • #3 8507642
    KmiecikSe
    Poziom 15  
    W załączniku jest plik z programem z Bascom'a do schematu powyżej ;)
    Na dniach postaram się uruchomić układ i nagrać jakieś wideo ;]
  • REKLAMA
  • #4 8507684
    henryxxl
    Poziom 26  
    Witam.
    Dziękuję za pomoc, wykonam ten układ tylko ze na attiny2313, do dyspozycji mam jeszcze atmega16l.
    W bascomie nie mogę zmienić procesora wyskakują błędy wiesz czemu?
    Byłbym wdzięczny jak byś wstawił filmik z działania.
    Pozdrawiam.
  • REKLAMA
  • #5 8508375
    Konto nie istnieje
    Poziom 1  
REKLAMA