logo elektroda
logo elektroda
X
logo elektroda
REKLAMA
REKLAMA
Adblock/uBlockOrigin/AdGuard mogą powodować znikanie niektórych postów z powodu nowej reguły.

Johnny II rezonator kwarcowy 455

LucasKrakow 13 Wrz 2010 09:43 3662 6
REKLAMA
  • #1 8505313
    LucasKrakow
    Poziom 17  
    Witam!!
    Wszystko wskazuje na to ze w radiu uszkodzony jest rezonator kwarcowy 455, jednak nie mam go na co podmienić.
    Czy ktoś z kolegów próbował wstawić może tam rezonatory 2 pinowe czy warto to kupować na zastępstwo oryginalnego 5 pinowego? A może ktoś z kolegów zna sklep gdzie mogę wysyłkowo zamówić rezonatory 455 5 pinow.

    Objaw w radiu jest taki ze odbiornik jest całkowicie cichy, pomiar oscyloskopem przed rezonatorem na wykresie cos widać za rezonatorem juz niema nic.
  • REKLAMA
  • #2 8505826
    Konto nie istnieje
    Konto nie istnieje  
  • REKLAMA
  • #3 8511815
    Vector_666
    Poziom 17  
    Witaj,
    Filtry można kupić na popularnym serwisie aukcyjnym którego nazwy nie wymienię :P. Szukaj jak "filtr ceramiczny" lub "filtr 455khz". Pozdrawiam

    PS. Jeśli nie znajdziesz aukcji to zadaj pytanie użytkownikowi PUH_HESTA
  • REKLAMA
  • #4 8511975
    c2h5oh
    Moderator
    5W napisał:
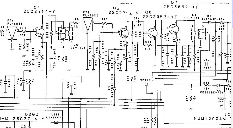
    ...Ten rezonator kwarcowy 455 znajduje się w VCO...

    Jesteś pewien, że znajduje się w VCO a nie w II pośredniej?
    Czemu miał by służyć filtr 455 kHz w VCO?
    Ja widzę lepsze miejsce dla tego filtru w II pośredniej...
    Zamieściłeś fragment schematu i nie potrafisz prawidłowo określić czego on dotyczy.
    Na tym fragmencie jest pośrednia a nie VCO.
    5W napisał:
    ...Na elektrodzie znalazłem opis, że można zamiast tego rezonatora(który działa jak filtry) wlutować kondensator ceramiczny. To był chyba 10nF lub 10 pF...

    Wyjątkowo szkodliwa porada. Nie powielaj opisu tego rodzaju "napraw". Zwłaszcza gdy nawet nie wiesz jakiej wartości kondensator należy wstawić.
  • REKLAMA
  • #7 8513342
    LucasKrakow
    Poziom 17  
    Witajcie
    Udało mi sie kupić tych filtrów spora ilość, firma murata, wiec mogę odsprzedać jeśli ktoś potrzebuje
    Po wymianie radio działa w porządku, przy obecnej pracy na 1 kanale wiele z parametrów które kiedyś miały wielkie znaczenie dziś maja znikome;)
REKLAMA