logo elektroda
logo elektroda
X
logo elektroda
REKLAMA
REKLAMA
Adblock/uBlockOrigin/AdGuard mogą powodować znikanie niektórych postów z powodu nowej reguły.

ATiny2313 pomiar temperatury i LED jak wykonać?

Kurczax 16 Wrz 2010 00:51 2767 1
REKLAMA
  • #1 8515644
    Kurczax
    Poziom 10  
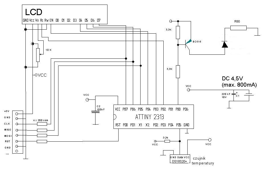
    Zmontowałem układ mierzący temperaturę na ATtiny 2313, czujniku Ds18s20. Temperatura jest poprawnie wyświetlana na ekranie LCD, ale oprócz tego chciałbym rozszerzyć to aby układ po osiągnieciu pewnej temperatury np 26 st. zapalał diodę. podłączoną pod nóżkę B0. Docelowo zamiast led chciałbym wmontowac mały wentylatorek 5V 0,7W. czy tranzystor pnp BC516 pociągnie go bez problemu? z tego co wyczytałem daje on prad do 400mA Poniżej podany program sprawia wrażenie że działa bo na nóżce B.0 która jest podłączona do bazy tranzystora gdy temperatura spadnie poniżej 26 st.c między nóżką a masą pojawia się napięcie zasilania (4,8V) powyżej napięcia brak. czyli stan pinu B.0 ulega zmianie. teraz co mam zrobić aby zaświeciła dioda? Mam nadzieję że pomożecie.

    Oto program pisany w bascomie:

    Config 1wire = Portd.5
    Config Pinb.0 = Output
    Dim Odczyt(2) As Byte , A As Byte , Licznik As Byte , T As Integer , T1 As Single
    Do
      1wreset
      1wwrite &HCC
      1wwrite &H44
      Waitms 750
      1wreset
      1wwrite &HCC
      1wwrite &HBE
      Odczyt(1) = 1wread(2)
      T = Odczyt(2)
      Shift T , Left , 8
      T = T + Odczyt(1)
      If T >= 50 Then
      Pinb.0 = 0
      Else
      Pinb.0 = 1
      End If
      T1 = T / 2
      Cls
      Lcd "Temp=" ; T1 ; "oC"       '
      Loop
      End
    

    Poniżej podaję też schemat
    ATiny2313 pomiar temperatury i LED jak wykonać?


    inventco.eu - tym razem poprawiłem. Regulamin p.11.1 oraz proszę używać znaczników CODE.
  • REKLAMA
  • #2 8519234
    Kurczax
    Poziom 10  
    sprawa rozwiązana. powodem był odwrotnie podłączony tranzystor
REKLAMA