logo elektroda
logo elektroda
X
logo elektroda
REKLAMA
REKLAMA
Adblock/uBlockOrigin/AdGuard mogą powodować znikanie niektórych postów z powodu nowej reguły.

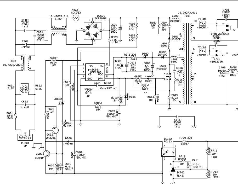
Benq G900 zasilacz na NCP1203

mkubol 20 Wrz 2010 19:25 5565 4
REKLAMA
  • #1 8531900
    mkubol
    Poziom 24  
    Panowie uszkodzony zasilacz a dokładnie NCP1203P60 zwarcie pin 2 do masy czyli pinu 4 wewnątrz układu, podmieniłem element na NCP1200P60 napiecia w stanie jałowym ok, gdy podłączam obciążenie żędu 500mA do 5V wszystkie napięcia spadają z 14V robi sie 12,5V z 5V do 4,3V gdy podłącze wszystkie odbiorniki typu inventer elektronike napięcie spada do 11,5V i 3,5V Podmieniłem transoptor i układzik Ka431 i dalej to samo. Prosze o porównanie tych układów czy można je zastąpić.
  • REKLAMA
  • Pomocny post
    #2 8532624
    lisek
    Serwisant RTV
    Masz problem w fpracy scalaka ,która zależy od elementów RC dopinanych do ..pin?
    W praktyce przekłada to się na ograniczenie po mocy.

    Sprawdz (lub wymień zenerkę 15V/lub 5,1V (upływność) jesli masz ją w układzie)
    *nie pamiętam danych
    p.s
    NCP1200P60 chodzi w monitorach Samsunga
  • REKLAMA
  • #3 8533789
    mkubol
    Poziom 24  
    Benq G900 zasilacz na NCP1203

    Lisek dzięki za odpowiedź na Ciebie można zawsze liczyć, Załatwiłem sprawę zwierając tranzystor Q602 (emiter z bazą), który wcześniej wymieniłem do też okazał się uszkodzony. Diody zenera zapomniałem napisać wcześniej podmienione na nowe. Napięcia na wyjściu zasilacza są stabilne mimo różnych obciążeń, monitorek złożyłem i całą noc sobie praował.
    Na razie wszystko jest ok. Prosił bym jeszcze o opinie czy takie zwarcie nie zaszkodzi monitorkowi później.
  • REKLAMA
  • Pomocny post
    #4 8534394
    kazikszach
    Poziom 38  
    Tranzystory Q602 i Q603 blokują zasilacz przy za wysokim napięciu na wyjściu.
    Zasilacz może działać, ale brak tego zabezpieczenia może spowodować inne uszkodzenia przy wzroście napięcia na wyjściu.
  • #5 8534967
    mkubol
    Poziom 24  
    Dzięki za info kazikszach, zostawiam to tak jak jest. Bo na wyjściu zasilacza i tak są zenerki blokujące za wysokoie napięcie.
    Temat zamykam.
REKLAMA