Witam.
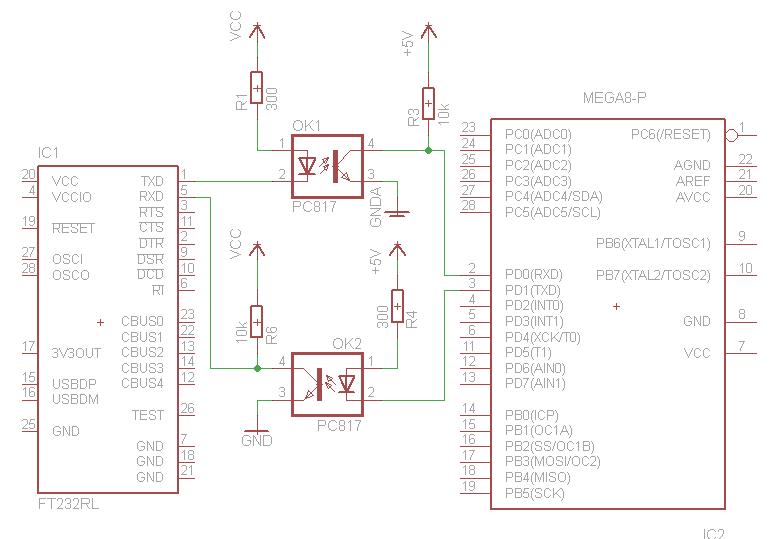
Buduję układ pomiarowy do mojej pracy dyplomowej. Chciałbym się dowiedzieć czy taki sposób podłączenie układu FT232RL z Atmegą8 ma szansę działać? Interesuje mnie transfer na poziomie 9600. W internecie nie znalazłem tylko jakieś szczątkowe informacje, bez żadnych konkretów. Wiem że najlepiej byłoby zastosować 6N137, ale moje miasto jest zbyt ubogie w taki towar.

Buduję układ pomiarowy do mojej pracy dyplomowej. Chciałbym się dowiedzieć czy taki sposób podłączenie układu FT232RL z Atmegą8 ma szansę działać? Interesuje mnie transfer na poziomie 9600. W internecie nie znalazłem tylko jakieś szczątkowe informacje, bez żadnych konkretów. Wiem że najlepiej byłoby zastosować 6N137, ale moje miasto jest zbyt ubogie w taki towar.