logo elektroda
logo elektroda
X
logo elektroda
REKLAMA
REKLAMA
Adblock/uBlockOrigin/AdGuard mogą powodować znikanie niektórych postów z powodu nowej reguły.

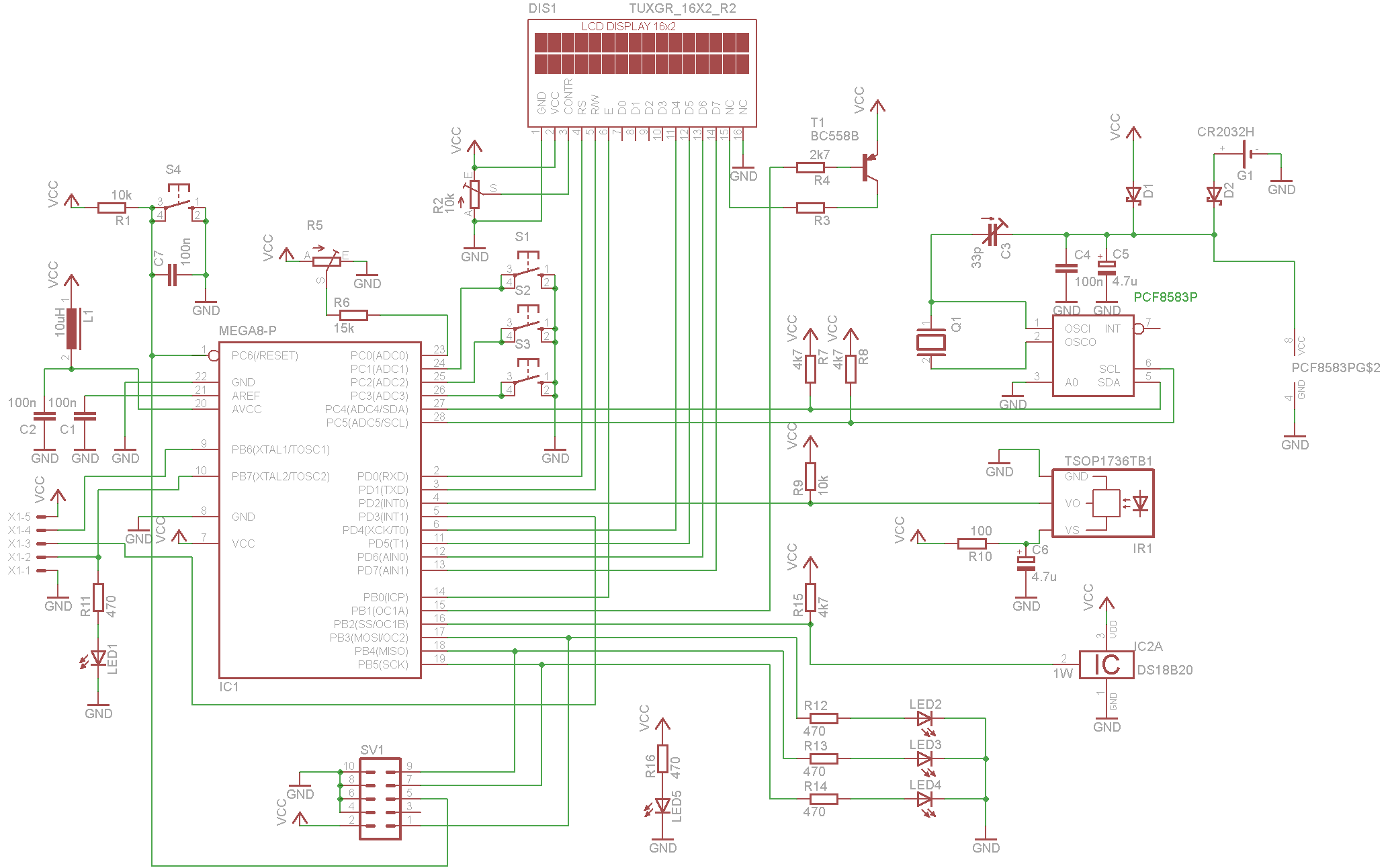
[ATmega8] Prośba o sprawdzenie poprawności schematu.

boohoo 22 Wrz 2010 16:09 3168 14
REKLAMA
  • #1 8538417
    boohoo
    Poziom 12  
    Witam

    Proszę o sprawdzenie schematu układu mikroprocesorowego, w szczególności poprawności podłączenia pcf8583. Całość jest łączona taśmą z płytką wykonawczą (piny X1-1 do X1-5), skąd podawane jest zasilanie.

    Wykorzystałem wszystkie porty ATmegi, myślałem nad dodatkową rozbudową układu, ale doszedłem do wniosku, że nie ma co dodatkowo komplikować układu. Niemniej jednak mam pytanie o możliwości takiego rozszerzenia, jak można to zrealizować? Do głowy przyszło mi wykorzystanie dodatkowego mikrokontrolera lub użycie ekspandera. Który z tych ostatnich polecilibyście jako najprostszy w obsłudze, a jednocześnie funkcjonalny?

    Z góry dziękuję za pomoc i pozdrawiam :)
    [ATmega8] Prośba o sprawdzenie poprawności schematu.
  • REKLAMA
  • #2 8538786
    11111olo
    Poziom 42  
    Ogólnie jest ok poza trzema rezystorami.
    R1 jest w sumie niepotrzebny a dodatkowo uniemożliwi programowanie przez ISP.
    R9 jest niepotrzebny, przecież odbiornik podczerwieni wysyła "cyfrowe stany".
    R3 to już w ogóle nie wiem po co - przecież wejście ENABLE wyświetlacza ustala jeden z pinów uC więc nie ma sensu ściągać tej linii ido masy.
  • #3 8538834
    landy13
    Poziom 31  
    11111olo napisał:

    R1 jest w sumie niepotrzebny a dodatkowo uniemożliwi programowanie przez ISP.

    Bardzo nowatorska teoria.
    Można wiedzieć gdzie ją wynalazłeś?
  • #4 8539099
    11111olo
    Poziom 42  
    Atmega8 nie wymaga żadnego rezystora aby poprawnie się uruchomiła.
    Spróbuj zaprogramować z takim rezystorem to wtedy pogadamy.
  • #5 8539176
    landy13
    Poziom 31  
    11111olo napisał:
    Atmega8 nie wymaga żadnego rezystora aby poprawnie się uruchomiła.

    Aby się uruchomiła rzeczywiście nie wymaga rezystora. Ale żeby pracowała w zakłóconym środowisku, to już niekoniecznie.

    11111olo napisał:
    Spróbuj zaprogramować z takim rezystorem to wtedy pogadamy.

    Zawsze tak programuję, jak i wszystkie znane mi osoby. Jaki masz programator, że nie może ściągnąć do masy 15kΩ.
  • REKLAMA
  • #6 8539182
    11111olo
    Poziom 42  
    STK200 na LPT. W sumie to na 15k nie sprawdzałem ale na 10k działy się cuda.
  • REKLAMA
  • #7 8539229
    janbernat
    Poziom 38  
    Rzeczywiście nowatorska teoria.
    Muszę o tym powiedzieć moim atmegom- nie wiedzą że nie powinny się programować.
    A co do PCF- A0 jest to pin wyboru adresu- powinien być podczepiony do masy albo do + a nie do kondensatora przy kwarcu.
    Kondensator C3 do + i jednego z OSC- zaraz sprawdzę do którego.
    Przy resecie procesora dodaj kondensator 100nF i mikroprzełącznik zwierający reset do masy- bardzo się przydaje.
    PCF- kwarc do OSC0 i OSC1.
    C3 między + zasilania a OSC1.
    C3 może być małym trymerkiem (kondensatorem regulowanym)- da się wtedy póżniej dokładniej ustawić zegar.
  • #8 8539238
    landy13
    Poziom 31  
    11111olo STK200 używałem bardzo krótko, ale przy 4.7kΩ nie było problemów. Teraz mam USBASP, eksperymentalnie dałem 510Ω i też programuje. Dlatego na podstawie pojedyńczego niepowodzenia nie wypowiadaj się kategorycznie, że "uniemożliwi programowanie".
  • #9 8539286
    11111olo
    Poziom 42  
    Może faktycznie to jednorazowe niepowodzenie ;)
  • #10 8539311
    janbernat
    Poziom 38  
    I w kolektorze T1 zostwił bym miejsce na opornik ograniczający prąd podświetlenia.
    Bywają wyświetlacze które nie mają oporników ograniczających prąd diód podświetlających.
    Wtedy albo tranzystor albo podświetlenie jest jedorazowego użytku.
    Jak wyświetlacz ma taki opornik to można potem dać zworkę.
  • REKLAMA
  • #11 8539402
    mirekk36
    Poziom 42  
    11111olo napisał:
    Ogólnie jest ok poza trzema rezystorami.
    R1 jest w sumie niepotrzebny a dodatkowo uniemożliwi programowanie przez ISP.

    - niestety bzdura na maxa, poczytaj notę PDF, zajrzyj do noty rekomendowanego układu resetu dla AVR8. Oczywiście nie oznacza to, że bez tego rezystora ATmega się nie zaprogramuje. Kolega zdaje się w ogóle nie rozumieć co to znaczy i po co jest podciąganie linii do VCC - o czym świadczy też drugi punkt. Radzę sobie poczytać o podciąganiu - i nie opowiada takich banialuk niestety :(


    11111olo napisał:
    R9 jest niepotrzebny, przecież odbiornik podczerwieni wysyła "cyfrowe stany".

    - bzdura nad bzdurami, sprawdź sobie w nocie PDF takiego odbiornika podczerwieni jaki ma wbudowany rezystor podciągający (jaka wartość) ... bywa niewystarczająca i bez niego linia narażona jest na zakłócenia, o które w tym przypadku łatwo. A szczególnie przy takim zagadnieniu jak dekodowanie podczerwieni właśnie. Więc nie pleć bzdur proszę - tym bardziej, że ludzie cię poprawiają a ty wciąż to samo.

    11111olo napisał:
    R3 to już w ogóle nie wiem po co - przecież wejście ENABLE wyświetlacza ustala jeden z pinów uC więc nie ma sensu ściągać tej linii ido masy.
    - no tu się można zgodzić ;)

    do autora: - te rezystory R1 i R9 daj 10K i nie większe. Jak już to można dać mniejszy niż 10K niż większy. A pamiętanie o rezystorze na pinie RESET do dobra praktyka w każdym przypadku. Może i 11111olo kiedyś to zrozumie jak przestanie robić tylko amatorskie układy na swojej płytce stykowej czy testowej.

    Dodano po 17 [minuty]:

    panie autor - za to nikt nie dostrzegł poważnego MEGA BABOLKA jakiego zrobiłeś przy układzie RTC ... kondensator 22pF ma być podłączony do nóżki kwarca natomiast wejście ustalające adres I2C ma być albo podłączone do GND albo do VCC albo wisieć w powietrzu co będzie równoznaczne z podłączeniem do VCC. Tymczasem w takim układzie jak zrobiłeś to mogą ci wyjść "ładne" kwiatki podczas uruchamiania RTC - popraw to jak najszybciej i rzuć okiem na schemat podstawowy w nocie aplikacyjnej PCF8583

    Dodano po 1 [minuty]:

    poza tym proponuję ci z marszu i bez zastanowienia wyjście INT z układu PCF8583 podłączyć do jakiegoś wejścia INTx w procesorze żeby później wykorzystać przerwanie odmierzane równo co sekundę i dalej w opaciu o falgę zawsze w jednym momencie w pętli głównej dokonywać odczytu czasu z RTC ;)

    Dodano po 2 [minuty]:

    Poza tym świetnie że zastosowałeś dodatkowy układ filtrujący zasilanie odbiornika podczerwieni skałdający się z tego rezystorka i kondka to ci umili życie i uodporni zdecydowanie układ na zakłócenia w podczerwieni, szczególnie jeśli będziesz np używał go w pomieszczeniu ze świetlówkami , które w momencie załączania emitują burzę w podczerwieni.
  • #12 8539518
    11111olo
    Poziom 42  
    mirekk wypisujesz niestworzone rzeczy.

    Po pierwsze:
    - scalony odbiornik podczerwieni w przypadku nieodebrania na nóżce OUT jest ciągle stan wysoki przez wbudowany rezystor, więc dodawanie kolejnego, do tego o wyższym oporze mija się z celem.

    [ATmega8] Prośba o sprawdzenie poprawności schematu.

    Po drugie:

    - w nocie katalogowej jest sugerowany sposób podłączenia i sugerowany rezystor podciągający, który jest konieczny przy napięciu 3,3V.

    [ATmega8] Prośba o sprawdzenie poprawności schematu.
  • #13 8539569
    mirekk36
    Poziom 42  
    11111olo --> pin reset w procku też jest wewnętrznie podciągnięty do VCC rezystorem, więc zagadka dlaczego stosuje się silniejsze podciąganie ? jak na nią sobie w końcu odpowiesz lub znajdziesz odpowiedź i zrozumiesz o co chodzi w podciąganiu i co to daje to będziesz wiedział także dlaczego mówię o rezystorze dodatkowym dla odbiornika podczerwieni. Ty mi nie udowadniaj że on tam jest wewnątrz bo sam ci to pisałem wyżej ;) tylko mówiłem żebyś doczytał jaką ma wartość. Miałem nadzieję, że to naprowadzi cię na trop o co chodzi w dodatkowym zewnętrznym podciąganiu w szczególnych wypadkach. A na tych odbiornikach podczerwieni, ich obsłudze i wyciskaniu wszystkich możliwości jeśli chodzi o eliminację zakłóceń to ząbki już zjadłem - więc wiem dobrze co piszę i dlaczego piszę.

    Dlatego nie chcę zarzucać ci jakichś dziwnych rzeczy czy niewiedzy - po prostu poczytaj o tym ok? Sam potem zobaczysz że zgodzisz się ze mną i nie tylko ze mną.

    Dodano po 3 [minuty]:

    Może troszkę za ostro zareagowałem, więc przepraszam nie chodziło mi o to żeby cię urazić ;) .... ale po prostu musiałem zareagować na takie rzeczy ;)

    Dodano po 17 [minuty]:

    ooops przepraszam, nie przeczytałem uważnie wszystkich postów ;)

    janbernat

    już wcześniej zwrócił uwagę na babolka z RTC
  • #14 8539697
    landy13
    Poziom 31  
    11111olo napisał:
    ...jest ciągle stan wysoki przez wbudowany rezystor, więc dodawanie kolejnego, do tego o wyższym oporze mija się z celem.

    Jak to wyższym? Chyba 15kΩ to mniej niż 80kΩ?
    A ja i tak stosuję 4.7kΩ, nawet przy 5V.
  • #15 8540444
    boohoo
    Poziom 12  
    Dzięki wszystkim za odpowiedzi. Poprawiłem schemat, mam nadzieję, że teraz jest ok. Proszę więc o ostateczne rzucenie okiem :)
    [ATmega8] Prośba o sprawdzenie poprawności schematu.
    mirekk36 napisał:
    poza tym proponuję ci z marszu i bez zastanowienia wyjście INT z układu PCF8583 podłączyć do jakiegoś wejścia INTx w procesorze żeby później wykorzystać przerwanie odmierzane równo co sekundę i dalej w opaciu o falgę zawsze w jednym momencie w pętli głównej dokonywać odczytu czasu z RTC Wink
    Chciałem tak zrobić, ale oba przerwania zewnętrzne mam już wykorzystane. Jedno służy do detekcji zera sieci, drugie jest podłączone do TSOP1736 :(.
    Pozdrawiam :)
REKLAMA