Witam wszystkich.
Mam mały problem. Chodzi o instalację oświetlenia w samochodzie więc napięcie 12V.
Musze ograniczyć moc dwóch żarówek połączonych równolegle o mocy 21 W każda, tak żeby świeciły jak 5W.
Moje auto (audi 80 avant) ma jak każdy stary samochód dwa światła stop przez żarówki dwuwłuknowe. Jak go kupiłem, poprzedni właściciel z oświetlenia tablicy rej. zasilił światła przeciwmgielne i wsadził 5W żarówki osiągając dzięki temu efekt czterech świateł mijania z tyłu.
Jego patent był nie do końca doskonały bo zlikwidował światła przeciwmgielne.
Mój pomysł polega na tym żeby zrobić ze świateł przeciwmgielnych dodatkowe światła stop, mijania i zachować działające przeciwmgielne. Dzięki temu mam lepiej oświetlony tył w czasie jazdy a działanie świateł nie narusza żadnych przepisów.
Doświadczalnie dobrałem opór i wyszło 1,87 Ohm.
Po wpięciu w układ żarówki świecą tak jak chce. Zrobiłem układ na 8 rezystorach ceramicznych 5W 15ohm połączonych równolegle i wszystko działa tylko rezystory po minucie są gorące. Szukam jakiegoś innego rozwiązania ale narazie nic mi nie przychodzi do głowy.
Testy z dodatkowymi stopami już mam za sobą i efekt jest zadowalający bo nie rażą kierowców za mną.
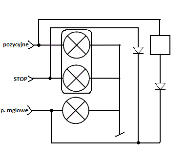
Co do samej instalacji to zrobiłem prosty układ z trzema diodami prostowniczymi żeby zasilania się nie zakłócały.
Do przewodu z przycisku przeciwmgielnych tylnych przez przygotowany układ podłączyłem sygnał ze stopu i postojówek ale problem polega na tym że nie dając jakiegoś układu "dławiącego" moc na zasilaniu z postojówek, włączają się przeciwmgielne na pełną moc.
Jego patent był nie do końca doskonały bo zlikwidował światła przeciwmgielne.
Mój pomysł polega na tym żeby zrobić ze świateł przeciwmgielnych dodatkowe światła stop, mijania i zachować działające przeciwmgielne. Dzięki temu mam lepiej oświetlony tył w czasie jazdy a działanie świateł nie narusza żadnych przepisów.
Testy z dodatkowymi stopami już mam za sobą i efekt jest zadowalający bo nie rażą kierowców za mną.
Co do samej instalacji to zrobiłem prosty układ z trzema diodami prostowniczymi żeby zasilania się nie zakłócały.
Do przewodu z przycisku przeciwmgielnych tylnych przez przygotowany układ podłączyłem sygnał ze stopu i postojówek ale problem polega na tym że nie dając jakiegoś układu "dławiącego" moc na zasilaniu z postojówek, układ nie działa tak jak powinien.

Mam mały problem. Chodzi o instalację oświetlenia w samochodzie więc napięcie 12V.
Musze ograniczyć moc dwóch żarówek połączonych równolegle o mocy 21 W każda, tak żeby świeciły jak 5W.
Moje auto (audi 80 avant) ma jak każdy stary samochód dwa światła stop przez żarówki dwuwłuknowe. Jak go kupiłem, poprzedni właściciel z oświetlenia tablicy rej. zasilił światła przeciwmgielne i wsadził 5W żarówki osiągając dzięki temu efekt czterech świateł mijania z tyłu.
Jego patent był nie do końca doskonały bo zlikwidował światła przeciwmgielne.
Mój pomysł polega na tym żeby zrobić ze świateł przeciwmgielnych dodatkowe światła stop, mijania i zachować działające przeciwmgielne. Dzięki temu mam lepiej oświetlony tył w czasie jazdy a działanie świateł nie narusza żadnych przepisów.
Doświadczalnie dobrałem opór i wyszło 1,87 Ohm.
Po wpięciu w układ żarówki świecą tak jak chce. Zrobiłem układ na 8 rezystorach ceramicznych 5W 15ohm połączonych równolegle i wszystko działa tylko rezystory po minucie są gorące. Szukam jakiegoś innego rozwiązania ale narazie nic mi nie przychodzi do głowy.
Testy z dodatkowymi stopami już mam za sobą i efekt jest zadowalający bo nie rażą kierowców za mną.
Co do samej instalacji to zrobiłem prosty układ z trzema diodami prostowniczymi żeby zasilania się nie zakłócały.
Do przewodu z przycisku przeciwmgielnych tylnych przez przygotowany układ podłączyłem sygnał ze stopu i postojówek ale problem polega na tym że nie dając jakiegoś układu "dławiącego" moc na zasilaniu z postojówek, włączają się przeciwmgielne na pełną moc.
Jego patent był nie do końca doskonały bo zlikwidował światła przeciwmgielne.
Mój pomysł polega na tym żeby zrobić ze świateł przeciwmgielnych dodatkowe światła stop, mijania i zachować działające przeciwmgielne. Dzięki temu mam lepiej oświetlony tył w czasie jazdy a działanie świateł nie narusza żadnych przepisów.
Testy z dodatkowymi stopami już mam za sobą i efekt jest zadowalający bo nie rażą kierowców za mną.
Co do samej instalacji to zrobiłem prosty układ z trzema diodami prostowniczymi żeby zasilania się nie zakłócały.
Do przewodu z przycisku przeciwmgielnych tylnych przez przygotowany układ podłączyłem sygnał ze stopu i postojówek ale problem polega na tym że nie dając jakiegoś układu "dławiącego" moc na zasilaniu z postojówek, układ nie działa tak jak powinien.
