logo elektroda
logo elektroda
X
logo elektroda
REKLAMA
REKLAMA
Adblock/uBlockOrigin/AdGuard mogą powodować znikanie niektórych postów z powodu nowej reguły.

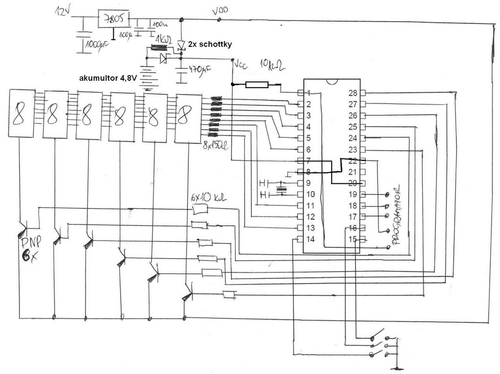
Zegarek - przeróbka wspólna anoda na wspólna katoda

drowning_man 27 Wrz 2010 22:59 5812 1
REKLAMA
  • #1 8558438
    drowning_man
    Poziom 15  
    Witam,
    mam taki oto 'schemat':

    Zegarek - przeróbka wspólna anoda na wspólna katoda

    Uprzedzam, że NIE JEST to mój rysunek, jest to 'schemat' zegarka, znalazłem go na elektrodzie. Jest on na wyświetlaczach ze swpólną anodą, tu pierwsze pytanie, jeśli dobrze rozumiem to zarówno anody (tranzystor pnp) jak i katody wyświetlaczy w tym układzie są sterowane stanem niskim na wyjściu uC?
    Znalazłęm u siebie duże wyświetlacze ale ze wspólną katodą, tu drugie pytanie, jak przerobić układ (bez ingerencji w kod) aby działał na wyświetlaczach ze wspólną katodą? Tak sobie myślałem, że skoro na wyjściach uC sterowanie jest stanami niskimi to może po prostu dać tranzstowy pnp na sterowanie segmentami jak i katodami?
    Chodzi mi o coś takiego:

    Zegarek - przeróbka wspólna anoda na wspólna katoda

    Oczywiście pod warunkiem, że masa zasilania uC i masa 12V są połaczone i że sterowanie zarówno segmentów jak i wspólnych anod odbywa się poprzez stan niski na wyjściu uC w schemacie na pierwszym rysunku.
  • REKLAMA
  • #2 8578921
    Lukaszek_69
    Poziom 13  
    Witam!
    Ma kolega racje wszystko jest sterowane stanami niskimi. Nie sprawdzałem układu, opiszę tylko jak najprościej zamienić ten wyświetlacz.
    Wydaje mi się że nie ingerując w kod można to rozwiązać w ten sposób:
    Jeżeli wyświetlacz ma być ze wspólną katodą to tranzystory muszą ją łączyć z masą a nie jak tu z zasilaniem. W tym celu emitery tranzystorów PNP podłączamy do katod wyświetlacza a kolektory do masy(pozostajemy na tranzystorach PNP dlatego będą sterowane dalej stanami niskimi).
    Teraz aby zaświecić którykolwiek z segmentów potrzebujemy stanu wysokiego. Na całej linii wstawiamy osiem inwerterów i kod uP pozostanie niezmieniony.

    Pozdrawiam!
REKLAMA