Witam, może ktoś zna rozwiązanie. W mondeo padły mi oryginalne piloty, więc kupiłem tanią chińszczyznę, podłączyłem wszystko i jest ok. tzn zamyka, otwiera itp. Ale ma denerwującą cechę: przy otwarciu drzwi zaczynają migać awaryjne przez 15-20sek. W instrukcji nie ma na ten temat nic, zresztą jest to tłumaczenie z chińskiego na angielski. Oczywiście najprościej odłączyć kierunki i z głowy ale znowu fajnie jak mignie przy zamykaniu i otwieraniu.
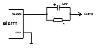
Płyta sterownika wygląda tak:

Płyta sterownika wygląda tak: