Witam
Posiadam moduł GSM do montażu na PCB SONY ERICSSON GR64.
Znalazłem w sieci pdf z opisem złącza ale jest dość rozbudowane dlatego założyłem ten wątek.
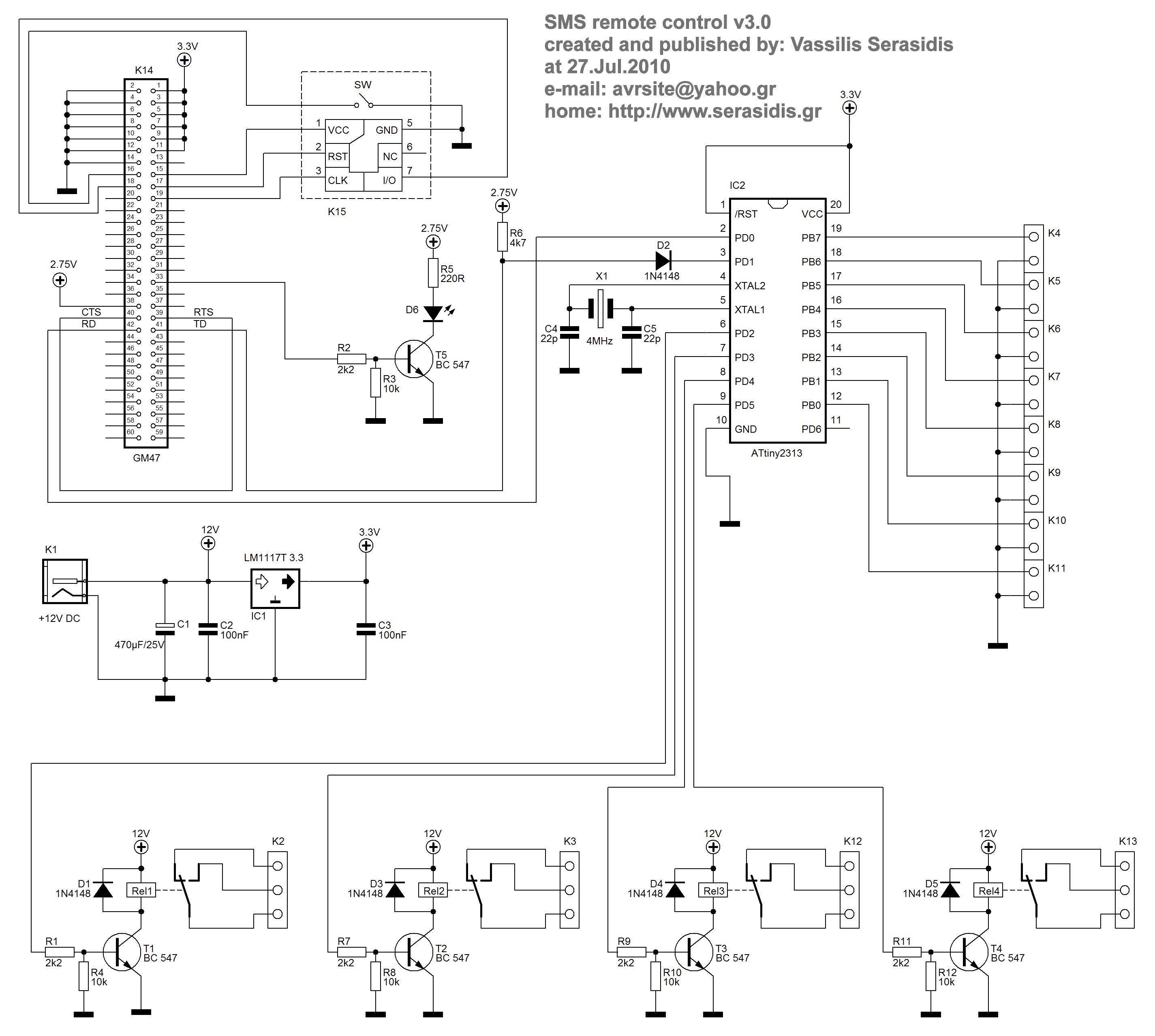
Otóż poszukuję jakiegoś przykładowego schematu podłączenia tego modułu. Może ktoś z forumowiczów już się bawił tym modułem i wie co w trawie piszczy.
Moduł mam zamiar obsługiwać poprzez UART ,i procesor z rodziny Atmega.
W załączniku dodaję znaleziony pdf. Wiem że jest dość dobrze opisana pinologia ale łatwiej by mi było testować to na jakimś schemacie. Szkoda by było uszkodzić moduł zanim zacznie działać
Dodam że posiadam moduł bez ramki na kartę sim. Kartę podłączyć muszę poprzez konektor.
Posiadam moduł GSM do montażu na PCB SONY ERICSSON GR64.
Znalazłem w sieci pdf z opisem złącza ale jest dość rozbudowane dlatego założyłem ten wątek.
Otóż poszukuję jakiegoś przykładowego schematu podłączenia tego modułu. Może ktoś z forumowiczów już się bawił tym modułem i wie co w trawie piszczy.
Moduł mam zamiar obsługiwać poprzez UART ,i procesor z rodziny Atmega.
W załączniku dodaję znaleziony pdf. Wiem że jest dość dobrze opisana pinologia ale łatwiej by mi było testować to na jakimś schemacie. Szkoda by było uszkodzić moduł zanim zacznie działać
Dodam że posiadam moduł bez ramki na kartę sim. Kartę podłączyć muszę poprzez konektor.
