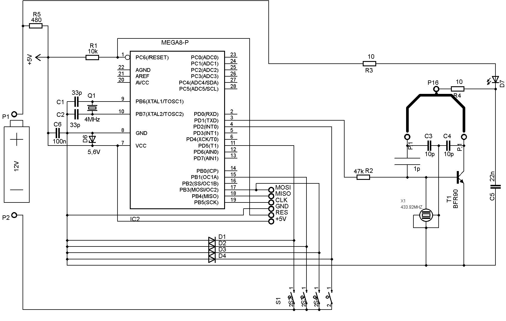
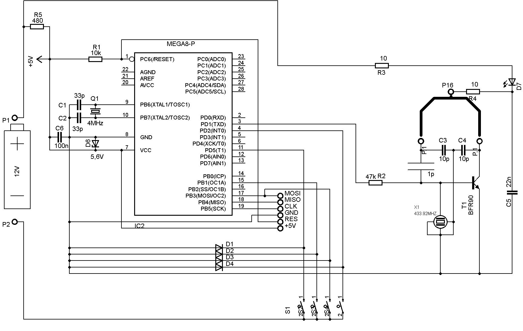
Mam małe pytanie odnośnie bascoma i układu atmega 8 .Napisałem program pilota który działa wykorzystuję sprzętowy uart i mój pilot pobiera dokładnie 21mA dwa razy więcej niż podobne piloty fabryczne pilot jest tak zaprojektowany że nie pobiera w ogóle prądu dopiero jak nacisnę któryś przycisk w pilocie to układ załącza zasilanie i uruchamia program główny moje pytanie jest takie jak jeszcze mogę zmniejszyć pobór prądu wiem że trzeba wyłączyć zasilanie komparatora waddoga i wszystkiego co jest zbędne ale jak ? czy wystarczy na przykład wydać komendę ACI=off żeby wyłączyć wewnętrzne zasilanie komparatora ? co mogę jeszcze wyłączyć i jak to zrobić ?
inventco.eu - tytuł poprawiłem. Regulamin p.15
inventco.eu - tytuł poprawiłem. Regulamin p.15
