logo elektroda
logo elektroda
X
logo elektroda
REKLAMA
REKLAMA
Adblock/uBlockOrigin/AdGuard mogą powodować znikanie niektórych postów z powodu nowej reguły.

schemat podciśnien Renault 19 sinlin 1,7(pełen wtrysk)

lukdem3103 06 Paź 2010 19:26 3789 4
REKLAMA
  • #1 8590690
    lukdem3103
    Poziom 1  
    witam czy ktoś posiada schemat podciśnień w siniku F3N. Potrzebuje go ponieważ mechanik coś mi pogrzebał i nie wiem jak teraz podłączyć niektóre wężyki. dokładnie chodzi mi o wężyki które idą od przepustnicy do kolektora ssącego
  • REKLAMA
  • #2 8594487
    volsky
    Poziom 13  
    Napisz jaki masz wyznacznik silnika (trzy cyfry), to co jest po oznaczeniach F3N ... i najlepiej typ techniczny auta (pierwsze 7 znakow VIN) czyli VF1.... to postaram sie znalezc jakis rysunek.
  • REKLAMA
  • #3 8594548
    ociz
    VIP Zasłużony dla elektroda
    F3N 742, tylko ten był na MPI.
  • REKLAMA
  • #4 8594624
    volsky
    Poziom 13  
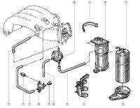
    Oto schemat silnika F3N 742

    schemat podciśnien Renault 19 sinlin 1,7(pełen wtrysk) schemat podciśnien Renault 19 sinlin 1,7(pełen wtrysk)

    tak dla jasnosci silnik F3N 743 tez jest MPI podobnie jak 746 i ma zupelnie inne rozwiazanie podcisnien.
  • #5 13117390
    karo3003
    Poziom 12  
    Witam

    Przepraszam za odgrzebywanie tematu ale czy posiada ktoś może schemat wiązek elektrycznych od komputera do silnika wlaśnie do tego silnika o którym mowa w poście wraz z opisem pinów w kostce komputera?

    Pozdrawiam
REKLAMA