logo elektroda
logo elektroda
X
logo elektroda
REKLAMA
REKLAMA
Adblock/uBlockOrigin/AdGuard mogą powodować znikanie niektórych postów z powodu nowej reguły.

Sunker Elite One przełącznik 9/19

imlubie 16 Paź 2010 18:47 5876 13
REKLAMA
  • #1 8627341
    imlubie
    Poziom 11  
    Witam
    Szybki kanał 19 jest jakaś możliwość w tym radyjku
    Bo trochę denerwuje, jak co 20min muszę przełączać jestem kurierem i co trochę przejadę i wyłączam silnik i zamykam auto jak wsiądę to znowu przełączać to radio to masakra kiedyś miałem ONWA, i było super bo był przełącznik, lecz poszła do szwagra teras się muszę męczyć z tym Sunker Elite One
  • REKLAMA
  • #2 8628846
    SP5ANJ
    Spoczywaj w Pokoju
    Witam.

    Podłącz radiotelefon na stałe do zasilania, aby w momencie wyłączania kluczyka nie wyłączać radia.

    Proste i skuteczne wyjście z tego problemu . :D


    Pozdrawiam.
  • #3 8630190
    imlubie
    Poziom 11  
    Auto służbowe a radio bardziej mobilne do kilku auto podłączane, więc nie bardzo mogę podłączyć na stałe do jednego samochodu
    Jeśli jest to nie opłacalne zrobienie takiego bajeru w tym radiu to zmiana radia pomorze na 100%
  • REKLAMA
  • #4 9746839
    raf123456789
    Poziom 10  
    Chętnie też bym się dowiedział jak zrobić aby sunker po włączeniu zapłonu sam ustawił się na kanale 19-tym a nie 9.
  • #5 9747184
    SP8JZ
    Poziom 33  
    Jest na to sposób. Podtrzymanie "pamięci" syntezy.
    Chodzi o to, aby zachować zawartość wewnętrznej pamięci RAM w czasie, gdy radio jest odłączone od źródła zasilania.

    edycja postu:
    podtrzymanie poniżej
  • REKLAMA
  • #7 9747330
    baskom
    Poziom 20  
    Witam a czy przypadkiem nie wystarczy "zewrzeć" nózki ( wyprowadzenia ) 11 z 14?
    Tak wnioskuję z "datasheeta" syntezy 7185.

    Sunker Elite One przełącznik 9/19

    Pozdrawiam B.
  • #8 9747343
    SP8JZ
    Poziom 33  
    Lepsza jest opcja z podtrzymaniem pamięci, bo w tym radiu nie ma żadnych przełączników do wykorzystania
    Z resztą migający wyświetlacz wkurza oko usera nieraz to ćwiczyłem i ten numer nie przechodzi
  • REKLAMA
  • #9 9747362
    baskom
    Poziom 20  
    Fakt, należało by dodać dodatkowy przełącznik. Lecz jeżeli radiotelefon jest "przenoszony" z auta na auto. Czyli nie jest zabudowany. Sądzę iż dodatkowy switch nikomu by nie przeszkadzał ( z boku radiotelefonu). I na pewno jest to łatwiejsze wyjście niż lutowanie dodatkowego źródła zasilania ( podtrzymania pamięci) syntezera. Pozdrawiam B.
  • #10 9747367
    raf123456789
    Poziom 10  
    Takiej odpowiedzi właśnie oczekiwałem . Tak radyjko jest często przenoszone z auta do auta. Bardzo dziękuje kolegom. Vy73!
  • #11 9747384
    SP8JZ
    Poziom 33  
    Miałem okazję przetestować ten patent w alanie 100 plus, który przeleżał nieużywany na półce. Radio włączyło się na 4 kanale. Pamiętam dokładnie, że wyłączyłem go na tym samym 4 kanale 3-4 lata wstecz.

    Dodano po 1 [minuty]:

    baskom napisał:
    I na pewno jest to łatwiejsze wyjście niż lutowanie dodatkowego źródła zasilania
    Bez przesady to jest zaledwie 5 minut roboty...
  • #12 9747711
    pyton
    Poziom 21  
    SP8JZ - też jest to dobry sposób, ba nawet bardzo dobry - nic nie miga...

    Jakkolwiek autor to zrobi to i tak potrwa to nie dłużej niż 10min... Switch i 2 druciki... lub drugi sposób (pierwszy w temacie) kolegi SP8JZ

    Oba sposoby proste do wykonania.

    Pozdrawiam
  • #13 9747810
    SP8JZ
    Poziom 33  
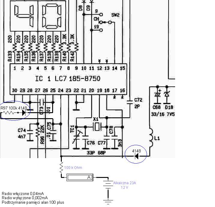
    Rozwiązanie, które na pewno działa.
    Potrzebne 2x 1N4148 + bat. 12V/9V + 100kΩ + taśma izol./termok. φ10/φ25

    Sunker Elite One przełącznik 9/19

    Dodano po 2 [godziny] 39 [minuty]:

    Podtrzymanie pamięci syntezy Alan 199-A
    Na biało: 1N4148 w szereg z R97 oraz L1
    Na żółto: 100kΩ+A27 12V

    Sunker Elite One przełącznik 9/19

    Analogicznie dla radia sunker elite one
  • #14 10696475
    pierzchalski
    Poziom 11  
    witam
    analizując schemat kolegi "baskom" jeśli połączyłbym kolektory tych dwóch tranzystorów które są pod wyświetlaczem do masy to szybka 19 świeciłaby się światłem ciągłym?
REKLAMA