logo elektroda
logo elektroda
X
logo elektroda
REKLAMA
REKLAMA
Adblock/uBlockOrigin/AdGuard mogą powodować znikanie niektórych postów z powodu nowej reguły.

[avr][bascom] Pomiar temperatury termistorem

janusz182 22 Paź 2010 12:03 6749 8
REKLAMA
  • #1 8649409
    janusz182
    Poziom 14  
    Witam, posiadam termistor PTC 1k i chciałbym mierzyć tmperaturę w taki sposób, że szeregowo połączyć termistor i rezystor 1k i mierzyć napięcie na termistorze, nie zależy mi napowalającej dokładności, po protu żeby układ oddziaływa na zmiany temperatury rzędu 4-5stopni celsiusza. Spotkałem się już z układami na wzmacniaczach, ale mi zależy na prostocie, jak sądzicie, da się coś takiego zrobić, czy wszystko mi się rozjedzie??


    pozdawiam
  • REKLAMA
  • REKLAMA
  • #3 8661996
    gregoorr
    Poziom 17  
    Oczywiście, że się da, jak Ci wystarczy taka dokładność. Zawsze można to jakoś skalibrować. W poście wyżej masz opisane jak podłączyć. Ja w takim wypadku podłączam wyświetlacz, aby widzieć odczyt z ADC i kalibruje, a w urządzeniu docelowym jak nie jest potrzebny, to można z niego zrezygnować.
  • REKLAMA
  • #4 8662254
    plahenryk
    Poziom 16  
    Witam. Można i tak, ale zdecydowanie lepiej jest zastosować układ ze źródłem prądowym. Dochodzi tylko jeden element więcej (np. LM317) a dokładność większa i sposób przetworzenia prostszy. Dla tej wartości to 1 mA wystarczy aby szło w ładnym zakresie się wymieścić. Robiłem takie próby z PT1000 i dostałem zakres chyba od -30 do +300 stopni. Może ten 1 mA trochę grzać tego termistora ale trzeba sprawdzić.
  • #5 8662344
    krzemowy
    Poziom 19  
    Gdybyś miał termistor NTC tobym Ci poradził żebyś wygrzebał z jego dokumentacji parametry do równania Steinharta-Harta a w razie braku ww. zmierzył temperaturę termistora w trzech punktach i te parametry wyliczył. Następnie radziłbym wybrać(na początek) do dzielnika napięcia opornik o oporności zbliżonej do oporności termistora w temperaturze pokojowej, później bym zaproponował wyprowadzenie równania opisującego zależność wyniku konwersji ADC od oporności termistora, pożenił to z równaniem opisującym rezystancję termistora zależnie od temperatury, wrzucił to wszystko do arkusza kalkulacyjnego i wygenerował sobie tablicę z 256 elementów(zakładam ograniczenie rozdzielczości ADC do 8 bitów). Później wystarczy wstawić tabelę do programu, po wykonaniu konwersji ADC odczytywać z tablicy element o numerze odpowiadającym wynikowi konwersji i już mamy prościutko zrobiony pomiar temperatury z rozdzielczością rzędu stopni(i z dokładnością rzędu kilku stopni, zależnie od prezycji wyliczenia tablicy i jakości termistora). W taki sposób centralki w samochodach mierzą/mierzyły temperaturę w silnikach. No ale jak masz termistor PTC to nie wiem jak to zrobić :)
  • #6 8860955
    pawcio4
    Poziom 11  
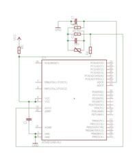
    plahenryk

    Mógłbyś rozwinać swoja myśl i poprzeć schematem ewentualnie kodem?

    Zdiąłem kawalek schematu z regulatora klimy który to korzysta z atmega8 i termistora.
    [avr][bascom] Pomiar temperatury termistorem

    R5 i R4 - 10 om 5%
    R2 i R7 - 2.2k om 1%

    na początku tygodnia bede testowal to rozwiązanie.

    A, zastosowany czujnik to... wg kodu paskowego(od dolu chyba szary albo wcale go nie ma,pomarańczowy, czerwony, szłoty) 8,3k om
  • REKLAMA
  • #7 16852411
    grabek_radek
    Poziom 21  
    a jak by się przedstawiał pomiar temp. przy takiej charakterystyce PTC
    [avr][bascom] Pomiar temperatury termistorem
  • #8 16852483
    BlueDraco
    Specjalista - Mikrokontrolery
    Nie bardzo wiadomo, o co chodzi w tym schemacie. rezystor w zasilaniu służy zapewne do zwiększania poziomu zakłóceń, a obwód termistora narysowano tak, żeby było trudniej zrozumieć, o co chodzi - poplątane połączenia. Czy termistor, którego charakterystykę pokazałeś, jest przeznaczony do zastosowań pomiarowych, czy raczej do zapezpieczeń? Typowo temperaturę mirzy się z NTC o "łagodnej" charakterystyce.
  • #9 16852521
    grabek_radek
    Poziom 21  
    PTC - z taką charakterystyką użyto w zabezpieczeniu uzwojeń w silniku... i myślę ze jest niemożliwy pomiar temperatury przy takiej charakterystyce za małe zmiany przy temp poniżej - krytycznej termistora
REKLAMA