logo elektroda
logo elektroda
X
logo elektroda
REKLAMA
REKLAMA
Adblock/uBlockOrigin/AdGuard mogą powodować znikanie niektórych postów z powodu nowej reguły.

Program do zaprogramowania atmega8 (programator AVT3500)

norbis15 25 Paź 2010 20:28 2565 11
REKLAMA
  • #1 8662982
    norbis15
    Poziom 14  
    Posiadam programator AVT 3500(płytka testowa do kursu basccom avr) i przerobiłem go pod atmega8 (zrobiłem taką przejśćwkę na dwóch podstawkach) w programie bascom avr wszystko działa jak należy, program programuje procesor. Lecz nie można tam ustawić odpowiednio fusebitów aby procesor poprawnie funkcjonował.Więc potrzebuje programu w którym będzie taka możliwość i będzie działał z tym programatorem. Dodam, że programator ten to nic innego jak podłączenie odpowiednich pinów portu LPT i pinów procesora
  • REKLAMA
  • #2 8663075
    xury
    Specjalista automatyka domowa
    I co Bascom przez (pseudo) StK200 nie potrafi zapisać fusebitów ???
    Cytat:
    Dodam, że programator ten to nic innego jak podłączenie odpowiednich pinów portu LPT i pinów procesora

    Od razu proponuję dodać 74HC244 pomiędzy jako bufor jak nie chcesz sobie czegoś upalić.
  • REKLAMA
  • #3 8663819
    norbis15
    Poziom 14  
    Albo bascom albo ja, chodzi o to ze uszkodziłem procesor i pożyczyłem od kolegi zaprogramowany procesor który działa w układzie.Więc zczytuję z niego program i wgrywam do drugiego, który juz nie działa, a jest wykrywany przez bascom-a i programuje się. Więc jest to raczej kwestia ustawienia fusebit-ów. Kiedś mój znajomy zaprogramował ten procesor przy mnie w ten sam sposób ale innym programem i programatorem i widziałem, ze on usttawił fusebity tak samo jak w tym co zczytywał program(bądz było to domyślne ustawienie programu-ale działało)
    Program do zaprogramowania atmega8 (programator AVT3500)
  • REKLAMA
  • #4 8663852
    xury
    Specjalista automatyka domowa
    A więc już upaliłeś coś tym sowim programatorem kabelkowym.
    Przecież możesz odczytać fusebity z tego działającego i zapisać takie same w tym drugim.
    Co do samego odczytywania to czy po odczytaniu robiłeś porównanie bufora z flashem ?
    Bo ten kabelkowy programator działał mi 1 na 10 przypadków prawidłowo, więc jest niemal na 100% pewne, że odczytuje też nieprawidłowo i weryfikacja nie przejdzie.
  • #5 8663913
    norbis15
    Poziom 14  
    Bufor jak patrzę na te znaki to wygląda identycznie jak flash. Tak mogę odczytać fusebity, ale za bardzo nie potrafię ustawić takich w drugim procku, bo w tym okienku na zrzucie monitora nie można wszystkich przestawić, a mianowicie tych co sie różnią, w tych prockach. Można dokonać coś takiego jak podmiana procesora?Odczytanie tych fusów i zamiana procesorów?
  • #6 8663965
    xury
    Specjalista automatyka domowa
    Kurde nie patrz czy wygląda identycznie tylko zrób tak
    1 Podepnij się programatorem do tego dobrego.
    2 Kliknij Program chip
    3 Wybierz zakładkę flash rom
    4 Z menu Buffer wybierz clear
    5 Potem Read flash rom into buffer
    6 potem Verify flas rom against buffer

    Co do fusebitów to czy na pewno to są te same procesory ?
    Oczywiście bitów kalibracji nie ruszysz, ale pozostałe na pewno.
    A jeśli to jednak NIE TE SAME procesory to zapomnij o działaniu zgranego flasha.
  • REKLAMA
  • #8 8664712
    sp3ots
    Poziom 38  
    Witam !
    Przed wgraniem programu do procesora wyczyść procesor "ERASE"
    Powodzenia życzę. Stefan
  • #9 8672242
    norbis15
    Poziom 14  
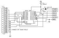
    Wedle rady urzytkownika xury chcę dodać 74HC244 pomiędzy jako bufor, aby uniknąć błędów przy programowaniu. ale przeglądając schematy, mam pewne wątpliwości. Mianowicie mam teraz kabel wykonany wg schematu:Program do zaprogramowania atmega8 (programator AVT3500)
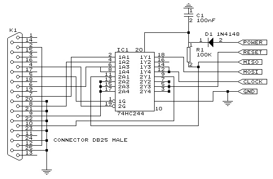
    A chcę wykonać układ z tej stronki: http://www.fortunecity.com/meltingpot/alberni/1159/id49.htm Program do zaprogramowania atmega8 (programator AVT3500)
    w schematach tych piny programujące (mosi, miso, clk itp) są połączone z innymi pinami portu. A w pierwszym (obecnie działającym) schemacie z innymi. Z tąd moje wątpliwości, czy programator będzie działać dalej po zamianie tych pinów?
  • #11 8672416
    norbis15
    Poziom 14  
    Bo chodziło mi o płytkę która zmieści się w obudowie wtyczki LPT. A właśnie w "Programator stk200" to znalazłem, zresztą nie ważne. Nawet biorąc właśnie z tego ogłoszenia schemat, to piny programujące są inaczej podłączone niż w moim kablu, więc chodzi mi z kąd wynikają te różnice? I czy to ma jakiś sens co chce zrobić, żeby nie wyszło, że narobię się na darmo.Program do zaprogramowania atmega8 (programator AVT3500)
REKLAMA