logo elektroda
logo elektroda
X
logo elektroda
REKLAMA
REKLAMA
Adblock/uBlockOrigin/AdGuard mogą powodować znikanie niektórych postów z powodu nowej reguły.

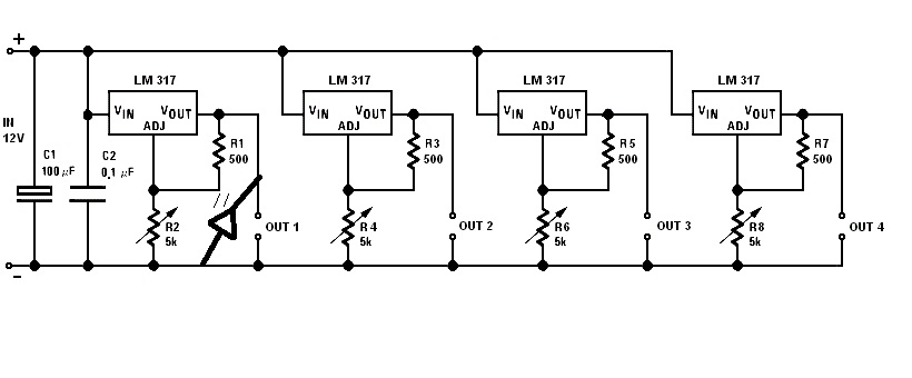
Wlasny kontroler obrotow 6 went.

Two_Blood 28 Paź 2010 20:29 1963 10
REKLAMA
  • #1 8675343
    Two_Blood
    Poziom 10  
    Witam!
    Chcialbym sobie zmontowac mniejwiecej cos takiego. 6 potencjometrow na kazdym dioda(im mniejsze obroty went tym mniejsze natezenie swiatla w diodzie) Mam stara podstawke zatoczki 5.25" i szukam samego schematu.
    Cieszylbym sie gdyby cena calosci nie byla za duza. Z gory dzieki!
  • REKLAMA
  • #2 8675461
    qba3
    Poziom 12  
    to kup to co jest na aukcji jeżeli nie masz złomu elektronicznego taniej tego nie zrobisz
  • REKLAMA
  • #3 8675694
    Two_Blood
    Poziom 10  
    Raczej nie...Chcialbym sobie zrobic to sam:)
  • REKLAMA
  • #5 8677902
    Two_Blood
    Poziom 10  
    Który waszym zdaniem jest lepszy? na lm317t czy na BD 140? I moje pytanie jeszzcze: Czy zamiast bd 140 moglby byc bd 137?
  • Pomocny post
    #6 8677972
    Jarosx9
    Poziom 35  
    Two_Blood napisał:
    Który waszym zdaniem jest lepszy? na lm317t czy na BD 140? I moje pytanie jeszzcze: Czy zamiast bd 140 moglby byc bd 137?

    Najlepszy na LM317. Zamiast BD140 może być BD138 lub BD136 ale w tym przypadku nie BD137.
  • REKLAMA
  • #7 8680719
    Two_Blood
    Poziom 10  
    Więc gdybym chciał do tego schematu Wlasny kontroler obrotow 6 went. dodać jeszcze diode ktora by zmieniala swoje natezenie swiatla w zaleznosci od predkosci wentylatora musialo by to wygladac tak? dla kazdego z osobna wentylatorkow?
  • Pomocny post
    #8 8680785
    Karaczan
    Poziom 41  
    Moze byc tak, tylko koniecznie przez opornik.
    LM317 ma obciazalnosc ok 1-1.5A wiec do jednego kanalu mozesz podlaczyc 2 lub nawet 4 wentylatory.
    W przypadku wykorzystywania tylko jednego wentylatora na kontroler mozna pominac chlodzenie regulatora.
    Jednak przy wiekszej ilosci wentylatorow jest wskazane, a w niektorych przypadkach wrecz konieczne!
    I LM'y nie moga miec wspolnego radiatora, ew moga byc na jednym duzym jesli beda od niego elektrycznie odizolowane.
  • #9 8681344
    Two_Blood
    Poziom 10  
    W role wchodzi regulacja 6 wentylami. Mam pomysl zeby wszystkie 6 smigalo na 3 lm. I zeby wszystkie byly na 1 radiatorku(mam tasme na tym radiatorku na ktora przykrece lm). Wszysko ma sie zmiescic w zatoczce 5.25. Czyli jak by to musialo wygladac na tych 3 lmach?
  • Pomocny post
    #10 8681690
    Karaczan
    Poziom 41  
    Tak jak pokazales na schemacie, ale o 3 LM'y mniej ;)
    I po 2 wentylatory pod wyjscia OUT ktore opisales.
    Ale wtedy bedziesz mogl regulowac tylko 3(x2) wentylatory. Nie wszszystkie niezaleznie.
    Jesli radiator ma na sobie tasme termoprzewodzaca to na 95% jest to tasma przy okazji izolujaca. Wiec nie ma problemu.
    Pamietaj tez by odizolowac sruby ktorymi te LM'y przykrecisz do radiatora.
    Ladne podkladki izolacyjne do srub mozna znalezc w starych zasilaczach.
    Wazne tez zeby nie obciazac LM'a za bardzo. Sprawdz jaki prad pobieraja twoje wentylatory, powinno byc na nich napisane.
    Zsumowany prad podlaczonych wentylatorow pod jeden kanal nie moze przekroczyc dopuszczalnego dla LM'a natezenia.
    Dla bezpieczenstwa zalozmy wlasnie ten 1A (istnieja rozne odmiany tego regulatora, od 0.5A do 1.5A, jednak najczesciej spotykane sa wlasnie 1A).
  • #11 8683530
    Two_Blood
    Poziom 10  
    To jednak chyba pozostane po 1 lm na kazdy wentylek. Bardzo mi zalezy na regulacji kazdego wentylatora z osobna. Wentylatory to SPC Zephyr 120mm ktore ciagna po 0.18A. I mam jeszcze taki problem... Bo ten radiatork jest troszku maly(mam 2 radiatory na ktore wejda 3 lm) są to radiatorki ze zepsutego zasilacza ATX. Troszke sie boje ze ten radiatorek nie wystarczy. A wogole w jakim przedziale bede mogl sterowac wentylatorkami dzieki temu schematowi co podalem? Zalezalo by mi na od 5v do 12.
    Czy ktos moglby sie wypowiedziec czy ten Wlasny kontroler obrotow 6 went. schemat dobrze zrobilem?
REKLAMA