Witam !
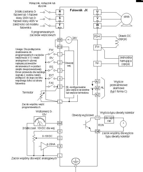
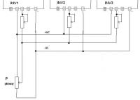
Mam szafę i jest 18 falowników i ma być regulowana prędkość silników.
Czy mogę tak sobie jeden potencjometr podłączyć do wszystkich falowników - jednakowych?
Hmm - zastanawiam się nad tymi wspólnymi sygnałami. Falowniki są 1 fazowe i dla symetrii będą zasilane po 6 z 3 faz.
Dzięki za info
Paweł
Mam szafę i jest 18 falowników i ma być regulowana prędkość silników.
Czy mogę tak sobie jeden potencjometr podłączyć do wszystkich falowników - jednakowych?
Hmm - zastanawiam się nad tymi wspólnymi sygnałami. Falowniki są 1 fazowe i dla symetrii będą zasilane po 6 z 3 faz.
Dzięki za info
Paweł
