logo elektroda
logo elektroda
X
logo elektroda
REKLAMA
REKLAMA
Adblock/uBlockOrigin/AdGuard mogą powodować znikanie niektórych postów z powodu nowej reguły.

Schemat elektryczny geco. Szukam objaśnień.

diana098 31 Paź 2010 10:48 1955 1
REKLAMA
  • #1 8684034
    diana098
    Poziom 1  
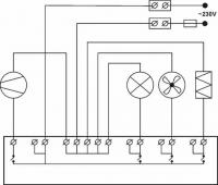
    Szukam objaśnień do schematu elektrycznego GECO. Czy ktoś zna się na tym? Scemat podaje w załączniku. Z góry dziękuje.
  • REKLAMA
  • #2 8687937
    eva54
    Poziom 13  
    Kol. diana098 patrzac na symbole na schemacie od lewej to:pompa obiegowa CO,zasilanie 230V,wentylator,[pdajnik paliwa.
REKLAMA