logo elektroda
logo elektroda
X
logo elektroda
REKLAMA
REKLAMA
Adblock/uBlockOrigin/AdGuard mogą powodować znikanie niektórych postów z powodu nowej reguły.

zmiana zasilania zegarka w samochodzie

wujek116 31 Paź 2010 15:40 3230 4
REKLAMA
  • #1 8685210
    wujek116
    Poziom 2  
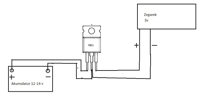
    Witam mam taki problem mianowicie kupiłem samochód marki honda accord 97r zamiast standardowego zegara ktoś zamontował w desce inny zegarek z temperaturą i tak dalej ogólnie jest świetny ale ma jeden minus , zegarek ten działa na dwie takie małe baterie które niestety szybko się rozładowują a żeby wymienić baterie muszę pół deski rozebrać na dodatek teraz idzie zima i wiadomo ze taka bateria na mrozie to z tydzień wytrzyma albo i nie . i tu moje pytanie do was czy jest możliwość podłączenia zamiast tej bateri zasilania z akumulatora oczywiście zmniejszając jakoś zasilanie do 3 v bo tyle ma ta bateria ? bardzo bym prosił o pomoc .
  • REKLAMA
  • #2 8685246
    dabu
    Poziom 32  
    kup stabilizator 78L03 lub 7803, a resztę znajdziesz w wyszukiwarce i na google.
  • REKLAMA
  • REKLAMA
  • #4 8694859
    arek422
    Poziom 15  
    Schemat ok, ja bym dał kondensator na wejście równolegle z -, gdzieś 1000uf/16v
  • #5 8695117
    wujek116
    Poziom 2  
    No dzięki. ja to jestem zielony w tym ale zrobię jak mówicie tylko powiedz mi jeszcze co ten kondensator daje w instalacji ? a i jeszcze myślałem żeby może wlutować jakiś bezpiecznik w ten układ tak na wszelki wypadek , co o tym myślicie ?
REKLAMA