#1 8722971 09 Lis 2010 19:32 Cezary888 Cezary888 Poziom 2 #1 8722971 09 Lis 2010 19:32 Nieudolnie poszukuję wyżej wymienionego schematu układu. Prosze o pomoc - linki ze schematem, zdjęcia, itd.
Pomocny post #2 8723430 09 Lis 2010 20:45 slawn1 slawn1 Poziom 16 Pomocny post? (+1) Pomocny post #2 8723430 09 Lis 2010 20:45 Witam. Rzeczywiście linki, które posiadam już nieczynne. Mam to w paczce rar, mogę przesłać na pw.
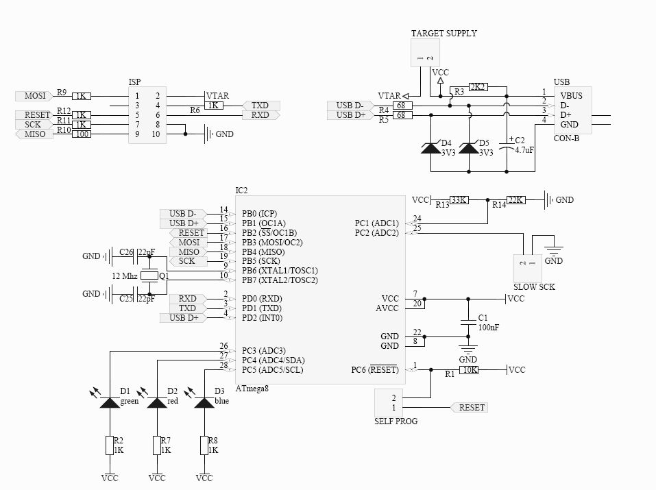
Pomocny post #3 8723454 09 Lis 2010 20:49 merolPL merolPL Poziom 27 Pomocny post? (+1) Pomocny post #3 8723454 09 Lis 2010 20:49 Znalazłem tylko takie: A wszytko to ze stron: http://www.sonsivri.com/forum/index.php?topic=24936.0 https://www.elektroda.pl/rtvforum/topic1077285.html
#4 8725199 10 Lis 2010 10:47 Cezary888 Cezary888 Poziom 2 Autor tematu Pomocny post? (0) #4 8725199 10 Lis 2010 10:47 Wielkie dzieki za schematy a ma może któryś z was program który trzeba wgrać do scalaka programatora??