logo elektroda
logo elektroda
X
logo elektroda
REKLAMA
REKLAMA
Adblock/uBlockOrigin/AdGuard mogą powodować znikanie niektórych postów z powodu nowej reguły.

CB Pan Mini-Top AM/FM pytanie o cewkę

mkpl 10 Lis 2010 23:16 4723 10
REKLAMA
  • #1 8727930
    mkpl
    Poziom 37  
    Witam
    W tym radiu cewka która znajduje się na karkasie w PA powinna mieć rdzeń czy go nie miała? Dostałem rozgrzebane radio zrobiłem odbiornik wstawiłem końcówkę i coś nadawanie nie śmiga i ona jest podejrzana (tranzystor 100% sprawny)
  • REKLAMA
  • #2 8728319
    SP5ANJ
    Spoczywaj w Pokoju
    Witam.
    mkpl napisał:
    W tym radiu cewka która znajduje się na karkasie w PA powinna mieć rdzeń czy go nie miała?

    Cewka ta jest częścią PI filtra (filtr dolnoprzepustowy) w celu zmiany indukcyjności w dopasowaniu tegoż filtra do impedancji 50om (w.cz.) .

    Rdzeń powinien tam być , ale jeżeli pozostałe indukcyjności - nie trzymają fabrycznie swoich uH - to w tejże fabryce ten rdzeń jest wykręcany (w celu samego dopasowania TX-a do tych 50Ω ).


    Pozdrawiam.
  • #3 8728649
    gregorio27
    Poziom 31  
    Cytat:
    coś nadawanie nie śmiga i ona jest podejrzana (tranzystor 100% sprawny)
    nadajnik to nie tylko stopień końcowy :D, wykonaj sobie wreszcie sondę w.cz. do woltomierza i zobacz na którym stopniu nadajnika zanika sygnał.
  • REKLAMA
  • #4 8730229
    mkpl
    Poziom 37  
    Rozwiązałem częściowo problem. Synteza LC7132 wyjściem LM zwierała zasilanie na bazach pierwszych stopni za generatorem. Prawdopodobnie ma uszkodzone bo odbiornik jest ok i częstotliwości się zgadzają.

    Po odłączeniu nogi LM od układu i wciśnięciu PTT mam pik mocy i tyle. Sygnał do drivera dochodzi stabilny za driverem na ułamek sekundy jest ok i spada praktycznie do 0.
  • #5 8732505
    Driver-
    Poziom 38  
    mkpl napisał:
    Rozwiązałem częściowo problem. Synteza LC7132 wyjściem LM zwierała zasilanie na bazach pierwszych stopni za generatorem. Prawdopodobnie ma uszkodzone bo odbiornik jest ok i częstotliwości się zgadzają.
    Nie koniecznie jest uszkodzone. Wyjście LM to lock/unlock blokuje nadajnik jeśli podczas nadawania synteza nie ma synchronizmu. Napięcie na LM podawane jest z układu PTT.

    mkpl napisał:
    Po odłączeniu nogi LM od układu i wciśnięciu PTT mam pik mocy i tyle. Sygnał do drivera dochodzi stabilny za driverem na ułamek sekundy jest ok i spada praktycznie do 0.
    Może to świadczyć że jest źle zestrojone VCO. Jeśli odłączyłeś nóżkę LM to odblokowałeś nadajnik. Po generatorze jest powielacz x2, synteza przestraja VCO ale nie potrafi się zsynchronizować. Powielacz powiela więc sygnał jest stabilny ale częstotliwość płynie i na początku przestrajania w dół jest w pasmie pracy drivera a potem wychodzi poza zakres i moc spada.Teraz masz nóżkę LM (14) odłączoną. Podłącz na nóżkę LM opornik 1k z nóżki 18. Spróbuj zestroić VCO ustaw najwyższy kanał na odbiorniku i wkręcaj rdzeń aż do braku synchronizmu syntezy, stan niski na multimetrze. Potem deko wykręć aż do ponownego uzyskania stabilnej częstotliwości stan wysoki. Przełącz na nadawanie i sprawdź czy masz synchronizm stan wysoki. Jeśli synchronizmu nie bedzie stan niski, sprawdź czy na Q15 masz stan niski napięcia, ponieważ Q15 dołącza przy nadawaniu kondensator do obwodu rezonansowego VCO ściągając f VCO o ~3MHz w dół. Jeśli na nadawaniu nie będzie synchronizmu przy niskim stanie Q15 to ustaw najniższy kanał i spróbuj stroić VCO aż stanu wysokiego na nózce LM, potem sprawdź synchronizm na kanałach przy odbiorze. Zrób porządek z VCO i dopiero wtedy bierz się za driver i końcówkę.
    Datasheet LM7132 i schemat CB Pan Mini-Top AM/FM jak byś nie miał.
  • REKLAMA
  • #6 8736257
    mkpl
    Poziom 37  
    Radio chodzi :) Poprzednik usunął kabelek łączący nogę 20 syntezy z resztą układu (po co nie wiem pewnie myślał że coś rozblokuje). Teraz wszystko jest ok nadaje i odbiera jak szalone. Obwody udało mi się zestroić na 8W Fm mierzone na sztucznym obciążeniu.

    Dołożyłem trafo modulacyjne i radio sprawuję się genialnie.
    Podejrzenie uszkodzenia syntezy to stąd że parę dni wcześniej jak robiłem VCO udało mi się wlutować syntezę odwrotnie i dochodzić przez 5 min pod zasilaniem dlaczego nie działa.

    Jeszcze tylko szybkie pytanie. Jak dorobić tutaj RFgain? Podłączył bym go w miejscu przełącznika CB/PA


    Na koniec dodam że jak ktoś ma wersję FM to dorobienie AM to kwestia 8 elementów biernych i tranzystora. Radio było przygotowane pod AM/FM tylko w FM nie montowali kilku elementów
  • #7 8739126
    Driver-
    Poziom 38  
    mkpl napisał:
    Jeszcze tylko szybkie pytanie. Jak dorobić tutaj RFgain? Podłączył bym go w miejscu przełącznika CB/PA
    Spróbuj tego jaki jest w Dragon CB94,
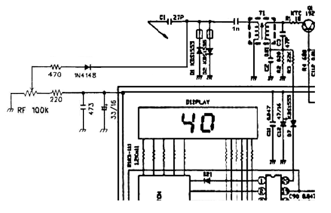
    CB Pan Mini-Top AM/FM pytanie o cewkę
    na fragmencie schematu CB Pan Mini-Top AM/FM wstawiłem przed obwód wejściowy odbiornika. Opornik 470Ω i diodę zamontuj jak najbliżej diod ogranicznika U wejściowego D1; D2. Przetnij ścieżkę od D1 D2 do filtra T1 i tam wlutuj kondensator 1n.
  • #8 8739995
    mkpl
    Poziom 37  
    Hmm nie głupie o tym nie myślałem :) Mam 2 uwagi co do tego pomysłu po przekroczeniu 0.650V na ograniczniku zacznie przewodzić ta dioda do masy i będzie zwierać sygnał przez impedancję jaką tworzy koralik ferrytowy na jej nodze.

    Ja myślałem nad wpięciem się w bazę 1 wzmacniacza rf i podawanie tam napięcia ale też przez diodę. Tak że jeśli ustawię na potencjometrze większe to nie będzie miało to wpływu na polaryzację bazy. Dioda wejdzie w stan zaporowy i potencjał na bazie będzie taki jak fabrycznie
  • REKLAMA
  • #9 8742313
    Driver-
    Poziom 38  
    mkpl napisał:
    Mam 2 uwagi co do tego pomysłu po przekroczeniu 0.650V na ograniczniku zacznie przewodzić ta dioda do masy i będzie zwierać sygnał przez impedancję jaką tworzy koralik ferrytowy na jej nodze.
    No nie tak do końca. Ze wzrostem napięcia dioda D2 zmniejsza swoją oporność. Obwód z diodą RF-gain jest do D2 połączony równolegle. Kiedy zmniejsza się oporność diody RF-gain to przez oporność tej diody jest dodawana równolegle pewna oporność. Sumując wszystkie oporności równoległe wypadkowa oporność nie tylko zmniejsza poziom sygnału ale również pogarsza stopień dopasowania wyjścia Π-litra, oraz obwód wejściowy T1 też ma coraz gorsze dopasowanie, więc w sumie straty sygnału są większe niż wynikało by to ze strat sygnału na samej diodzie D2.
    mkpl napisał:
    Ja myślałem nad wpięciem się w bazę 1 wzmacniacza rf i podawanie tam napięcia ale też przez diodę. Tak że jeśli ustawię na potencjometrze większe to nie będzie miało to wpływu na polaryzację bazy. Dioda wejdzie w stan zaporowy i potencjał na bazie będzie taki jak fabrycznie
    Tak niby cacy, ale zauważ że na bazę wchodzi ARW i zmniejsza wzmocnienie obniżając dodatnie napięcie polaryzacji bazy Q1 ujemnym z detektora. Dioda detektora jest wstępnie polaryzowana. Jeśli dodatkowo obciążył byś bazę diodą na którą podasz niższe napięcie niż to z ARW to automatycznie zmniejszasz prąd polaryzacji diody detektora, rozjeżdża się ARW i blokada szumów.
  • #10 8744137
    mkpl
    Poziom 37  
    No tak nie wziąłem tego pod uwagę. Jeszcze jedno pytanie co do tego patentu z dragona.
    W.cz nie powinno być tam jakoś zblokowane? Dławikiem i pojemnością na masę? Bo w aktualnym układzie zmniejszając tłumienie na Rf na minimum dioda dalej jest wpięta w układ i jej pojemność tworzy dodatkowe obciążenie wejścia. Czy po prostu jest to minimalne tłumienie i można pominąć?
  • #11 8748458
    Driver-
    Poziom 38  
    Pojemność diody 1N4148 wg. noty katalogowej to 4pF. Na 27MHz Xc diody będzie wynosić 1473,66Ω z diodą jest jeszcze szeregowo połączony opornik 470Ω wiec razem Z=1474,5Ω. Wejście ma Z=50Ω wiec przyłączenie do wejścia impedancji Z=1474,5Ω da wypadkową Z=48,36Ω a SWR wyniesie 1,0339 co wprowadzi tłumienność niedopasowania -0,0718dB, więc sygnał będzie słabszy tylko o 0,028%. Zatem straty z racji przyłączenia dodatkowego obwodu z diodą kiedy suwak potencjometru RF-gain będzie na masie wprowadzi minimalne i praktycznie pomijalne straty.
REKLAMA