logo elektroda
logo elektroda
X
logo elektroda
REKLAMA
REKLAMA
Adblock/uBlockOrigin/AdGuard mogą powodować znikanie niektórych postów z powodu nowej reguły.

TTI TCB-660 Nie działają przyciski.

scalak4 16 Lis 2010 15:00 3341 3
REKLAMA
  • #1 8750821
    scalak4
    Poziom 17  
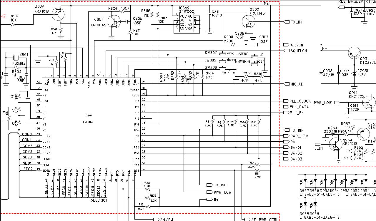
    Witam. Mam na stole takie radio. Wyświetlacz pokazuje kanał 9 zakres "I". Napięcia sprawdziłem i są ok. Oto fragment schematu z przyciskami:

    TTI TCB-660 Nie działają przyciski.

    Na każdym z przycisków jest napięcie ok 3,7V. Ginie oczywiście po wciśnięciu.
    Radio daje się uruchomić w trybie serwisowym tylko że nie można przełączać zakresów. Przyciski w ogóle nie reagują... Nie działa też tx. Na płycie znalazłem spalona dumper diodę. Pewnie ktoś odwrotnie podłączył... Co myslicie koledzy?? Procesor??
  • REKLAMA
  • REKLAMA
  • #3 8755336
    gregorio27
    Poziom 31  
    Napięcie na emiterze q931 i dz931 jest stabilne? Jeśli coś na tym stabilizatorze się działo to masz duże prawdopodobieństwo uszkodzenia portów w procesorze, a radio zostało prawdopodobnie uszkodzone przy pierwszym podpięciu.
  • #4 8755688
    scalak4
    Poziom 17  
    Nie mam czasu jak na razie na to radyjko ale tranzystor o którym piszesz był nadzwyczaj ciepły.. ale napięcie na E było ok 4.2v (tak jak na schemacie) i stabilne... Jutro zajrzę. Ale dzięki za odp.
REKLAMA